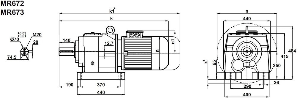
Соосный цилиндрический редуктор MR672, MR673, NR672 и NR673 Номинальная мощность - 22,0 кВт Выходные обороты: 50 об/мин ... 360 об/мин
Номинальная мощность - 22,0 кВт
Выходные обороты: 50 об/мин ... 360 об/мин
Соосный цилиндрический мотор редуктор MR672-180L/4 (исполнение на лапах), NR672-180L/4 (фланцевое исполнение), MR673-180L/4 (исполнение на лапах), NR673-180L/4 (фланцевое исполнение) - механический агрегат, который с помощью двух и трех стадийной редукции высокой угловой скорости на входе в более низкую на выходном валу: 44 об/мин ... 357 об/мин, приращивает вращающий момент до 4000Nm.Подводимая номинальная мощность - 22кВт.
Привод выпускается в исполнении на лапах, во фланцевом исполнении.
Гарантия от производителя - 24 месяца.
Сервис-фактор (fs)
Монтажные расположения
Применяемые типы масел
Условное обозначение
Каталог M-series
| Обороты на выходном валу | Крутящий момент на выходном валу | Передаточное число | Радиальные нагрузки на выходной вал | Сервис фактор | Тип редуктора | Масса |
| n2 (об/мин-1) | M2 (Нм) | i | Fr (Н) | fs | m (кг) | |
| 44 | 4575 | 31,98 | 20394 | 0,9 | MR673-180L/4 NR673-180L/4 | 373 376 |
| 50 | 4027 | 28,11 | 20369 | 1,0 | ||
| 56 | 3549 | 24,88 | 19043 | 1,1 | ||
| 65 | 3056 | 21,39 | 18966 | 1,2 | ||
| 70 | 2915 | 20,12 | 19876 | 1,2 | MR672-180L/4 NR672-180L/4 | 363 366 |
| 78 | 2600 | 17,93 | 19599 | 1,3 | ||
| 92 | 2213 | 15,27 | 19148 | 1,4 | ||
| 107 | 1905 | 13,13 | 18666 | 1,6 | ||
| 123 | 1655 | 11,39 | 18177 | 1,6 | ||
| 141 | 1449 | 9,96 | 17688 | 1,6 | ||
| 160 | 1275 | 8,76 | 17204 | 1,6 | ||
| 181 | 1125 | 7,75 | 16363 | 1,6 | ||
| 210 | 969 | 6,66 | 15825 | 1,8 | ||
| 242 | 842 | 5,78 | 15312 | 1,9 | ||
| 277 | 737 | 5,05 | 14820 | 2,0 | ||
| 315 | 648 | 4,44 | 14347 | 2,2 | ||
| 357 | 573 | 3,92 | 13892 | 2,2 |
Вернуться к выбору мощностей
Соосно-цилиндрический мотор-редуктор MR672(3) и NR672(3) можно рассматривать как: полный аналог соосно-цилиндрических мотор-редукторов таких брэндов , как Varvel (Италия) , Motovario (Италия) , STM (Италия) , Transtecno (Италия) , Siti (Италия) , Tos Znojmo (Чехия) , Sew Eurodrive (Германия) , KEB (Германия) , PGR (Турция) и других .
Соосно-цилиндрический мотор-редуктор MR672(3) и NR672(3) можно рассматривать как: технический аналог соосных редукторов таких брэндов , как Bonfiglioli (Италия) , Innovari/Hydromec (Италия) , Watt Drive (Австрия) , Nord Getriebebau DriveSystems (Германия), Bauer Gearmotors (Германия) , Lenze (Германия) .
Если вы хотите купить соосный цилиндрический редуктор MR672, MR673, NR672 и NR673 , вы можете:
Позвонить:
Российская Федерация
+7 (495) 369-04-89
+7 (910) 726-725-4 (МТС) Смоленск
info@tech-privod.com
Республика Беларусь
+375 17 272-04-08 (т/ф) Минск
+375 29 61-787-61 (A1) Минск
+7 (495) 369-04-89
+7 (910) 726-725-4 (МТС) Смоленск
info@tech-privod.com
Республика Беларусь
+375 17 272-04-08 (т/ф) Минск
+375 29 61-787-61 (A1) Минск
