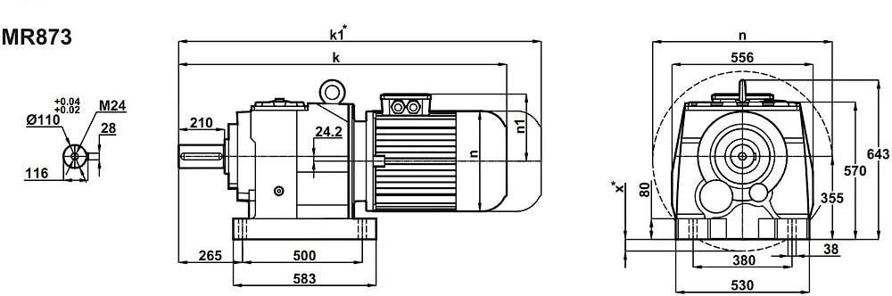
Соосный цилиндрический редуктор MR873 и NR873 15 об/мин ... 45 об/мин
15 об/мин ... 45 об/мин

Рационально использовать следующие передаточные отношения: i=35 - i=85.
За счет особенностей конструкции корпуса редуктор способен значительные предельные радиальные (боковые и осевые) нагрузки.
Условное обозначение
Каталог M-series
Обороты на выходном валу | Крутящий момент на выходном валу | Передаточное число | Радиальные нагрузки на выходной вал | Сервис фактор | Тип редуктора | Масса |
n2 (об/мин-1) | M2 (Нм) | i | Fr (Н) | fs | m (кг) | |
16 | 12203 | 86,51 | 68425 | 1,1 | MR873-180L/4 NR873-180L/4 | 660 665 |
19 | 10652 | 75,51 | 76898 | 1,2 | ||
21 | 9332 | 66,15 | 83128 | 1,4 | ||
24 | 8146 | 57,74 | 88072 | 1,6 | ||
27 | 7186 | 50,94 | 94507 | 1,8 | ||
31 | 6393 | 45,32 | 92745 | 2,0 | ||
34 | 5727 | 40,59 | 90992 | 2,3 | ||
40 | 4975 | 35,27 | 88644 | 2,6 | ||
45 | 4374 | 31,01 | 86418 | 3,0 |


Вернуться к выбору мощностей
Редуктор MR873 является аналогом мотор-редукторов MNHL100/2 и MNHL100/3 , MNHL 100 2 и MNHL 100 3 , MNHL100 2 и MHL 100 3(производитель Siti (Италия).
И техническим аналогом мотор-редукторов SK92 , SK93 , SK 92 , SK 93 (производства Nord (Германия) , C100 2P , C100 3P , C 100 2 P , C 100 3P , C 1002 P , C 100 3 P (производства Bonfiglioli (Италия) мотор-редукторов МР3-500 Щ , МР3 500 Щ , МР3-500 Щ , МР 3-500 Щ , МР 3 500-Щ , МР 3-500 Щ , МР2-500 Щ , МР2 500 Щ , МР2-500 Щ , МР 2-500 Щ , МР 2 500-Щ , МР 2-500 Щ (производства Тамбовполимермаш).
Редуктор NR873 является полным аналогом мотор-редукторов C100 2 F и C100 3 F , C 100 2 F и C 100 3 F , C 1002 F и C 100 3F (производства Bonfiglioli Италия).
И техническим аналогом мотор редукторов SK92F , SK93F , SK 92F , SK 93F , SK 92 F , SK 93 F (произведенных Nord (Германия), мотор-редукторов MNHL100/2-F и MNHL100/3-F , MN HL100 2-F и MNHL 100/3-F , MNHL 100 2 F и MHL 100 3F (производства Siti (Италия) , мотор-редукторов МР3 500 Ф1В , МР 3 500 Ф2В , МР3 500-Ф1В , МР 3-500 Ф 2В , М Р 3 500 Ф1 В , МР3 500Ф1В , МР 3-500 Ф2В , МР 3 500 Ф2В , МР3-500 Ф 1 В , МР2 500 Ф1В , МР 2 500 Ф 2В , МР2 500-Ф1В , МР 2-500 Ф2В , М Р 2 500 Ф1В , МР2 500Ф1 В , МР 2-500 Ф2В , МР 2 500 Ф1В , МР 2-500 Ф2В (производства Тамбовполимермаш).
Если вы хотите купить соосный цилиндрический редуктор MR873 и NR873 , вы можете:
Позвонить:
Российская Федерация
+7 (495) 369-04-89
+7 (910) 726-725-4 (МТС) Смоленск
info@tech-privod.com
Республика Беларусь
+375 17 272-04-08 (т/ф) Минск
+375 29 61-787-61 (A1) Минск
+7 (495) 369-04-89
+7 (910) 726-725-4 (МТС) Смоленск
info@tech-privod.com
Республика Беларусь
+375 17 272-04-08 (т/ф) Минск
+375 29 61-787-61 (A1) Минск