Цилиндрический редуктор DR672 и DR673    50 об/мин ... 300 об/мин
 50 об/мин ... 300 об/мин
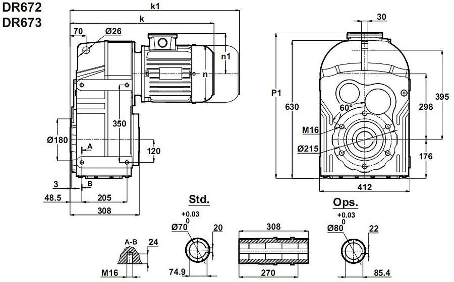
   Промышленная трансмиссия DR672-180L/4 и DR673-180L/4 - редукторный агрегат с цилиндрическим зацеплением с параллельным выходом исполнительного вала.Подводимая мощность - 22кВт (если использовать обще промышленный асинхронный электродвигатель 22 киловатт в четырех полюсной и шести полюсной, реже в двух полюсной и восьми полюсной конфигурации).
Вращающий момент - 800 нм - 4000 нм.
Обороты тихоходного вала: 41 об/мин - 327 об/мин.
Допустимые радиальные нагрузки: 40000 н.
Условное обозначение
Каталог D-series
| Обороты на выходном валу | Крутящий момент на выходном валу | Передаточное число | Радиальные нагрузки на выходной вал | Сервис фактор | Тип редуктора | Масса | 
| n2 (об/мин-1) | M2 (Нм) | i | Fr (Н) | fs | m (кг) | |
| 41 | 4880 | 34,02 | 22298 | 0,9 | DR673-180L/4 | 327 | 
| 47 | 4314 | 30,04 | 29392 | 1,0 | ||
| 54 | 3787 | 26,11 | 34445 | 1,1 | DR672-180L/4 | 317 | 
| 60 | 3392 | 23,36 | 37611 | 1,3 | ||
| 69 | 2930 | 20,20 | 40853 | 1,5 | ||
| 80 | 2541 | 17,49 | 43246 | 1,7 | ||
| 92 | 2225 | 15,30 | 44995 | 1,9 | ||
| 104 | 1964 | 13,48 | 46542 | 2,2 | ||
| 117 | 1744 | 11,96 | 48613 | 2,3 | ||
| 131 | 1556 | 10,67 | 49680 | 2,5 | ||
| 136 | 1499 | 10,29 | 49241 | 2,5 | ||
| 157 | 1300 | 8,91 | 47521 | 2,7 | ||
| 181 | 1132 | 7,75 | 45878 | 2,9 | ||
| 188 | 1088 | 7,45 | 45149 | 2,6 | ||
| 212 | 966 | 6,61 | 43793 | 2,8 | ||
| 238 | 862 | 5,89 | 42513 | 3,0 | ||
| 246 | 830 | 5,68 | 42111 | 3,1 | ||
| 285 | 720 | 4,92 | 40547 | 3,3 | ||
| 327 | 627 | 4,28 | 39069 | 3,5 | 

Вернуться к выбору мощностей
Мотор-редуктор DR672 и DR673 - как технический аналог мотор-редуктор можно рассматривать относительно к моделям MPD160 и MPD160/3 , MPL160 и MPL160/3 / производства Siti , Италия ; SK6282 и SK6382 /производства Nord , Германия ; F702 и F703 / производства Bonfiglioli , Италия , ZF180B и ZF180C / производства Tramec , Италия .
Редуктор DT672 и DT673 является аналогом редукторов ZA160B , ZA160C производства Tramec / Италия .
Если вы хотите купить цилиндрический редуктор DR672 и DR673   , вы можете:
 Позвонить: 
Российская Федерация
+7 (495) 369-04-89
+7 (910) 726-725-4 (МТС) Смоленск
info@tech-privod.com
Республика Беларусь
+375 17 272-04-08 (т/ф) Минск
+375 29 61-787-61 (A1) Минск
+7 (495) 369-04-89
+7 (910) 726-725-4 (МТС) Смоленск
info@tech-privod.com
Республика Беларусь
+375 17 272-04-08 (т/ф) Минск
+375 29 61-787-61 (A1) Минск
