Цилиндрический редуктор DR873 15 об/мин ... 60 об/мин
15 об/мин ... 60 об/мин
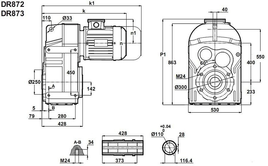
Моноблочный литой чугунный корпус 8-го типоразмера совмещает три цилиндрические ступени парных ведущих и ведомых шестерен, параллельное исполнение выходного вала.Продукт маркируется - DR873-180L/4
Мотор - 22 кВт (30HP)
Крутящий момент - 4000 Nm - 12500 Nm
Обороты выходного вала: 14 об/мин - 60 об/мин.
Радиальные нагрузки: 90000N
Стандарт d=110 . Опцион d=100.
Гарантийные обязательства: 24 месяца.
Условное обозначение
Каталог D-series
| Обороты на выходном валу | Крутящий момент на выходном валу | Передаточное число | Радиальные нагрузки на выходной вал | Сервис фактор | Тип редуктора | Масса |
| n2 (об/мин-1) | M2 (Нм) | i | Fr (Н) | fs | m (кг) | |
| 14 | 14360 | 101,03 | 68731 | 0,9 | DR873-180L/4 | 581 |
| 16 | 12522 | 87,95 | 79450 | 1,0 | ||
| 18 | 11030 | 77,36 | 86658 | 1,2 | ||
| 20 | 9796 | 68,62 | 91966 | 1,3 | ||
| 23 | 8758 | 61,27 | 96047 | 1,5 | ||
| 25 | 7872 | 55,01 | 99206 | 1,7 | ||
| 27 | 7427 | 51,94 | 100704 | 1,8 | ||
| 31 | 6502 | 45,41 | 103645 | 2,0 | ||
| 35 | 5723 | 39,92 | 105950 | 2,3 | ||
| 40 | 5059 | 35,24 | 107793 | 2,6 | ||
| 46 | 4381 | 30,50 | 109572 | 3,0 | ||
| 53 | 3835 | 26,66 | 106587 | 3,4 | ||
| 60 | 3376 | 23,44 | 103130 | 3,9 |

Вернуться к выбору мощностей
Мотор редуктор DR873 можно использовать как технический аналог к мотор редуктору SK8382/ выпускаемых NORD, Германия; мотор-редуктору F904/ производства Bonfiglioli , Италия.
Если вы хотите купить цилиндрический редуктор DR873 , вы можете:
Позвонить:
Российская Федерация
+7 (495) 369-04-89
+7 (910) 726-725-4 (МТС) Смоленск
info@tech-privod.com
Республика Беларусь
+375 17 272-04-08 (т/ф) Минск
+375 29 61-787-61 (A1) Минск
+7 (495) 369-04-89
+7 (910) 726-725-4 (МТС) Смоленск
info@tech-privod.com
Республика Беларусь
+375 17 272-04-08 (т/ф) Минск
+375 29 61-787-61 (A1) Минск
