Цилиндрический редуктор DR772 и DR773 25 об/мин ... 100 об/мин
25 об/мин ... 100 об/мин
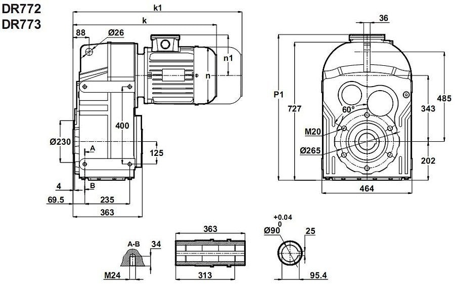
Редуктор DR772-180L/4 и DR773-180L/4 представляет собой цилиндрический механический привод промышленного назначения предназначен для эксплуатации с электромотором номинальной мощностью 22 кВт (асинхронный переменного тока 380В: 22кВт/3000 , 22кВт/1500 , 22кВт/1000 , 22кВт/750).Передаточные числа могут быть следующими: i=1/13 , i=1/15 , i=1/17 , i=1/19 , i=1/22 , i=1/24 , i=1/27 , i=1/31 , i=1/33 , i=1/37 , i=1/41 , i=1/47 , i=1/54 , i=1/62.
Стандартный диаметр полой втулки: 90мм.
Возможно изготовление габаритно-присоединительных размеров под заказ.
Условное обозначение
Каталог D-series
| Обороты на выходном валу | Крутящий момент на выходном валу | Передаточное число | Радиальные нагрузки на выходной вал | Сервис фактор | Тип редуктора | Масса |
| n2 (об/мин-1) | M2 (Нм) | i | Fr (Н) | fs | m (кг) | |
| 22 | 8888 | 62,33 | 48608 | 0,9 | DR773-180L/4 | 417 |
| 26 | 7710 | 53,99 | 57608 | 1,0 | ||
| 30 | 6718 | 46,99 | 63811 | 1,2 | ||
| 33 | 5998 | 41,85 | 67669 | 1,3 | ||
| 38 | 5328 | 37,12 | 68843 | 1,5 | ||
| 42 | 4756 | 33,10 | 67400 | 1,7 | ||
| 44 | 4582 | 31,92 | 66931 | 1,7 | ||
| 51 | 3975 | 27,65 | 65036 | 2,0 | ||
| 58 | 3464 | 24,06 | 63154 | 2,3 | ||
| 61 | 3304 | 22,77 | 62485 | 2,4 | DR772-180L/4 | 402 |
| 71 | 2880 | 19,82 | 60563 | 2,8 | ||
| 80 | 2537 | 17,44 | 58780 | 3,2 | ||
| 91 | 2252 | 15,46 | 57115 | 3,4 | ||
| 101 | 2013 | 13,81 | 55554 | 3,6 |

Вернуться к выбору мощностей
Мотор-редуктор DR772 и DR773 - как технический аналог мотор-редуктор можно рассматривать относительно к моделям MPD160 и MPD160/3 / производства Siti , Италия ; SK7282 и SK7382 /производства Nord , Германия ; F802 и F803 / производства Bonfiglioli , Италия , ZF200B и ZF200C / производства Tramec , Италия .
Редуктор DT772 и DT773 является аналогом редукторов PD160- , PD160/3- производства Siti / Италия ; ZA200B , ZA200C производства Tramec / Италия .
Если вы хотите купить цилиндрический редуктор DR772 и DR773 , вы можете:
Позвонить:
Российская Федерация
+7 (495) 369-04-89
+7 (910) 726-725-4 (МТС) Смоленск
info@tech-privod.com
Республика Беларусь
+375 17 272-04-08 (т/ф) Минск
+375 29 61-787-61 (A1) Минск
+7 (495) 369-04-89
+7 (910) 726-725-4 (МТС) Смоленск
info@tech-privod.com
Республика Беларусь
+375 17 272-04-08 (т/ф) Минск
+375 29 61-787-61 (A1) Минск
