Цилиндрический редуктор DR572 70 об/мин ... 300 об/мин
70 об/мин ... 300 об/мин
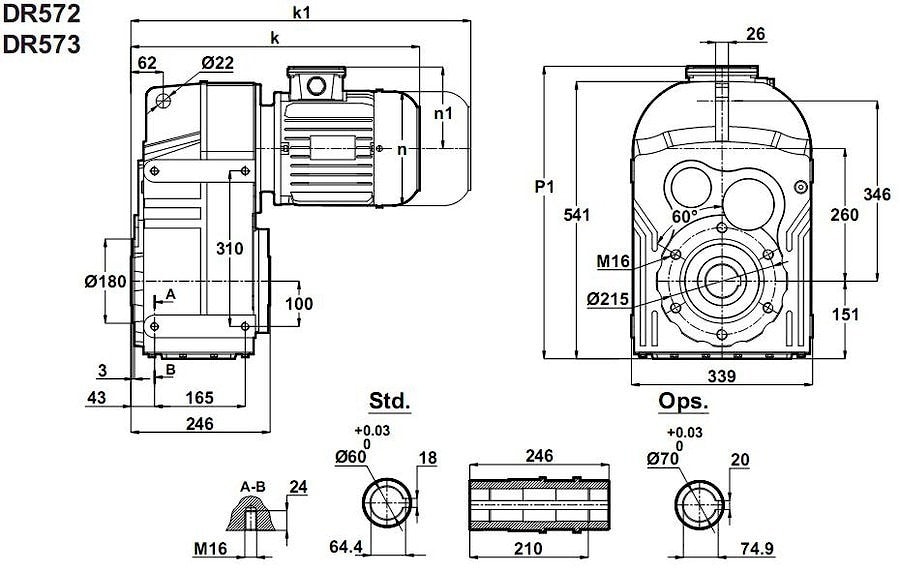
Двухступенчатый цилиндрический мотор редуктор с параллельным выходным валом DR572-180L/4, с одним из крепежных исполнением: 00 - полый вал, 01 - цельнометаллический вал, 02 - цельный вал с выходным фланцем, 03 - с полой втулкой и выходным валом, 0S - с зажимным устройством для полого вала, 0Е - с приставкой для смесителей. Комплектуются редукторные механизмы электрическим двигателем мощностью - 22 кВт.Скорость тихоходного вала: 58 об/мин - 320 об/мин.
Передаваемый крутящий момент: 650 Нм - 3000 Нм.
Гарантия: 24 месяцев.
Условное обозначение
Каталог D-series
| Обороты на выходном валу | Крутящий момент на выходном валу | Передаточное число | Радиальные нагрузки на выходной вал | Сервис фактор | Тип редуктора | Масса |
| n2 (об/мин-1) | M2 (Нм) | i | Fr (Н) | fs | m (кг) | |
| 58 | 3484 | 24,02 | 13812 | 0,9 | DR572-180L/4 | 267 |
| 65 | 3107 | 21,40 | 20664 | 1,0 | ||
| 77 | 2645 | 18,23 | 26417 | 1,1 | ||
| 89 | 2277 | 15,67 | 29953 | 1,3 | ||
| 103 | 1978 | 13,60 | 33407 | 1,5 | ||
| 118 | 1731 | 11,89 | 34228 | 1,6 | ||
| 134 | 1524 | 10,45 | 33306 | 1,7 | ||
| 162 | 1259 | 8,65 | 31399 | 1,6 | ||
| 188 | 1084 | 7,43 | 30373 | 1,8 | ||
| 217 | 942 | 6,45 | 29403 | 1,9 | ||
| 248 | 824 | 5,64 | 28484 | 2,0 | ||
| 282 | 725 | 4,96 | 27607 | 2,2 | ||
| 320 | 641 | 4,38 | 26766 | 2,3 |

Вернуться к выбору мощностей
Мотор-редуктор DR572 - является полным аналогом мотор-редуктор TNC52/ производства Tos-Znojmo , Чехия ; как технический аналог мотор-редуктор можно рассматривать относительно к моделям MPD125 и MPD125/3 , MPL125 и MPL125/3 / производства Siti , Италия ; S123 / производства Motovario , Италия ; SK5282 /производства Nord , Германия ; F602/ производства Bonfiglioli , Италия , ZF160B и ZF160C / производства Tramec , Италия .
Редуктор DT572 является аналогом редукторов PD125- , PD125/3 производства Siti / Италия ; ZA160B , ZA160C производства Tramec / Италия.
Если вы хотите купить цилиндрический редуктор DR572 , вы можете:
Позвонить:
Российская Федерация
+7 (495) 369-04-89
+7 (910) 726-725-4 (МТС) Смоленск
info@tech-privod.com
Республика Беларусь
+375 17 272-04-08 (т/ф) Минск
+375 29 61-787-61 (A1) Минск
+7 (495) 369-04-89
+7 (910) 726-725-4 (МТС) Смоленск
info@tech-privod.com
Республика Беларусь
+375 17 272-04-08 (т/ф) Минск
+375 29 61-787-61 (A1) Минск
