Соосный цилиндрический редуктор MR372, NR372 Номинальная мощность - 7,5 кВт Выходные обороты: 100 об/мин ... 500 об/мин
Номинальная мощность - 7,5 кВт
Выходные обороты: 100 об/мин ... 500 об/мин

Оптимальные выходные обороты для данного габарита 100 об/мин ... 855 об/мин.
Привод рассчитан для эксплуатации от электродвигателя в двухполюсном и четырех полюсном варианте.
Сервис-фактор (fs)
Монтажные расположения
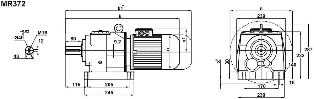
Комбинированное исполнение (лапы, фланец)
Применяемые типы масел
Условное обозначение
Каталог M-series
Обороты на выходном валу | Крутящий момент на выходном валу | Передаточное число | Радиальные нагрузки на выходной вал | Сервис фактор | Тип редуктора | Масса |
n2 (об/мин-1) | M2 (Нм) | i | Fr (Н) | fs | m (кг) | |
86 | 799 | 16,20 | 1007 | 0,9 | MR372-132M/4 NR372-132M/4 | 89 91 |
103 | 668 | 13,53 | 2316 | 1,0 | ||
112 | 616 | 12,48 | 2802 | 1,1 | ||
130 | 534 | 10,80 | 3536 | 1,2 | ||
149 | 466 | 9,41 | 4094 | 1,3 | ||
170 | 409 | 8,25 | 4519 | 1,4 | ||
205 | 339 | 6,84 | 4520 | 1,7 | ||
235 | 296 | 5,97 | 4808 | 1,8 | ||
268 | 259 | 5,23 | 5014 | 2,0 | ||
298 | 233 | 9,41 | 5113 | 2,0 | MR372-132S/2 NR372-132S/2 | 81 83 |
340 | 204 | 8,25 | 4866 | 2,2 | ||
409 | 170 | 6,84 | 4580 | 2,5 | ||
469 | 148 | 5,97 | 4351 | 2,8 | ||
536 | 130 | 5,23 | 4143 | 3,1 | ||
565 | 123 | 4,96 | 4109 | 3,1 | ||
653 | 107 | 4,29 | 3894 | 3,3 | ||
749 | 93 | 3,74 | 3701 | 3,5 | ||
855 | 81 | 3,28 | 3526 | 3,7 |


Вернуться к выбору мощностей
Соосно-цилиндрический мотор-редуктор MR372 и NR372 можно рассматривать как: полный аналог соосно-цилиндрических мотор-редукторов таких брэндов , как Varvel (Италия) , Motovario (Италия) , STM (Италия) , Transtecno (Италия) , Siti (Италия) , Tos Znojmo (Чехия) , Sew Eurodrive (Германия) , KEB (Германия) , PGR (Турция) и других .
Соосно-цилиндрический мотор-редуктор MR372 и NR372 можно рассматривать как: технический аналог соосных редукторов таких брэндов , как Bonfiglioli (Италия) , Innovari/Hydromec (Италия) , Watt Drive (Австрия) , Nord Getriebebau DriveSystems (Германия) , Bauer Gearmotors (Германия) , Lenze (Германия) .
Если вы хотите купить соосный цилиндрический редуктор MR372, NR372 , вы можете:
Позвонить:
Российская Федерация
+7 (495) 369-04-89
+7 (910) 726-725-4 (МТС) Смоленск
info@tech-privod.com
Республика Беларусь
+375 17 272-04-08 (т/ф) Минск
+375 29 61-787-61 (A1) Минск
+7 (495) 369-04-89
+7 (910) 726-725-4 (МТС) Смоленск
info@tech-privod.com
Республика Беларусь
+375 17 272-04-08 (т/ф) Минск
+375 29 61-787-61 (A1) Минск