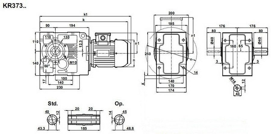
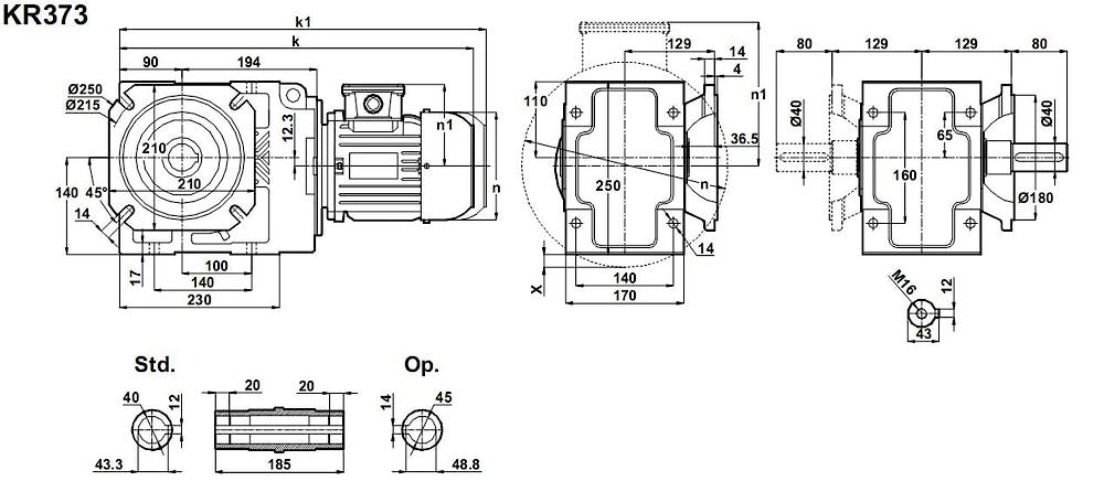
Конические редукторы KR373 100 об/мин... 400 об/мин
100 об/мин... 400 об/мин
Для самого высокого ряда передаточных чисел, а это: 6,6:1, 7,7:1, 8,5:1, 10:1, 12:1, 14,5:1, 16:1, 18,5:1, 22:1 предусмотренного для конических передач в целом, под электрический двигатель мощностью 7,5KW или 10HP, а это моторы разных модификаций 7,5/3000, 7,5/1500, 7,5/1000, 7,5/750 предлагается механический монолитный агрегат мотор-редуктор KR373-132S/2b и KR373-132M/4.Моменты варьируются в зависимости от выбираемых передаточных чисел 200 Нм - 700 Нм.
Уровень допустимых радиально-осевых нагрузок на валы - 11000 Н.
Условное обозначение
Каталог K-series
| Обороты на выходном валу | Крутящий момент на выходном валу | Передаточное число | Радиальные нагрузки на выходной вал | Сервис фактор | Тип редуктора | Масса |
| n2 (об/мин-1) | M2 (Нм) | i | Fr (Н) | fs | m (кг) | |
| 64 | 1053 | 21,9 | 6301 | 0,8 | KR373-132M/4 | 63 |
| 75 | 896 | 18,62 | 9307 | 0,9 | ||
| 88 | 767 | 15,96 | 11067 | 1,1 | ||
| 97 | 694 | 14,44 | 11858 | 1,2 | ||
| 113 | 595 | 12,38 | 12835 | 1,4 | ||
| 132 | 510 | 10,6 | 13722 | 1,6 | ||
| 140 | 479 | 9,97 | 13578 | 1,4 | ||
| 164 | 411 | 8,54 | 13295 | 1,5 | ||
| 181 | 372 | 7,73 | 13093 | 1,6 | ||
| 211 | 319 | 6,63 | 12759 | 1,9 | ||
| 247 | 273 | 5,68 | 12400 | 2,1 | ||
| 264 | 255 | 10,6 | 14185 | 2,5 | KR373-132S/2b | 66 |
| 281 | 240 | 9,97 | 13578 | 2,2 | ||
| 328 | 205 | 8,54 | 13295 | 2,5 | ||
| 362 | 186 | 7,73 | 13093 | 2,7 | ||
| 423 | 159 | 6,63 | 12759 | 3,0 |


Вернуться к выбору мощностей
Мотор-редуктор KR373 - является полным аналогом мотор-редуктора КТМ43 и МВН80 (производства Tos-Znoimo (Чешская Республика) и Siti (Италия) , анагогами, с приближенными размерностями, мотор-редукторов ТС112В , ТF112В (производитель -Tramec (Италия)) , мотор-редукторов А 41 2 и А 41 3 от Bonfiglioli (Италия), тенхническими заменителями мотор-редукторов SK9022.1 , SK9022.1 , SK9022.1 AZ (производства NORD (Германия)), В083 (от Motovario).
Редуктор КТ373 можно использовать как аналогичный (приближенный к присоеденительным размерам) редуктору КЦ1-200 российского производства , привода ТА90В (производимого Tramec (Италия)), технический аналог редукторам ВН80 (произведенных под маркой Siti (Италия)).
Если вы хотите купить конические редукторы KR373 , вы можете:
Позвонить:
Российская Федерация
+7 (495) 369-04-89
+7 (910) 726-725-4 (МТС) Смоленск
info@tech-privod.com
Республика Беларусь
+375 17 272-04-08 (т/ф) Минск
+375 29 61-787-61 (A1) Минск
+7 (495) 369-04-89
+7 (910) 726-725-4 (МТС) Смоленск
info@tech-privod.com
Республика Беларусь
+375 17 272-04-08 (т/ф) Минск
+375 29 61-787-61 (A1) Минск
