Конические редукторы KR873 8,0 об/мин... 15 об/мин
8,0 об/мин... 15 об/мин
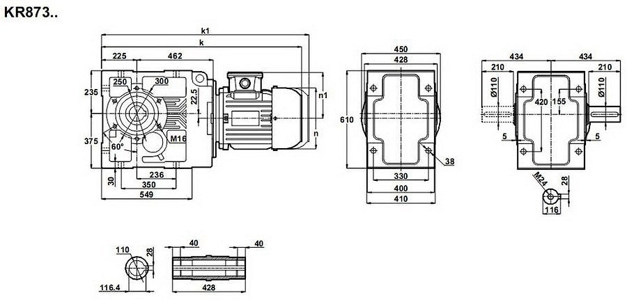
Зубчатая передача конического типа KR873-160M/6 - это мотор-редуктор промышленного назначения, содержащий коническую ступень (предназначенную для пере направления вращающего движения в плоскость, расположенную с развалом в 90 градусов) и ряд цилиндрических ступеней (предназначенных, во-первых, для редуцирования входных оборотов электродвигателя номинальной мощности -7,5 киловатт (7,5/3000, 7,5/1500, 7,5/1000, 7,5/750), до уровня 7,8 - 14 оборотов в минуту, и, во-вторых, для придания высокого крутящего момента на конце исполнительного вала 4500 - 8000 Nm.Гарантия - 24 месяца.
Условное обозначение
Каталог K-series
| Обороты на выходном валу | Крутящий момент на выходном валу | Передаточное число | Радиальные нагрузки на выходной вал | Сервис фактор | Тип редуктора | Масса |
| n2 (об/мин-1) | M2 (Нм) | i | Fr (Н) | fs | m (кг) | |
| 7,8 | 8668 | 115,87 | 121234 | 1,7 | KR873-160M/6 | 644 |
| 8,7 | 7723 | 103,24 | 123657 | 1,9 | ||
| 10 | 6942 | 92,80 | 125538 | 2,2 | ||
| 11 | 6064 | 81,06 | 125538 | 2,5 | ||
| 12,7 | 5294 | 70,76 | 125538 | 2,8 | ||
| 14 | 4670 | 62,42 | 125538 | 3,2 |


Вернуться к выбору мощностей
Мотор-редуктор KR873 - полный аналог мотор-редукторов SK9082.1 , SK9082.1 VF , SK9082.1 AZ (Nord (Германия), можно рассматривать как технический аналог мотор-редукторов марок B163 (от Motovario (Италия)) , МВН180 (Siti (Италия) A 904 (производства Bonfiglioli (Италия)).
Редуктор КТ873 можно рассматривать как аналогичный (приближенным по крепежным размерам) редукторам ВН180, ВН200 (произведенных под маркой Siti (Италия)) и технический аналог редукторам КЦ1-500 , КЦ2-250Н (производства "Зарем").
Если вы хотите купить конические редукторы KR873 , вы можете:
Позвонить:
Российская Федерация
+7 (495) 369-04-89
+7 (910) 726-725-4 (МТС) Смоленск
info@tech-privod.com
Республика Беларусь
+375 17 272-04-08 (т/ф) Минск
+375 29 61-787-61 (A1) Минск
+7 (495) 369-04-89
+7 (910) 726-725-4 (МТС) Смоленск
info@tech-privod.com
Республика Беларусь
+375 17 272-04-08 (т/ф) Минск
+375 29 61-787-61 (A1) Минск
