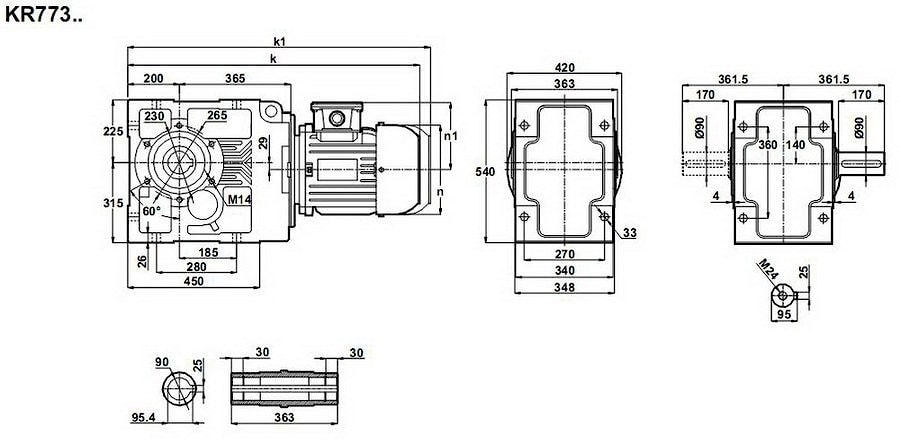
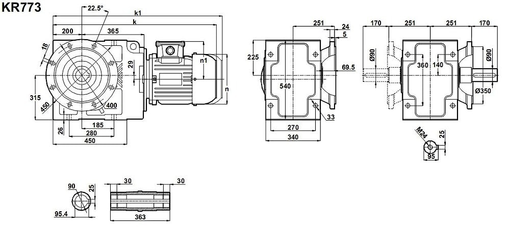
Конические редукторы KR773 10 об/мин... 30 об/мин
10 об/мин... 30 об/мин
Для подвода мощного усилия, исходящего от асинхронного обще промышленного электродвигателя 7,5 KW переменного тока, к исполнительному механизму используют моторредуктор KR773-132M/4 или KR773-160M/6.Передаточные числа i=50 ... i=100.
Вращательные моменты: 3000 - 8000 Нм.
Обладает всеми достоинствами конических передач: компактность, высокий уровень радиально осевых нагрузок, высокий КПД, устойчивость к тяжелейшим режимам работы и др.
Условное обозначение
Каталог K-series
| Обороты на выходном валу | Крутящий момент на выходном валу | Передаточное число | Радиальные нагрузки на выходной вал | Сервис фактор | Тип редуктора | Масса |
| n2 (об/мин-1) | M2 (Нм) | i | Fr (Н) | fs | m (кг) | |
| 8,1 | 8884 | 111,63 | 64181 | 0,9 | KR773-160M/6 | 643 |
| 9,1 | 7879 | 99,00 | 69123 | 1,0 | ||
| 10 | 7048 | 88,57 | 72750 | 1,1 | ||
| 12 | 6095 | 76,59 | 71530 | 1,3 | ||
| 13 | 5711 | 111,63 | 75919 | 1,4 | KR773-132M/4 | 643 |
| 14 | 5065 | 99,00 | 74631 | 1,6 | ||
| 16 | 4531 | 88,57 | 73336 | 1,8 | ||
| 18 | 3918 | 76,59 | 71530 | 2,0 | ||
| 21 | 3393 | 66,32 | 69638 | 2,4 | ||
| 24 | 2967 | 58,00 | 67814 | 2,7 | ||
| 27 | 2616 | 51,13 | 66057 | 3,1 |


Вернуться к выбору мощностей
Мотор-редуктор KR773 - полный аналог мотор-редуктора B153 (от Motovario (Италия)) , МВН160 (Siti (Италия) мотор-редукторов SK9062.1 , SK9062.1 VF , SK9062.1 AZ (Nord (Германия), можно рассматривать как технический аналог мотор-редукторов марок ТС225В , TF225В ТС200В , TF200В (марки от Tramec (Италия)) VF250 , A803 (производства Bonfiglioli (Италия)). Редуктор КТ773 можно рассматривать как аналогичный редукторам КЦ1-400 , КЦ2-750 (российского производства), редуктора ТА200В, ТА225В (производимого Tramec (Италия)), технический аналог редукторам ВН160 (произведенных под маркой Siti (Италия)) и технический аналог редукторам КЦ2-200Н (производителя "Зарем").
Если вы хотите купить конические редукторы KR773 , вы можете:
Позвонить:
Российская Федерация
+7 (495) 369-04-89
+7 (910) 726-725-4 (МТС) Смоленск
info@tech-privod.com
Республика Беларусь
+375 17 272-04-08 (т/ф) Минск
+375 29 61-787-61 (A1) Минск
+7 (495) 369-04-89
+7 (910) 726-725-4 (МТС) Смоленск
info@tech-privod.com
Республика Беларусь
+375 17 272-04-08 (т/ф) Минск
+375 29 61-787-61 (A1) Минск
