Конические редукторы KR673 20 об/мин... 50 об/мин
20 об/мин... 50 об/мин
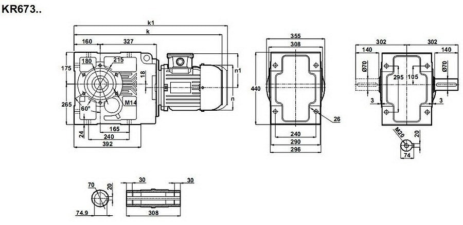
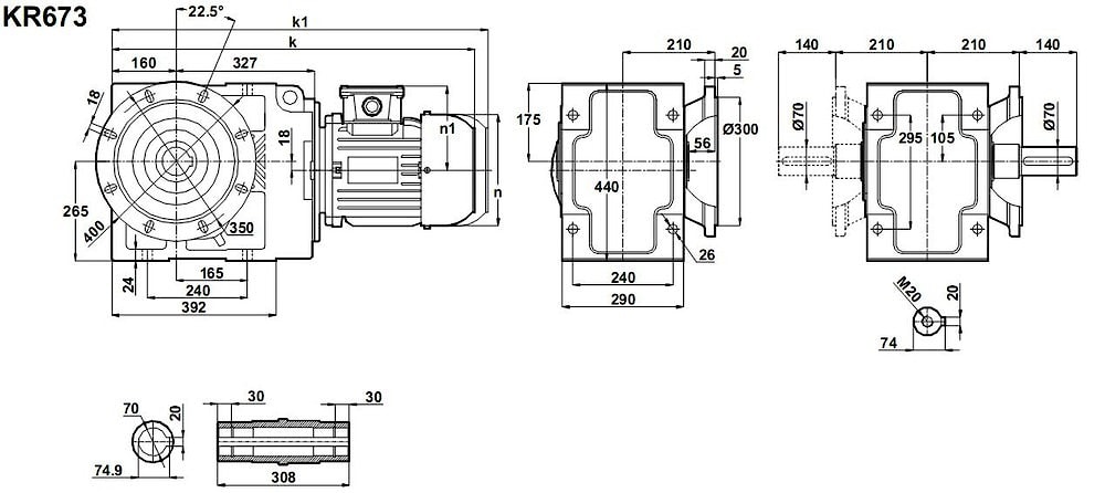
Трехступенчатая цилиндро коническая зубчатая передача для функционирования от промышленного электромотора мощностью 7,5кВт представлена мотор-редуктором KR673-132M/4.Эффективно эксплуатировать привод для получения выходных оборотов в диапазоне от 17 до 50 оборотов в минуту. Передаваемые усилия варьируются в зависимости от передаточного числа, от 1500 Нм до 4000 Нм.
Литой чугунный корпус, высокий уровень допустимых радиальных нагрузок - 39000 Н.
Условное обозначение
Каталог K-series
| Обороты на выходном валу | Крутящий момент на выходном валу | Передаточное число | Радиальные нагрузки на выходной вал | Сервис фактор | Тип редуктора | Масса |
| n2 (об/мин-1) | M2 (Нм) | i | Fr (Н) | fs | m (кг) | |
| 14 | 5162 | 100,90 | 24798 | 0,8 | KR673-132M/4 | 642 |
| 16 | 4615 | 90,21 | 30702 | 0,9 | ||
| 17 | 4112 | 80,38 | 34903 | 1,0 | ||
| 20 | 3503 | 68,47 | 39142 | 1,2 | ||
| 24 | 3011 | 58,86 | 42080 | 1,4 | ||
| 27 | 2613 | 51,08 | 44198 | 1,6 | ||
| 31 | 2285 | 44,65 | 44548 | 1,9 | ||
| 43 | 1672 | 32,68 | 42241 | 2,6 | ||
| 50 | 1437 | 28,10 | 41025 | 3,0 |


Вернуться к выбору мощностей
Мотор-редуктор KR673 - полный аналог мотор-редуктора B143 (от Motovario (Италия)) , МВН140 (Siti (Италия) мотор-редукторов SK9052.1 , SK9052.1 VF , SK9052.1 AZ (Nord (Германия), можно рассматривать как технический аналог мотор-редукторов марок ТС180В , TF180В (марки от Tramec (Италия)) VF210 , A703 (производства Bonfiglioli (Италия)).
Редуктор КТ673 можно рассматривать как аналогичный редуктору КЦ2-500 российского производства , редуктора ТА180В, ТС180В , ТF180В , производимого Tramec (Италия), аналог редуктора RT180A и RТ180A-FF производства Tos-Znojmo (Чехия), технический аналог редукторам ВН140, МВН140, произведенных под маркой Siti (Италия) и технический аналог редукторам КЦ1-300 , КЦ2-160Н производителя "Зарем"
Если вы хотите купить конические редукторы KR673 , вы можете:
Позвонить:
Российская Федерация
+7 (495) 369-04-89
+7 (910) 726-725-4 (МТС) Смоленск
info@tech-privod.com
Республика Беларусь
+375 17 272-04-08 (т/ф) Минск
+375 29 61-787-61 (A1) Минск
+7 (495) 369-04-89
+7 (910) 726-725-4 (МТС) Смоленск
info@tech-privod.com
Республика Беларусь
+375 17 272-04-08 (т/ф) Минск
+375 29 61-787-61 (A1) Минск
