Конические редукторы KR473 50 об/мин... 300 об/мин
50 об/мин... 300 об/мин
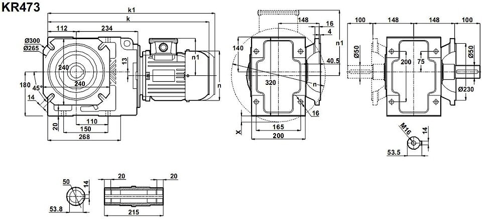
Конический цилиндрический мотор редуктор KR473-132S/2b и KR473-132M/4 служит как передаточный трансмиссионный механизм с широким диапазон передаточных чисел i=9.0 ... i=40 в промышленных условиях.Асинхронный электродвигатель переменного тока 380V/400V номинальной мощностью 7,5 кВт, IP54/IP55 используется как привод для получения крутящего момента 300 - 1500 ньютонов на метр.
Редуктор заправлен промышленной синтетической сказкой.
Монтажные положения и размещения, эксплуатационные сервисные принадлежности, фланцы, валы, реактивные тяги.
Условное обозначение
Каталог K-series
| Обороты на выходном валу | Крутящий момент на выходном валу | Передаточное число | Радиальные нагрузки на выходной вал | Сервис фактор | Тип редуктора | Масса |
| n2 (об/мин-1) | M2 (Нм) | i | Fr (Н) | fs | m (кг) | |
| 36 | 2001 | 39,11 | 9562 | 0,8 | KR473-132M/4 | 98 |
| 46 | 1540 | 30,11 | 15614 | 1,0 | ||
| 56 | 1287 | 25,15 | 17868 | 1,2 | ||
| 59 | 1216 | 23,76 | 18455 | 1,3 | ||
| 60 | 1187 | 23,19 | 18695 | 1,3 | ||
| 70 | 1027 | 20,07 | 20184 | 1,4 | ||
| 80 | 895 | 17,49 | 20546 | 1,6 | ||
| 91 | 784 | 15,33 | 20130 | 1,7 | ||
| 102 | 702 | 13,71 | 18793 | 1,4 | ||
| 118 | 607 | 11,87 | 18409 | 1,6 | ||
| 135 | 529 | 10,34 | 18008 | 1,8 | ||
| 154 | 464 | 9,06 | 17595 | 2,0 | ||
| 187 | 383 | 7,48 | 16965 | 2,3 | ||
| 225 | 318 | 6,21 | 16326 | 2,6 | ||
| 236 | 304 | 11,87 | 18409 | 2,6 | KR473-132S/2b | 98 |
| 271 | 265 | 10,34 | 18008 | 2,9 | ||
| 309 | 232 | 9,06 | 17595 | 3,2 |

Вернуться к выбору мощностей
Мотор-редуктор KR473 - полный аналог мотор-редуктора B103 (от Motovario (Италия)) КТМ53 (Tos-Znojmo (Чехия) МВН100 (Siti (Италия) мотор-редукторов SK9032.1 , SK9032.1 VF , SK9032/1 AZ (NORD (Германия), можно рассматривать как технический аналог мотор-редукторов марок RMI150, RMI150FL , WMI150 (выпускаемых STM (Италия) , MRT150A , MRT150A-FT , MRT150-FF (производство Tos Znojmo (Чехия) , MI150 и MI150-F (произведенных Siti (Италия), MRS150 , MRT150 , SRS150 , SRT150 , 7МЧ-М-150 (производства Varvel (Италия)/Приводная техника (Россия)), мотор-редукторов VF150, А502 и А503 (Bonfiglioli (Италия)).
Редуктор КТ473 можно использовать как технический аналог редуктору КЦ1-250 (российского производства) , привода ВН100 ( произведенных под маркой Siti (Италия)).
Если вы хотите купить конические редукторы KR473 , вы можете:
Позвонить:
Российская Федерация
+7 (495) 369-04-89
+7 (910) 726-725-4 (МТС) Смоленск
info@tech-privod.com
Республика Беларусь
+375 17 272-04-08 (т/ф) Минск
+375 29 61-787-61 (A1) Минск
+7 (495) 369-04-89
+7 (910) 726-725-4 (МТС) Смоленск
info@tech-privod.com
Республика Беларусь
+375 17 272-04-08 (т/ф) Минск
+375 29 61-787-61 (A1) Минск
