Соосный цилиндрический редуктор MR282, NR282 Номинальная мощность - 7,5 кВт Выходные обороты: 170 об/мин ... 900 об/мин
Номинальная мощность - 7,5 кВт
Выходные обороты: 170 об/мин ... 900 об/мин

Номинальный крутящий момент - 350 Nm.
Предел радиальных и осевых нагрузок, приходящихся на исполнительный вал, находится в пределах 2000 N - 2500 N.
Задействованные моторы имеют различные конструкционные изготовления: двух полюсные, четырех полюсные, допускается использовать шести полюсные и даже восьми полюсные.
Гарантия - 24 месяца
Сервис-фактор (fs)
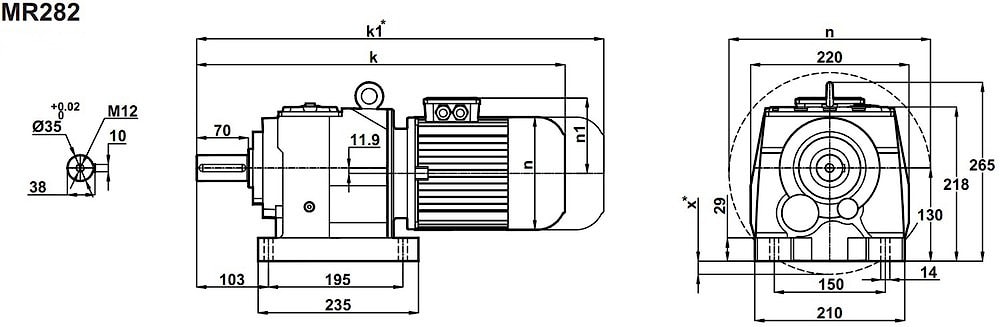
Монтажные расположения
Комбинированное исполнение (лапы, фланец)
Применяемые типы масел
Условное обозначение
Каталог M-series
Обороты на выходном валу | Крутящий момент на выходном валу | Передаточное число | Радиальные нагрузки на выходной вал | Сервис фактор | Тип редуктора | Масса |
n2 (об/мин-1) | M2 (Нм) | i | Fr (Н) | fs | m (кг) | |
146 | 476 | 9,61 | 1385 | 0,8 | MR282-132M/4 NR282-132M/4 | 81 83 |
168 | 412 | 8,33 | 1967 | 0,9 | ||
194 | 357 | 7,21 | 2438 | 1,0 | ||
224 | 310 | 6,25 | 2024 | 1,2 | ||
262 | 265 | 5,35 | 2448 | 1,2 | ||
303 | 229 | 4,62 | 2760 | 1,2 | ||
333 | 208 | 4,20 | 2920 | 1,2 | ||
385 | 180 | 3,64 | 3113 | 1,3 | ||
444 | 156 | 3,15 | 3253 | 1,4 | ||
524 | 133 | 5,35 | 3358 | 2,0 | MR282-132S/2b NR282-132/S2b | 73 75 |
607 | 114 | 4,62 | 3329 | 2,0 | ||
667 | 104 | 4,20 | 3212 | 2,0 | ||
769 | 90 | 3,64 | 3043 | 2,1 | ||
889 | 78 | 3,15 | 2884 | 2,2 |


Вернуться к выбору мощностей
Соосно-цилиндрический мотор-редуктор MR282 и NR282 можно рассматривать как: полный аналог соосно-цилиндрических мотор-редукторов таких брэндов , как Varvel (Италия) , Motovario (Италия) , STM (Италия) , Transtecno (Италия) , Siti (Италия) , Tos Znojmo (Чехия) , Sew Eurodrive (Германия) , KEB (Германия) , PGR (Турция) и других .
Соосно-цилиндрический мотор-редуктор MR282 и NR282 можно рассматривать как: технический аналог соосных редукторов таких брэндов , как Bonfiglioli (Италия) , Innovari/Hydromec (Италия) , Watt Drive (Австрия) , Nord Getriebebau DriveSystems (Германия) , Bauer Gearmotors (Германия) , Lenze (Германия) .
Если вы хотите купить соосный цилиндрический редуктор MR282, NR282 , вы можете:
Позвонить:
Российская Федерация
+7 (495) 369-04-89
+7 (910) 726-725-4 (МТС) Смоленск
info@tech-privod.com
Республика Беларусь
+375 17 272-04-08 (т/ф) Минск
+375 29 61-787-61 (A1) Минск
+7 (495) 369-04-89
+7 (910) 726-725-4 (МТС) Смоленск
info@tech-privod.com
Республика Беларусь
+375 17 272-04-08 (т/ф) Минск
+375 29 61-787-61 (A1) Минск