Соосный цилиндрический редуктор MR973, NR973 Номинальная мощность - 7,5кВт Выходные обороты - 4,0 об/мин ... 10 об/мин
Номинальная мощность - 7,5кВт
Выходные обороты - 4,0 об/мин ... 10 об/мин
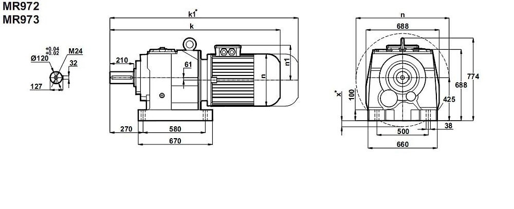
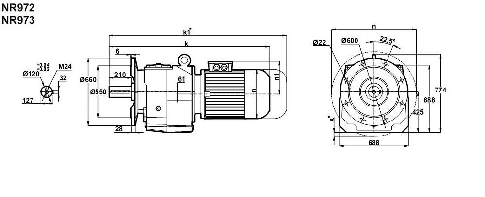
Соосный цилиндрический мотор-редуктор MR973-132M/6 (с исполнением на лапах) NR973-132M/6 (фланцевого исполнения) - это промышленный трансмиссионный редукторный механизм представляет собой соосный привод для функционирования от электромотора мощностью 7,5 кВт, скорость оборотов выходного вала: 4,8 об/мин - 11 об/мин,Номинальный крутящий момент на конце исполнительного вала - 15000 Нм.
Допустимые предельные радиальные и осевые нагрузки - 130000Н.
Гарантия - 24 месяца.
Сервис-фактор (fs)
Монтажные расположения
Применяемые типы масел
Условное обозначение
Каталог M-series
| Обороты на выходном валу | Крутящий момент на выходном валу | Передаточное число | Радиальные нагрузки на выходной вал | Сервис фактор | Тип редуктора | Масса |
| n2 (об/мин-1) | M2 (Нм) | i | Fr (Н) | fs | m (кг) | |
| 4,8 | 14013 | 186,95 | 126854 | 1,3 | MR973-132M/6 NR973-132M/6 | 1090 1140 |
| 5,4 | 12512 | 166,73 | 133170 | 1,4 | ||
| 6,0 | 11270 | 150,02 | 138391 | 1,6 | ||
| 6,8 | 9969 | 132,83 | 143086 | 1,8 | ||
| 7,7 | 8732 | 116,17 | 147292 | 2,1 | ||
| 8,8 | 7729 | 102,69 | 150321 | 2,3 | ||
| 9,8 | 6899 | 91,56 | 152833 | 2,6 | ||
| 11 | 6200 | 82,20 | 155001 | 2,9 |
Вернуться к выбору мощностей
Соосно-цилиндрический мотор-редуктор MR973 и NR973 можно рассматривать как: полный аналог соосно-цилиндрических мотор-редукторов таких брэндов , как Varvel (Италия) , Motovario (Италия) , STM (Италия) , Transtecno (Италия) , Siti (Италия) , Tos Znojmo (Чехия) , Sew Eurodrive (Германия) , KEB (Германия) , PGR (Турция) и других .
Соосно-цилиндрический мотор-редуктор MR973 и NR973 можно рассматривать как: технический аналог соосных редукторов таких брэндов , как Bonfiglioli (Италия) , Innovari/Hydromec (Италия) , Watt Drive (Австрия) , Nord Getriebebau DriveSystems (Германия) , Bauer Gearmotors (Германия) , Lenze (Германия) .
Если вы хотите купить соосный цилиндрический редуктор MR973, NR973 , вы можете:
Позвонить:
Российская Федерация
+7 (495) 369-04-89
+7 (910) 726-725-4 (МТС) Смоленск
info@tech-privod.com
Республика Беларусь
+375 17 272-04-08 (т/ф) Минск
+375 29 61-787-61 (A1) Минск
+7 (495) 369-04-89
+7 (910) 726-725-4 (МТС) Смоленск
info@tech-privod.com
Республика Беларусь
+375 17 272-04-08 (т/ф) Минск
+375 29 61-787-61 (A1) Минск
