Соосный цилиндрический редуктор MR372, NR372 Номинальная мощность - 5,5 кВт Выходные обороты - 90 об/мин ... 370 об/мин
Номинальная мощность - 5,5 кВт
Выходные обороты - 90 об/мин ... 370 об/мин
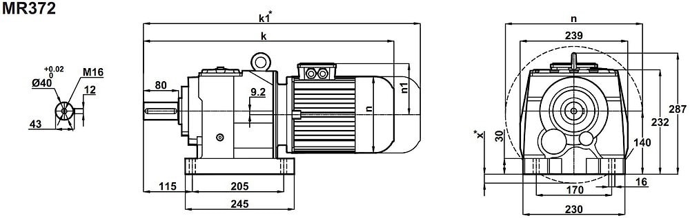
Соосно-цилиндрический мотор-редуктор MR372-132S/4 (исполнение на лапах), NR372-132S/4 (фланцевое исполнение) представляет собой линейную редукторную часть и электродвигатель. Процесс приращения крутящего момента на выходном валу трансмиссии происходит за счет потребления энергии угловой скорости входного вала, происходящего во время редукции оборотов. Номинальный крутящий момент - 580 Nm, при подводимом электродвигателе мощностью - 5,5 кВт.
Эффективный ряд передаточных чисел для данного габарита i=4,0 ... i=16 (при минимальных требованиях к сервис-фактору).
Привод выпускается в исполнении на лапах, во фланцевом исполнении и в комбинированном исполнении.
Сервис-фактор (fs)
Монтажные расположения
Комбинированное исполнение (лапы, фланец)
Применяемые типы масел
Условное обозначение
Каталог M-series
| Обороты на выходном валу | Крутящий момент на выходном валу | Передаточное число | Радиальные нагрузки на выходной вал | Сервис фактор | Тип редуктора | Масса |
| n2 (об/мин-1) | M2 (Нм) | i | Fr (Н) | fs | m (кг) | |
| 86 | 586 | 16,2 | 4431 | 1,2 | MR372-132S/4 NR372-132S/4 | 80 82 |
| 103 | 490 | 13,53 | 5175 | 1,4 | ||
| 112 | 452 | 12,48 | 5440 | 1,4 | ||
| 130 | 391 | 10,8 | 5819 | 1,6 | ||
| 149 | 341 | 9,41 | 6083 | 1,7 | ||
| 170 | 299 | 8,25 | 6190 | 1,9 | ||
| 205 | 248 | 6,84 | 5828 | 2,3 | ||
| 235 | 217 | 5,97 | 5533 | 2,4 | ||
| 268 | 190 | 5,23 | 5265 | 2,7 | ||
| 282 | 180 | 4,96 | 5165 | 2,8 | ||
| 326 | 156 | 4,29 | 4987 | 2,8 | ||
| 374 | 136 | 3,74 | 4933 | 3,0 |
Вернуться к выбору мощностей
Соосно-цилиндрический мотор-редуктор MR372 и NR372 можно рассматривать как: полный аналог соосно-цилиндрических мотор-редукторов таких брэндов , как Varvel (Италия) , Motovario (Италия) , STM (Италия) , Transtecno (Италия) , Siti (Италия) , Tos Znojmo (Чехия) , Sew Eurodrive (Германия) , KEB (Германия) , PGR (Турция) и других .
Соосно-цилиндрический мотор-редуктор MR372 и NR372 можно рассматривать как: технический аналог соосных редукторов таких брэндов , как Bonfiglioli (Италия) , Innovari/Hydromec (Италия) , Watt Drive (Австрия) , Nord Getriebebau DriveSystems (Германия) , Bauer Gearmotors (Германия) , Lenze (Германия) .
Если вы хотите купить соосный цилиндрический редуктор MR372, NR372 , вы можете:
Позвонить:
Российская Федерация
+7 (495) 369-04-89
+7 (910) 726-725-4 (МТС) Смоленск
info@tech-privod.com
Республика Беларусь
+375 17 272-04-08 (т/ф) Минск
+375 29 61-787-61 (A1) Минск
+7 (495) 369-04-89
+7 (910) 726-725-4 (МТС) Смоленск
info@tech-privod.com
Республика Беларусь
+375 17 272-04-08 (т/ф) Минск
+375 29 61-787-61 (A1) Минск
