Конические редукторы KR373 60 об/мин ... 500 об/мин
60 об/мин ... 500 об/мин
Для пяти киловаттного асинхронного электродвигателя переменного тока 380/400 V, а также достижения скорости выходного вала 49 - 514 оборотов в минуту, следует выбирать коническо-цилиндрический мотор-редуктор KR373-132S/4 (с двигателем в четырех полюсном исполнении) KR373-132S/2a (с двигателем в двух полюсном исполнении).Получаемый крутящий момент на конце выходного вала - 100 - 1000 N*m.
Допустимые радиально аксиальные нагрузки - 13000N.
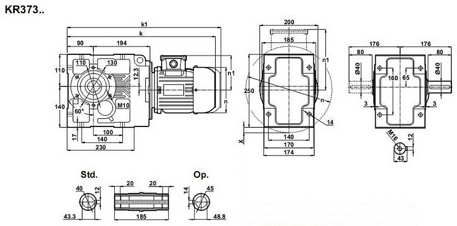
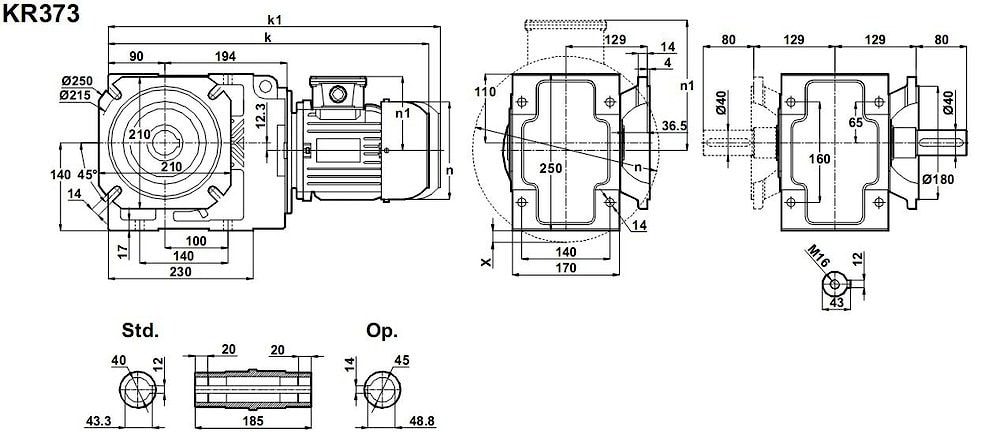
Условное обозначение
Каталог K-series
| Обороты на выходном валу | Крутящий момент на выходном валу | Передаточное число | Радиальные нагрузки на выходной вал | Сервис фактор | Тип редуктора | Масса |
| n2 (об/мин-1) | M2 (Нм) | i | Fr (Н) | fs | m (кг) | |
| 49 | 1018 | 28,85 | 7101 | 0,8 | KR373-132S/4 | 87 |
| 57 | 872 | 24,72 | 9666 | 0,9 | ||
| 64 | 772 | 21,9 | 10984 | 1,1 | ||
| 75 | 657 | 18,62 | 12246 | 1,2 | ||
| 88 | 563 | 15,96 | 13150 | 1,5 | ||
| 97 | 509 | 14,44 | 13596 | 1,6 | ||
| 113 | 437 | 12,38 | 14172 | 1,9 | ||
| 132 | 374 | 10,6 | 14726 | 2,2 | ||
| 140 | 352 | 9,97 | 14483 | 1,9 | ||
| 164 | 301 | 8,54 | 14069 | 2,1 | ||
| 181 | 273 | 7,73 | 13793 | 2,2 | ||
| 211 | 234 | 6,63 | 13358 | 2,5 | ||
| 247 | 200 | 5,68 | 12912 | 2,9 | ||
| 276 | 179 | 10,15 | 12912 | 3,6 | KR373-132S/2a | 81 |
| 293 | 169 | 9,56 | 12912 | 3,1 | ||
| 342 | 144 | 8,19 | 12912 | 3,5 | ||
| 378 | 131 | 7,41 | 12912 | 3,8 | ||
| 440 | 112 | 6,36 | 12912 | 4,3 | ||
| 514 | 96 | 5,44 | 12912 | 4,9 |


Вернуться к выбору мощностей
Мотор-редуктор KR373 - является полным аналогом мотор-редуктора КТМ43 и МВН80 (производства Tos-Znoimo (Чешская Республика) и Siti (Италия) , анагогами, с приближенными размерностями, мотор-редукторов ТС112В , ТF112В (производитель -Tramec (Италия)) , мотор-редукторов А 41 2 и А 41 3 от Bonfiglioli (Италия), тенхническими заменителями мотор-редукторов SK9022.1 , SK9022.1 , SK9022.1 AZ (производства NORD (Германия)), В083 (от Motovario).
Редуктор КТ373 можно использовать как аналогичный (приближенный к присоеденительным размерам) редуктору КЦ1-200 российского производства , привода ТА90В (производимого Tramec (Италия)), технический аналог редукторам ВН80 (произведенных под маркой Siti (Италия)).
Если вы хотите купить конические редукторы KR373 , вы можете:
Позвонить:
Российская Федерация
+7 (495) 369-04-89
+7 (910) 726-725-4 (МТС) Смоленск
info@tech-privod.com
Республика Беларусь
+375 17 272-04-08 (т/ф) Минск
+375 29 61-787-61 (A1) Минск
+7 (495) 369-04-89
+7 (910) 726-725-4 (МТС) Смоленск
info@tech-privod.com
Республика Беларусь
+375 17 272-04-08 (т/ф) Минск
+375 29 61-787-61 (A1) Минск
