Конические редукторы KR773 8,0 об/мин... 20 об/мин
8,0 об/мин... 20 об/мин
При расчетах использования для передачи вращательных моментов в промышленных нуждах конической трансмиссии номинальной мощностью 5,5 KW принято запрашивать мотор редуктор KR773-132S/4 и KR773-132M/6b.Крутящее усилие передаваемое исполнительным устройствам и механизмам - 2500 - 6500 ньютонов на метр.
Передаточное число редукторной части i=65, i= 75, i= 90, i= 100, i= 110.
Пространственные размещения мотор редуктор В3, В5, В5', В6, В7, В8, V1, V2, V3, V4, V5, V6, H3, H4, H5, H6.
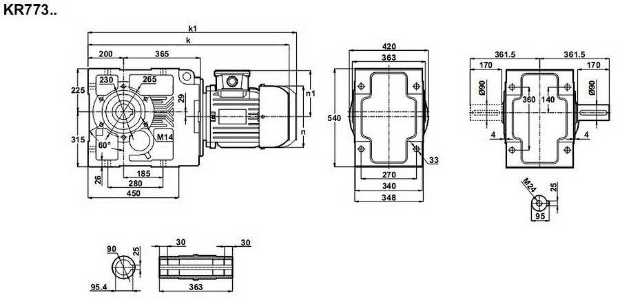
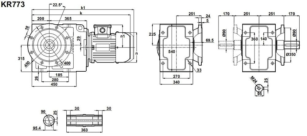
Условное обозначение
Каталог K-series
| Обороты на выходном валу | Крутящий момент на выходном валу | Передаточное число | Радиальные нагрузки на выходной вал | Сервис фактор | Тип редуктора | Масса |
| n2 (об/мин-1) | M2 (Нм) | i | Fr (Н) | fs | m (кг) | |
| 8,1 | 6515 | 111,63 | 74890 | 1,2 | KR773-132M/6b | 416 |
| 9,1 | 5778 | 99,00 | 77629 | 1,4 | ||
| 10 | 5169 | 88,57 | 77142 | 1,5 | ||
| 12 | 4470 | 76,59 | 74821 | 1,8 | ||
| 13 | 4188 | 111,63 | 80716 | 1,9 | KR773-132S/4 | 420 |
| 14 | 3714 | 99,00 | 78886 | 2,2 | ||
| 16 | 3323 | 88,57 | 77142 | 2,4 | ||
| 18 | 2873 | 76,59 | 74821 | 2,8 | ||
| 21 | 2488 | 66,32 | 72488 | 3,2 |


Вернуться к выбору мощностей
Мотор-редуктор KR773 - полный аналог мотор-редуктора B153 (от Motovario (Италия)) , МВН160 (Siti (Италия) мотор-редукторов SK9062.1 , SK9062.1 VF , SK9062.1 AZ (Nord (Германия), можно рассматривать как технический аналог мотор-редукторов марок ТС225В , TF225В ТС200В , TF200В (марки от Tramec (Италия)) VF250 , A803 (производства Bonfiglioli (Италия)). Редуктор КТ773 можно рассматривать как аналогичный редукторам КЦ1-400 , КЦ2-750 (российского производства), редуктора ТА200В, ТА225В (производимого Tramec (Италия)), технический аналог редукторам ВН160 (произведенных под маркой Siti (Италия)) и технический аналог редукторам КЦ2-200Н (производителя "Зарем").
Если вы хотите купить конические редукторы KR773 , вы можете:
Позвонить:
Российская Федерация
+7 (495) 369-04-89
+7 (910) 726-725-4 (МТС) Смоленск
info@tech-privod.com
Республика Беларусь
+375 17 272-04-08 (т/ф) Минск
+375 29 61-787-61 (A1) Минск
+7 (495) 369-04-89
+7 (910) 726-725-4 (МТС) Смоленск
info@tech-privod.com
Республика Беларусь
+375 17 272-04-08 (т/ф) Минск
+375 29 61-787-61 (A1) Минск
