Конические редукторы KR473 30 об/мин ... 200 об/мин
30 об/мин ... 200 об/мин
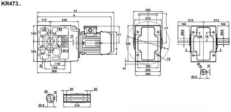
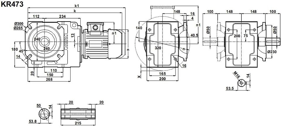
Еще одна модель из типовых коническо-цилиндрических передач представлена мотор-редуктором KR473-132S/4.Высокая угловая скорость электродвигателя мощностью 5,5 кВт преобразуется в высокий крутящий момент 350 Н*м - 1400 Н*м (в зависимости от передаточного отношения) к исполнительным устройствам.
Рационально использовать привод для получения 36 об/мин ... 187 об/мин.
На стадии изготовления трансмиссия может быть адаптирована к требуемым посадочным размерам; дополняет предложение - изготовление пользовательских полых валов, выходных валов, цельных валов, реактивных штанг и т.д.
Условное обозначение
Каталог K-series
| Обороты на выходном валу | Крутящий момент на выходном валу | Передаточное число | Радиальные нагрузки на выходной вал | Сервис фактор | Тип редуктора | Масса |
| n2 (об/мин-1) | M2 (Нм) | i | Fr (Н) | fs | m (кг) | |
| 27 | 1922 | 51,22 | 10922 | 0,8 | KR473-132S/4 | 121 |
| 36 | 1467 | 39,11 | 16352 | 1,1 | ||
| 46 | 1130 | 30,11 | 19074 | 1,4 | ||
| 56 | 944 | 25,15 | 20293 | 1,6 | ||
| 59 | 891 | 23,76 | 20625 | 1,7 | ||
| 60 | 870 | 23,19 | 20749 | 1,8 | ||
| 70 | 753 | 20,07 | 21743 | 2.0 | ||
| 80 | 656 | 17,49 | 21747 | 2,2 | ||
| 91 | 575 | 15,33 | 21182 | 2,4 | ||
| 102 | 514 | 13,71 | 19991 | 2.0 | ||
| 118 | 445 | 11,87 | 19446 | 2,2 | ||
| 135 | 388 | 10,34 | 18911 | 2,4 | ||
| 154 | 340 | 9,06 | 18387 | 2,7 | ||
| 187 | 281 | 7,48 | 17619 | 3,1 |


Вернуться к выбору мощностей
Мотор-редуктор KR473 - полный аналог мотор-редуктора B103 (от Motovario (Италия)) КТМ53 (Tos-Znojmo (Чехия) МВН100 (Siti (Италия) мотор-редукторов SK9032.1 , SK9032.1 VF , SK9032/1 AZ (NORD (Германия), можно рассматривать как технический аналог мотор-редукторов марок RMI150, RMI150FL , WMI150 (выпускаемых STM (Италия) , MRT150A , MRT150A-FT , MRT150-FF (производство Tos Znojmo (Чехия) , MI150 и MI150-F (произведенных Siti (Италия), MRS150 , MRT150 , SRS150 , SRT150 , 7МЧ-М-150 (производства Varvel (Италия)/Приводная техника (Россия)), мотор-редукторов VF150, А502 и А503 (Bonfiglioli (Италия)).
Редуктор КТ473 можно использовать как технический аналог редуктору КЦ1-250 (российского производства) , привода ВН100 ( произведенных под маркой Siti (Италия)).
Если вы хотите купить конические редукторы KR473 , вы можете:
Позвонить:
Российская Федерация
+7 (495) 369-04-89
+7 (910) 726-725-4 (МТС) Смоленск
info@tech-privod.com
Республика Беларусь
+375 17 272-04-08 (т/ф) Минск
+375 29 61-787-61 (A1) Минск
+7 (495) 369-04-89
+7 (910) 726-725-4 (МТС) Смоленск
info@tech-privod.com
Республика Беларусь
+375 17 272-04-08 (т/ф) Минск
+375 29 61-787-61 (A1) Минск
