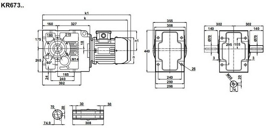
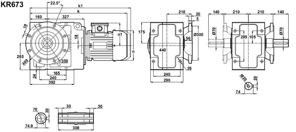
Конические редукторы KR673 15 об/мин... 30 об/мин
15 об/мин... 30 об/мин
Конический цилиндрический моторредуктор KR673-132S/4 - мощная трехступенчатая коническая передача, приводимая от электроустановки мощностью - 5,5 кВт (5,5/1500 или 5,5/1000) с расчетными эффективными оборотами выходного вала: 11 об/мин ... 31 об/мин.Получаемый крутящий момент на конце выходного вала - 2000 Н*м - 3500 Н*м
Имеется ряд конструктивных крепежных присоединительных дополнений к данному моторредуктору, что облегчает его монтажное размещение, расположение, крепление и эксплуатацию.
Условное обозначение
Каталог K-series
| Обороты на выходном валу | Крутящий момент на выходном валу | Передаточное число | Радиальные нагрузки на выходной вал | Сервис фактор | Тип редуктора | Масса |
| n2 (об/мин-1) | M2 (Нм) | i | Fr (Н) | fs | m (кг) | |
| 11 | 4811 | 128,24 | 28708 | 0,9 | KR673-132S/4 | 258 |
| 14 | 3786 | 100,9 | 37280 | 1,1 | ||
| 16 | 3384 | 90,21 | 39906 | 1,3 | ||
| 17 | 3016 | 80,38 | 42073 | 1,4 | ||
| 20 | 2569 | 68,47 | 44433 | 1,7 | ||
| 24 | 2208 | 58,86 | 46146 | 1,9 | ||
| 27 | 1916 | 51,08 | 47423 | 2,2 | ||
| 31 | 1675 | 44,65 | 47046 | 2,6 |


Вернуться к выбору мощностей
Мотор-редуктор KR673 - полный аналог мотор-редуктора B143 (от Motovario (Италия)) , МВН140 (Siti (Италия) мотор-редукторов SK9052.1 , SK9052.1 VF , SK9052.1 AZ (Nord (Германия), можно рассматривать как технический аналог мотор-редукторов марок ТС180В , TF180В (марки от Tramec (Италия)) VF210 , A703 (производства Bonfiglioli (Италия)).
Редуктор КТ673 можно рассматривать как аналогичный редуктору КЦ2-500 российского производства , редуктора ТА180В, ТС180В , ТF180В , производимого Tramec (Италия), аналог редуктора RT180A и RТ180A-FF производства Tos-Znojmo (Чехия), технический аналог редукторам ВН140, МВН140, произведенных под маркой Siti (Италия) и технический аналог редукторам КЦ1-300 , КЦ2-160Н производителя "Зарем"
Если вы хотите купить конические редукторы KR673 , вы можете:
Позвонить:
Российская Федерация
+7 (495) 369-04-89
+7 (910) 726-725-4 (МТС) Смоленск
info@tech-privod.com
Республика Беларусь
+375 17 272-04-08 (т/ф) Минск
+375 29 61-787-61 (A1) Минск
+7 (495) 369-04-89
+7 (910) 726-725-4 (МТС) Смоленск
info@tech-privod.com
Республика Беларусь
+375 17 272-04-08 (т/ф) Минск
+375 29 61-787-61 (A1) Минск
