Двухступенчатый редуктор - HT0522 i = 6 ... 21
i = 6 ... 21
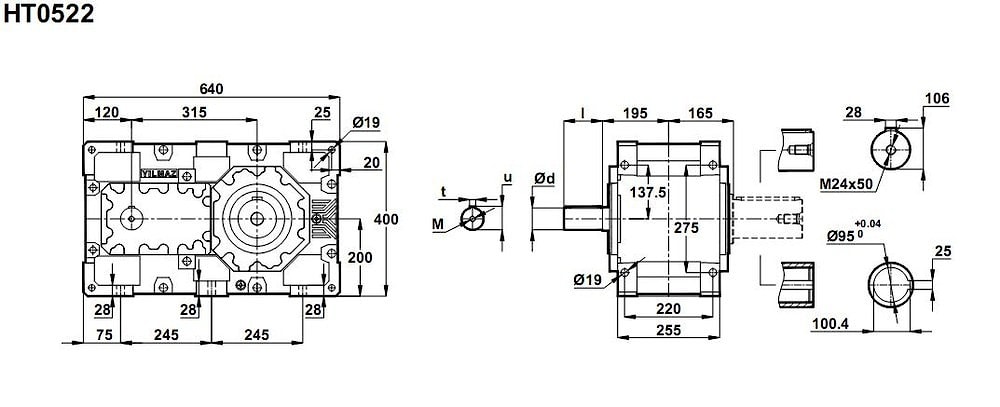
Индустриальный цилиндрический редуктор HT 0522 - базовый : HK - с фланцевой базой для подключаемого электропривода; НТЕ - с эструдерной (смесительной) приставкой на выходе.Номинальная мощность привода: 8800 Нм.
Передаточные числа i=6,37 ~ i=20
Рабочие мощности 51 KW - 210 KW на оборотах быстроходного вала 1400 об/мин; рабочие мощности 33 KW - 130 KW на оборотах быстроходного вала 900 об/мин; рабочие мощности
28 KW - 110 KW на оборотах быстроходного вала 750 об/мин; рабочие мощности 17 KW - 68 KW на оборотах быстроходного вала 500 об/мин; рабочие мощности 12 KW - 46 KW на оборотах быстроходного вала 300 об/мин.
| Номинальный крутящий момент | Передаточное число | Выходные обороты n2 | Номинальная мощность при сервис-факторе fs=1 | Тип | Допустимые радиальные нагрузки на | Вес | |
| n1=1400 | выходящий вал | входящий вал | |||||
| Ma max [Nm] | i | об/мин | kW | kN | kN | кг | |
| 9000 | 6,37 | 220 | 213 | НТ0522 | 40 | 13 | 260 |
| 9000 | 7,14 | 196 | 189 | 42 | 14 | ||
| 9000 | 8,06 | 174 | 167 | 44 | 15 | ||
| 9000 | 9,64 | 145 | 140 | 47 | 17 | ||
| 9000 | 10,45 | 134 | 129 | 47 | 18 | ||
| 9000 | 11,37 | 123 | 119 | 47 | 19 | ||
| 9000 | 13,69 | 102 | 99 | 47 | 11 | ||
| 9000 | 15,56 | 90 | 87 | 47 | 12 | ||
| 8640 | 16,79 | 83 | 77 | 47 | 12 | ||
| 8160 | 18,19 | 77 | 67 | 47 | 8,9 | ||
| 6900 | 19,21 | 73 | 54 | 47 | 8,9 | ||
| 7050 | 20,93 | 67 | 51 | 47 | 9,0 | ||

Редуктор HT 05 22 можно рассматривать как технический аналог редуктора РМ-650 , РМ 650 - производства Россия и Украина.
Если вы хотите купить двухступенчатый редуктор - HT0522 , вы можете:
Позвонить:
Российская Федерация
+7 (495) 369-04-89
+7 (910) 726-725-4 (МТС) Смоленск
info@tech-privod.com
Республика Беларусь
+375 17 272-04-08 (т/ф) Минск
+375 29 61-787-61 (A1) Минск
+7 (495) 369-04-89
+7 (910) 726-725-4 (МТС) Смоленск
info@tech-privod.com
Республика Беларусь
+375 17 272-04-08 (т/ф) Минск
+375 29 61-787-61 (A1) Минск
