Соосный цилиндрический редуктор MR282, NR282 Номинальная мощность - 4,0 кВт Выходные обороты: 70 об/мин ... 450 об/мин
Номинальная мощность - 4,0 кВт
Выходные обороты: 70 об/мин ... 450 об/мин

Приводной механизм использует быстроходный ряд передаточных чисел i=3,0 - i=20.
Редуктор заправлен заводской смазкой. Следует подчеркнуть, удобство эксплуатации редуктора, надежность и долговечность.
Гарантия от производителя - 24 месяца.
Сервис-фактор (fs)
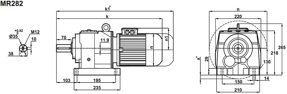
Монтажные расположения
Комбинированное исполнение (лапы, фланец)
Применяемые типы масел
Условное обозначение
Каталог M-series
Обороты на выходном валу | Крутящий момент на выходном валу | Передаточное число | Радиальные нагрузки на выходной вал | Сервис фактор | Тип редуктора | Масса |
n2 (об/мин-1) | M2 (Нм) | i | Fr (Н) | fs | m (кг) | |
73 | 500 | 19,06 | 3223 | 1,0 | MR282-112M/4 NR282-112M/4 | 60 62 |
83 | 444 | 16,91 | 3677 | 1,1 | ||
98 | 376 | 14,31 | 4174 | 1,2 | ||
114 | 322 | 12,24 | 4516 | 1,3 | ||
132 | 279 | 10,57 | 4750 | 1,5 | ||
146 | 254 | 9,61 | 4861 | 1,6 | ||
168 | 220 | 8,33 | 4980 | 1,8 | ||
194 | 190 | 7,21 | 4814 | 1,9 | ||
224 | 165 | 6,25 | 4651 | 2,2 | ||
262 | 141 | 5,35 | 4385 | 2,3 | ||
303 | 122 | 4,62 | 4148 | 2,3 | ||
333 | 111 | 4,2 | 4004 | 2,3 | ||
385 | 96 | 3,64 | 3797 | 2,5 | ||
444 | 83 | 3,15 | 3601 | 2,6 |


Вернуться к выбору мощностей
Соосно-цилиндрический мотор-редуктор MR282(3) и NR282(3) можно рассматривать как: полный аналог соосно-цилиндрических мотор-редукторов таких брэндов , как Varvel (Италия) , Motovario (Италия) , STM (Италия) , Transtecno (Италия) , Siti (Италия) , Tos Znojmo (Чехия) , Sew Eurodrive (Германия) , KEB (Германия) , PGR (Турция) и других .
Соосно-цилиндрический мотор-редуктор MR282(3) и NR282(3) можно рассматривать как: технический аналог соосных редукторов таких брэндов , как Bonfiglioli (Италия) , Innovari/Hydromec (Италия) , Watt Drive (Австрия) , Nord Getriebebau DriveSystems (Германия) , Bauer Gearmotors (Германия) , Lenze (Германия) .
.
Если вы хотите купить соосный цилиндрический редуктор MR282, NR282 , вы можете:
Позвонить:
Российская Федерация
+7 (495) 369-04-89
+7 (910) 726-725-4 (МТС) Смоленск
info@tech-privod.com
Республика Беларусь
+375 17 272-04-08 (т/ф) Минск
+375 29 61-787-61 (A1) Минск
+7 (495) 369-04-89
+7 (910) 726-725-4 (МТС) Смоленск
info@tech-privod.com
Республика Беларусь
+375 17 272-04-08 (т/ф) Минск
+375 29 61-787-61 (A1) Минск