Цилиндрический редуктор DR972 и DR973 60 об/мин ... 200 об/мин
60 об/мин ... 200 об/мин
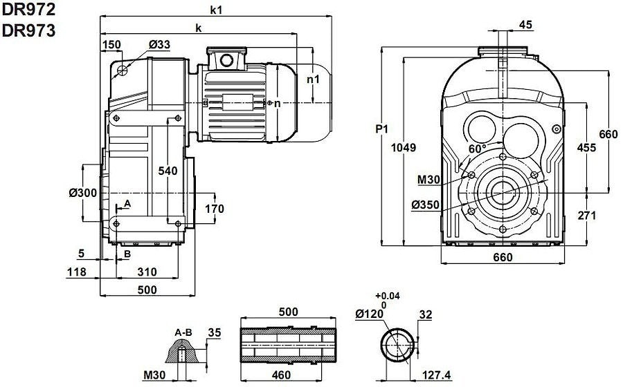
Промышленный редукторный узел с маркировкой DR972-315M/4a и DR973-315M/4a - представляет собой асинхронный электрический мотор мощностью - 132 KW и цилиндрический трансмиссионная зубчатая передача с параллельной выходной осью, рассчитанная для передачи крутящего момента 5000 Nm - 18000 Nm, ряд передаточных чисел: от 7,0 до 23.Различные пространственные размещения: М1 , М2 , М3 , М4 , М5 , М6 .
Исполнения: 00 - полый вал , 01 - выходной цельный вал , 02 - выходные вал и фланец , 03 - фланец , Е - экструдерная приставки и другое.
Условное обозначение
Каталог D-series
| Обороты на выходном валу | Крутящий момент на выходном валу | Передаточное число | Радиальные нагрузки на выходной вал | Сервис фактор | Тип редуктора | Масса |
| n2 (об/мин-1) | M2 (Нм) | i | Fr (Н) | fs | m (кг) | |
| 61 | 19768 | 22,85 | 87853 | 0,9 | DR973-315M/4a | 1474 |
| 69 | 17561 | 20,27 | 87924 | 1,0 | ||
| 84 | 12136 | 16,64 | 94311 | 1,5 | DR972-315M/4a | 1349 |
| 95 | 10781 | 14,77 | 92588 | 1,7 | ||
| 106 | 9640 | 13,19 | 90842 | 1,9 | ||
| 118 | 8667 | 11,85 | 89094 | 2,1 | ||
| 141 | 7273 | 9,94 | 84760 | 2,0 | ||
| 159 | 6461 | 8,82 | 82813 | 2,2 | ||
| 178 | 5777 | 7,88 | 80925 | 2,3 | ||
| 198 | 5193 | 7,08 | 79097 | 2,5 |

Вернуться к выбору мощностей
Мотор редуктор DR972 и DR973 можно использовать как технический аналог к мотор редуктору SK9282 и SK9382 / выпускаемых NORD , Германия .
Если вы хотите купить цилиндрический редуктор DR972 и DR973 , вы можете:
Позвонить:
Российская Федерация
+7 (495) 369-04-89
+7 (910) 726-725-4 (МТС) Смоленск
info@tech-privod.com
Республика Беларусь
+375 17 272-04-08 (т/ф) Минск
+375 29 61-787-61 (A1) Минск
+7 (495) 369-04-89
+7 (910) 726-725-4 (МТС) Смоленск
info@tech-privod.com
Республика Беларусь
+375 17 272-04-08 (т/ф) Минск
+375 29 61-787-61 (A1) Минск
