Сервомотор SMH180 и SMH180-B Номинальная мощность - 3500 Вт и 4400 Вт Момент удержания - 24.0Nm , и 30,0Nm
Номинальная мощность - 3500 Вт и 4400 Вт
Момент удержания - 24.0Nm , и 30,0Nm
Сервомотор SMH180 --- 3500Вт и 4400Вт Кабель энкодера ENCCA и ENCCF
Кабель тормозного устройства
Кабель питания для сервопривода
Технические характеристики
| Техническая спецификация | SMH180D-0350-15AA | SMH180D-0350-15AB | SMH180D-0440-15AA | SMH180D-0440-15AB |
| Параметр | Значение | |||
| Номинальная мощность, РN(W) | 3500 | 3500 | 4400 | 4400 |
| Номинальный момент, TN(Nm) | 22 | 22 | 28 | 28 |
| Номинальная скорость, nN(rpm) | 1500 | 1500 | 1500 | 1500 |
| Номинальный ток, IN(A) | 10.3 | 10.3 | 11.9 | 11.9 |
| Максимальный момент, Tm(Nm) | 55 | 55 | 70 | 70 |
| Максимальный ток, Im(A) | 25.75 | 25.75 | 29.75 | 29.75 |
| Момент удержания, Ts(Nm) | 24.2 | 24.2 | 30.8 | 30.8 |
| Ток удержания, Is(A) | 11.33 | 11.33 | 13.09 | 13.09 |
| Сопративление линия-линия RL(Ω) | 1.2 | 1.2 | 0.65 | 0.65 |
| Индуктивность линия-линия LL(mH) | 12.7 | 12.7 | 8.5 | 8.5 |
| Электрическая постоянная, e(ms) | 10.58 | 10.58 | 13.08 | 13.08 |
| Механическая постоянная, m(ms) | 3.42 | 3.42 | 2.16 | 2.16 |
| Постоянная обратного напряжения, Ke (V/krpm) | 135 | 135 | 150 | 150 |
| Постоянная момента, Kt(Nm/A) | 2.23 | 2.23 | 2.48 | 2.48 |
| Момент инерции ротора, Jm (кг*см2) | 63.1 | 63.2 | 118 | 118.2 |
| Число пар полюсов | 4 | 4 | 4 | 4 |
| Нарастания напряжения (кВ/µS) | 8 | 8 | 8 | 8 |
| Степень изоляции | F | F | F | F |
| Максимальное радиальное усилие (Н) | 1600 | 1600 | 1600 | 1600 |
| Максимальное осевое усилие (Н) | 800 | 800 | 800 | 800 |
| Вес (кг) | 22.7 | 27.9 | 28.6 | 33.8 |
| Длина мотора (мм) | 260 | 332 | 298 | 370 |
| Определение позиции | Инкрементальный энкодер 2500им/об | |||
| Охлаждение | Закрытый способ, невентилируемый | |||
| Пыле- влаго- защита | IP65 | |||
| Температура | -200C ~ +400C | |||
| Влажность | Не более 90% | |||
| Расположение | Вдали от горючих газов масла и пыли | |||
| Высота | Макс. Высота 4000 м. | |||
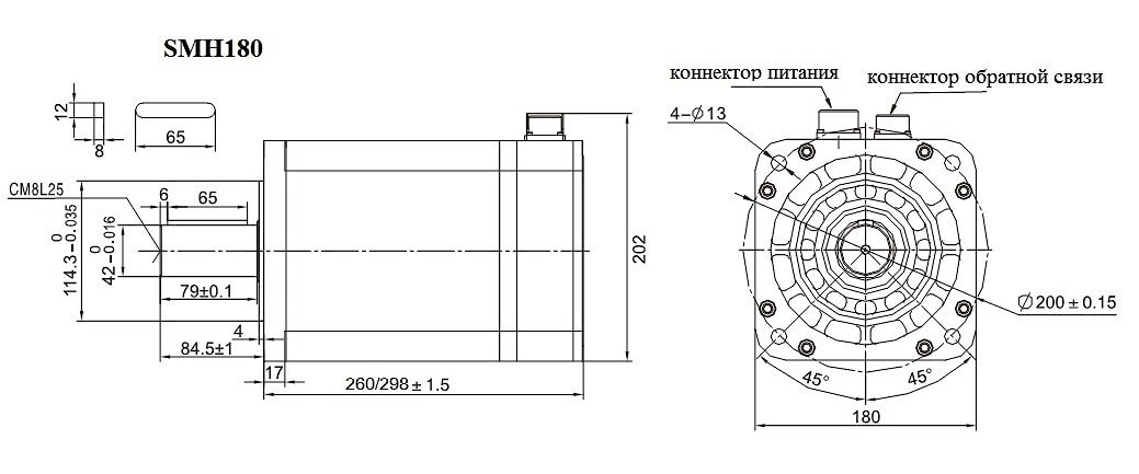
| Стандартное исполнение серводвигателя |
|
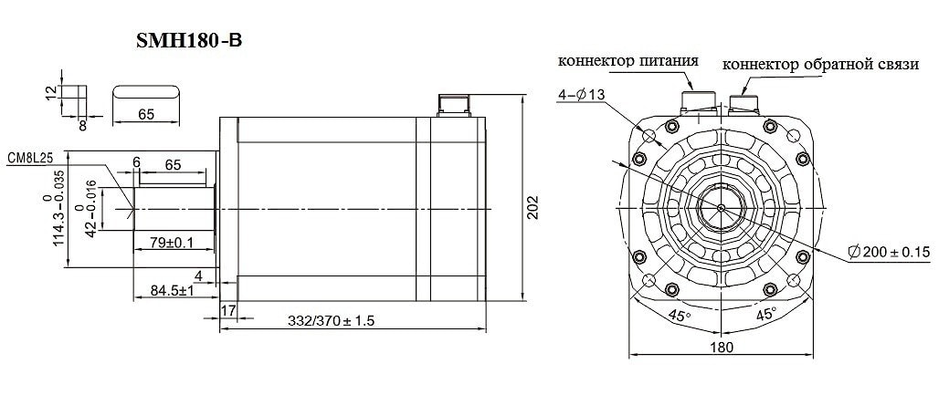
| Исполнение серводвигателя с тормозом |
|
Если вы хотите купить сервомотор SMH180 и SMH180-B , вы можете:
Позвонить:
Российская Федерация
+7 (495) 369-04-89
+7 (910) 726-725-4 (МТС) Смоленск
info@tech-privod.com
Республика Беларусь
+375 17 272-04-08 (т/ф) Минск
+375 29 61-787-61 (A1) Минск
+7 (495) 369-04-89
+7 (910) 726-725-4 (МТС) Смоленск
info@tech-privod.com
Республика Беларусь
+375 17 272-04-08 (т/ф) Минск
+375 29 61-787-61 (A1) Минск


