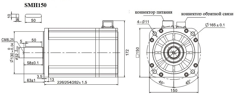
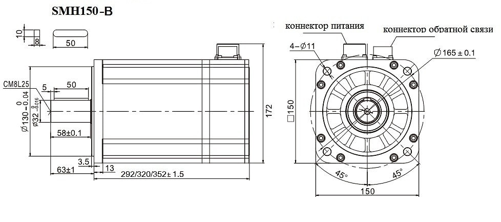
Сервомотор SMH150 и SMH150-B Номинальная мощность - 2300 Вт, 3000 Вт и 3800 Вт Момент удержания - 12.0Nm , 15.0Nm и 20,0Nm
Номинальная мощность - 2300 Вт, 3000 Вт и 3800 Вт
Момент удержания - 12.0Nm , 15.0Nm и 20,0Nm
Сервомотор SMH180 --- 3500Вт и 4400Вт Кабель энкодера ENCCA и ENCCF
Кабель тормозного устройства
Кабель питания для сервопривода
Технические характеристики
| Техническая спецификация | SMH150D-0230-20AA | SMH150D-0230-20AВ | SMH150D-0300-20AА | SMH150D-0300-20AВ | SMH150D-0380-20AА | SMH150D-0380-20AВ |
| Параметр | Значение | |||||
| Номинальная мощность, РN(W) | 2300 | 2300 | 3000 | 3000 | 3800 | 3800 |
| Номинальный момент, TN(Nm) | 11.1 | 11.1 | 14.3 | 14.3 | 18 | 18 |
| Номинальная скорость, nN(rpm) | 2000 | 2000 | 2000 | 2000 | 2000 | 2000 |
| Номинальный ток, IN(A) | 7.1 | 7.1 | 8.5 | 8.5 | 9.3 | 9.3 |
| Максимальный момент, Tm(Nm) | 27.5 | 27.5 | 35.75 | 35.75 | 45 | 45 |
| Максимальный ток, Im(A) | 17.75 | 17.75 | 21.25 | 21.25 | 23.255 | 23.255 |
| Момент удержания, Ts(Nm) | 12.1 | 12.1 | 15.73 | 15.73 | 19.8 | 19.8 |
| Ток удержания, Is(A) | 7.81 | 7.81 | 9.35 | 9.35 | 10.23 | 10.23 |
| Сопративление линия-линия RL(Ω) | 2.2 | 2.2 | 1.4 | 1.4 | 1.3 | 1.3 |
| Индуктивность линия-линия LL(mH) | 14 | 14 | 10.6 | 10.6 | 10.5 | 10.5 |
| Электрическая постоянная, e(ms) | 6.36 | 6.36 | 7.57 | 7.57 | 8.08 | 8.08 |
| Механическая постоянная, m(ms) | 4.68 | 4.68 | 3.68 | 3.68 | 3.32 | 3.32 |
| Постоянная обратного напряжения, Ke (V/krpm) | 100 | 100 | 107 | 107 | 125 | 125 |
| Постоянная момента, Kt(Nm/A) | 1.65 | 1.65 | 1.77 | 1.77 | 2.07 | 2.07 |
| Момент инерции ротора, Jm (кг*см2) | 33.5 | 33.6 | 47.6 | 47.7 | 63.1 | 63.2 |
| Число пар полюсов | 4 | 4 | 4 | 4 | 4 | 4 |
| Нарастания напряжения (кВ/µS) | 8 | 8 | 8 | 8 | 8 | 8 |
| Степень изоляции | F | F | F | F | F | F |
| Максимальное радиальное усилие (Н) | 1200 | 1200 | 1200 | 1200 | 1200 | 1200 |
| Максимальное осевое усилие (Н) | 600 | 600 | 600 | 600 | 600 | 600 |
| Вес (кг) | 12 | 15.5 | 15 | 18 | 18 | 22.5 |
| Длина мотора (мм) | 226 | 292 | 254 | 320 | 282 | 352 |
| Определение позиции | Инкрементальный энкодер 2500им/об | |||||
| Охлаждение | Закрытый способ, невентилируемый | |||||
| Пыле- влаго- защита | IP65 | |||||
| Температура | -200C ~ +400C | |||||
| Влажность | Не более 90% | |||||
| Расположение | Вдали от горючих газов масла и пыли | |||||
| Высота | Макс. Высота 4000 м. | |||||
| Стандартное исполнение серводвигателя |
|
| Исполнение серводвигателя с тормозом |
|
Если вы хотите купить сервомотор SMH150 и SMH150-B , вы можете:
Позвонить:
Российская Федерация
+7 (495) 369-04-89
+7 (910) 726-725-4 (МТС) Смоленск
info@tech-privod.com
Республика Беларусь
+375 17 272-04-08 (т/ф) Минск
+375 29 61-787-61 (A1) Минск
+7 (495) 369-04-89
+7 (910) 726-725-4 (МТС) Смоленск
info@tech-privod.com
Республика Беларусь
+375 17 272-04-08 (т/ф) Минск
+375 29 61-787-61 (A1) Минск


