Серводвигатель SMH130 и SMH130-B Номинальная мощность - 1570 Вт и 2100 Вт Момент удержания - 8,25Nm и 11,0Nm
Номинальная мощность - 1570 Вт и 2100 Вт
Момент удержания - 8,25Nm и 11,0Nm
Сервомотор SMH130 --- 1570Вт и 2100Вт Кабель энкодера ENCCA и ENCCF
Кабель тормозного устройства
Кабель питания для сервопривода
Технические характеристики
| Техническая спецификация | SMH130D-0157-20AA | SMH130D-0157-20AB | SMH130D-0210-20AA | SMH130D-0210-20AB |
| Параметр | Значение | |||
| Номинальная мощность, РN(W) | 1570 | 1570 | 2100 | 2100 |
| Номинальный момент, TN(Nm) | 7.5 | 7.5 | 10 | 10 |
| Номинальная скорость, nN(rpm) | 2000 | 2000 | 2000 | 2000 |
| Номинальный ток, IN(A) | 6.3 | 6.3 | 7.6 | 7.6 |
| Максимальный момент, Tm(Nm) | 18.75 | 18.75 | 25 | 25 |
| Максимальный ток, Im(A) | 15.75 | 15.75 | 19 | 19 |
| Момент удержания, Ts(Nm) | 8.25 | 8.25 | 11 | 11 |
| Ток удержания, Is(A) | 6.93 | 6.93 | 8.36 | 8.36 |
| Сопротивление линия-линия RL(Ω) | 1.17 | 1.17 | 0.98 | 0.98 |
| Индуктивность линия-линия LL(mH) | 16.2 | 16.2 | 14.3 | 14.3 |
| Электрическая постоянная, e(ms) | 13.846 | 13.846 | 14.592 | 14.592 |
| Механическая постоянная, m(ms) | 2.529 | 2.529 | 2.268 | 2.268 |
| Постоянная обратного напряжения, Ke (V/krpm) | 72 | 72 | 80 | 80 |
| Постоянная момента, Kt(Nm/A) | 1.191 | 1.191 | 1.3232 | 1.3232 |
| Момент инерции ротора, Jm (кг*см2) | 17.7 | 17.74 | 23.4 | 23.44 |
| Число пар полюсов | 4 | 4 | 4 | 4 |
| Нарастания напряжения (кВ/µS) | 8 | 8 | 8 | 8 |
| Степень изоляции | F | F | F | F |
| Максимальное радиальное усилие (Н) | 900 | 900 | 900 | 900 |
| Максимальное осевое усилие (Н) | 450 | 450 | 450 | 450 |
| Вес (кг) | 9.1 | 11.3 | 10.7 | 12.9 |
| Длина мотора (мм) | 179 | 240 | 199 | 260 |
| Определение позиции | Инкрементальный энкодер 2500им/об | |||
| Охлаждение | Закрытый способ, невентилируемый | |||
| Пыле- влаго- защита | IP65 | |||
| Температура | -200C ~ +400C | |||
| Влажность | Не более 90% | |||
| Расположение | Вдали от горючих газов масла и пыли | |||
| Высота | Макс. Высота 4000 м. | |||
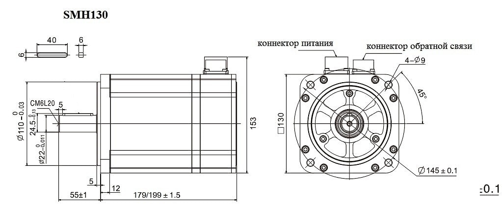
| Стандартное исполнение серводвигателя |
|
| Исполнение серводвигателя с тормозом |
|
Если вы хотите купить серводвигатель SMH130 и SMH130-B , вы можете:
Позвонить:
Российская Федерация
+7 (495) 369-04-89
+7 (910) 726-725-4 (МТС) Смоленск
info@tech-privod.com
Республика Беларусь
+375 17 272-04-08 (т/ф) Минск
+375 29 61-787-61 (A1) Минск
+7 (495) 369-04-89
+7 (910) 726-725-4 (МТС) Смоленск
info@tech-privod.com
Республика Беларусь
+375 17 272-04-08 (т/ф) Минск
+375 29 61-787-61 (A1) Минск


