Электродвигатель АИР100L4 и А100L4 (4.0кВт) 1500 об/мин
1500 об/мин
Электрические параметры:
Номинальная мощность – 4.0 кВт
Фактические обороты выходного вала – 1410 об/мин;
КПД – 85.0%;
Номинальный ток – 8.8 А (при 380В);
Пусковой ток – 52.8 А;
Номинальный крутящий момент – 23.03Nm;
Пусковой момент - 52.97Nm;
Максимальный момент – 66.78Nm;
Момент инерции – 0.0101кгм2;
Масса – 30 кг;
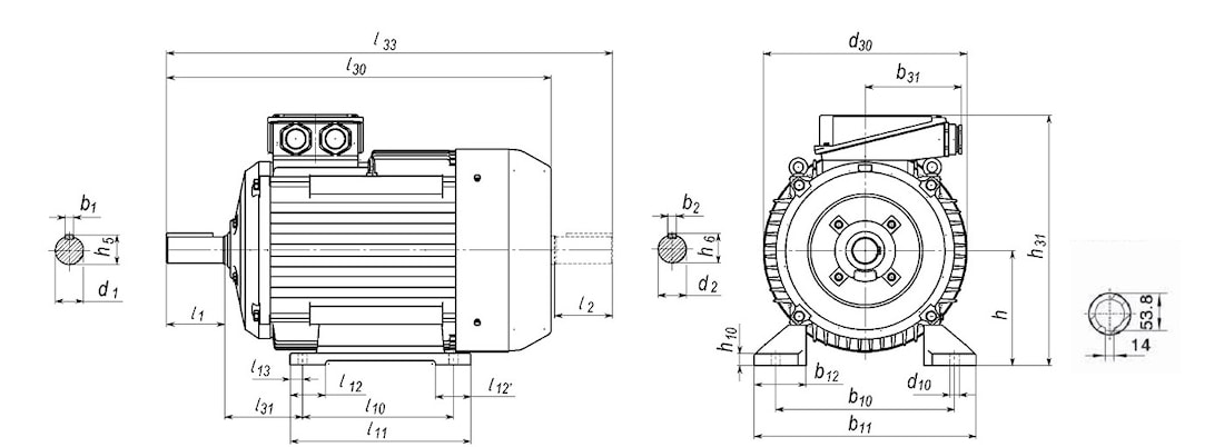
- Присоединительные размеры, исполнение на лапах (IM1081, IM1001, B3):
| l30 | l33 | h31 | d30 | l1 | l2 | l10 | l11 | l12 | l13 | l31 | d1 | d2 | d10 | b1 | b2 | b10 | b11 | b12 | b31 | h | h5 | h6 | h10 |
| 420 | 475 | 277 | 218 | 60 | 50 | 140 | 176 | 45 | 18 | 63 | 28 | 24 | 12 | 8 | 8 | 160 | 200 | 40 | 83 | 100 | 31 | 27 | 9 |
- Присоединительные размеры, комбинированное (фланцевое/на лапах) исполнение (IM2081, IM2001, B35):
| l30 | h31 | d30 | l1 | l10 | l11 | l12 | l13 | l31 | d1 | d2 | d10 | b1 | b2 | b10 | b11 | b12 | b31 | h | h5 | h6 | h10 |
| 420 | 277 | 218 | 60 | 140 | 176 | 45 | 18 | 63 | 28 | 24 | 12 | 8 | 8 | 160 | 200 | 40 | 83 | 100 | 31 | 27 | 9 |
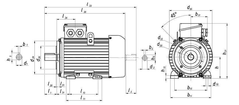
- Присоединительные размеры фланцевое исполнение (IM3081, IM3001, B5):
| l30 | h31 | d30 | l1 | l10 | l11 | l20 | l21 | l30 | l31 | d1 | d2 | d10 | d20 | d22 | d25 | b1 | b2 | b10 | b11 | b12 | b31 | h | h5 | h6 | n |
| 420 | 277 | 250 | 60 | 112 | 176 | 4.0 | 11 | 0 | 63 | 28 | 24 | 12 | 215 | 14 | 180 | 8 | 8 | 160 | 196 | 40 | 83 | 100 | 31 | 21.5 | 4 |
- Присоединительные размеры исполнение c малым фланцем (IM3681, IM3001, B14):
| l30 | l33 | h37 | d30 | l1 | l2 | l20 | l21 | l34 | d1 | d2 | d20 | d22 | d24 | d26 | b1 | b2 | b31 | h5 | h6 |
| 420 | 473 | 185 | 218 | 60 | 50 | 3.5 | 14 | 91 | 28 | 24 | 115 | M8 | 160 | 110 | 8 | 8 | 75 | 31 | 27 |
| 420 | 473 | 185 | 218 | 60 | 50 | 3.5 | 14 | 91 | 28 | 24 | 130 | M10 | 200 | 130 | 8 | 8 | 75 | 31 | 27 |
Присоединительные размеры комбинированное исполнение c малым фланцем (IM2101, B34):
| l30 | l33 | h31 | d30 | l1 | l2 | l10 | l11 | l20 | l21 | l31 | l34 | d1 | d10 | d20 | d22 | d24 | d26 | b1 | b10 | b11 | h | h5 | h10 |
| 420 | 473 | 277 | 218 | 60 | 50 | 140 | 176 | 3.5 | 14 | 63 | 91 | 28 | 12 | 130 | M8 | 160 | 110 | 8 | 160 | 200 | 100 | 31 | 9 |
| 420 | 473 | 277 | 218 | 60 | 50 | 140 | 176 | 3.5 | 14 | 63 | 91 | 28 | 12 | 165 | M10 | 200 | 130 | 8 | 160 | 200 | 100 | 31 | 9 |
Если вы хотите купить электродвигатель АИР100L4 и А100L4 (4.0кВт) , вы можете:
Позвонить:
Российская Федерация
+7 (495) 369-04-89
+7 (910) 726-725-4 (МТС) Смоленск
info@tech-privod.com
Республика Беларусь
+375 17 272-04-08 (т/ф) Минск
+375 29 61-787-61 (A1) Минск
+7 (495) 369-04-89
+7 (910) 726-725-4 (МТС) Смоленск
info@tech-privod.com
Республика Беларусь
+375 17 272-04-08 (т/ф) Минск
+375 29 61-787-61 (A1) Минск
