Соосный цилиндрический редуктор MR172, NR172 Номинальная мощность - 1,5 кВт Выходные обороты: 70 об/мин ... 350 об/мин
Номинальная мощность - 1,5 кВт
Выходные обороты: 70 об/мин ... 350 об/мин
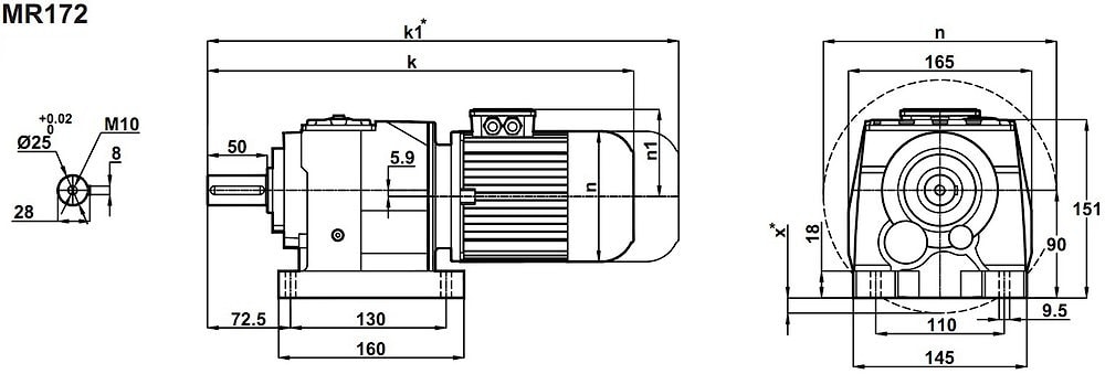
Соосно-цилиндрический мотор-редуктор MR172-90L/4 (модель на лапах) NR172-90L/4 (фланцевая модель) - привод рассчитан для частоты вращений на валу 70 об/мин ... 350 об/мин (значение выходных оборотов следует скорректировать необходимым сервис-фактором) при подводимой мощности 1,5 кВт. Редукторный механизм изготавливается в исполнении на лапах, исполнении на фланце и комбинированном исполнении. Доступны различные конструкторские пространственные расположения привода (см. дополнения).
Гарантийные обязательства - 24 месяцев.
Сервис-фактор (fs)
Монтажные расположения
Комбинированное исполнение (лапы, фланец)
Применяемые типы масел
Условное обозначение
Каталог M-series
| Обороты на выходном валу | Крутящий момент на выходном валу | Передаточное число | Радиальные нагрузки на выходной вал | Сервис фактор | Тип редуктора | Масса |
| n2 (об/мин-1) | M2 (Нм) | i | Fr (Н) | fs | m (кг) | |
| 67 | 205 | 20,92 | 1842 | 1,0 | MR172-90L/4 NR172-90L/4 | 26 28 |
| 77 | 179 | 18,28 | 2057 | 1,1 | ||
| 82 | 168 | 17,14 | 2142 | 1,2 | ||
| 96 | 143 | 14,57 | 2315 | 1,4 | ||
| 111 | 125 | 12,66 | 2423 | 1,5 | ||
| 126 | 109 | 11,08 | 2494 | 1,7 | ||
| 147 | 94 | 9,53 | 2336 | 1,8 | ||
| 157 | 88 | 8,94 | 2362 | 1,9 | ||
| 184 | 75 | 7,60 | 2406 | 2,1 | ||
| 212 | 65 | 6,60 | 2421 | 2,2 | ||
| 242 | 57 | 5,78 | 2420 | 2,4 | ||
| 293 | 47 | 4,78 | 2397 | 2,8 | ||
| 343 | 40 | 4,09 | 2290 | 3,0 | ||
| 414 | 33 | 3,38 | 2162 | 3,3 |
Вернуться к выбору мощностей
Соосно-цилиндрический мотор-редуктор MR172 и NR172 можно рассматривать как: полный аналог соосно-цилиндрических мотор-редукторов таких брэндов , как Varvel (Италия) , Motovario (Италия) , STM (Италия) , Transtecno (Италия) , Siti (Италия) , Tos Znojmo (Чехия) , Sew Eurodrive (Германия) , KEB (Германия) , PGR (Турция) и других .
Соосно-цилиндрический мотор-редуктор MR172 и NR172 можно рассматривать как: технический аналог соосных редукторов таких брэндов , как Bonfiglioli (Италия) , Innovari/Hydromec (Италия) , Watt Drive (Австрия) , Nord Getriebebau DriveSystems (Германия) , Bauer Gearmotors (Германия) , Lenze (Германия)
Если вы хотите купить соосный цилиндрический редуктор MR172, NR172 , вы можете:
Позвонить:
Российская Федерация
+7 (495) 369-04-89
+7 (910) 726-725-4 (МТС) Смоленск
info@tech-privod.com
Республика Беларусь
+375 17 272-04-08 (т/ф) Минск
+375 29 61-787-61 (A1) Минск
+7 (495) 369-04-89
+7 (910) 726-725-4 (МТС) Смоленск
info@tech-privod.com
Республика Беларусь
+375 17 272-04-08 (т/ф) Минск
+375 29 61-787-61 (A1) Минск
