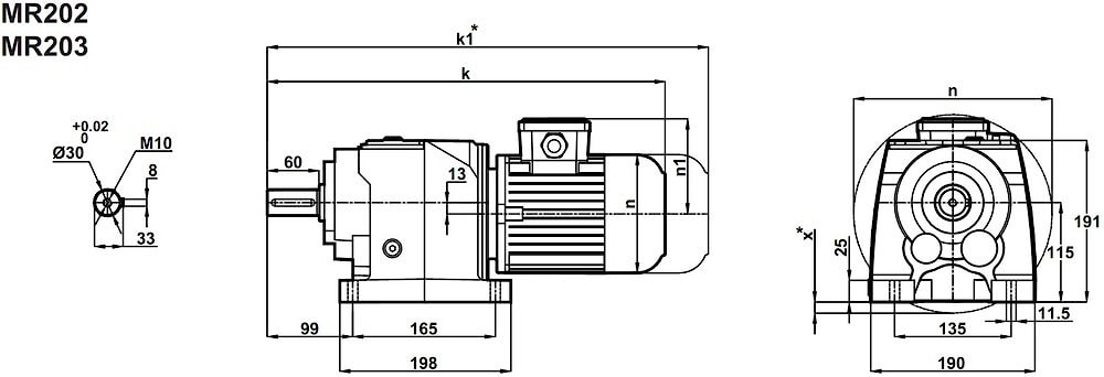
Соосный цилиндрический редуктор MR202, MR203, NR202 и NR203 Номинальная мощность - 1,5 кВт Выходные обороты: 50 об/мин ... 240 об/мин
Номинальная мощность - 1,5 кВт
Выходные обороты: 50 об/мин ... 240 об/мин
Соосно-цилиндрический мотор-редуктор MR202-90L/4 (исполнение на лапах), NR202-90L/4 (фланцевое исполнение), MR203-90L/4 (исполнение на лапах),NR203-90L/4 (фланцевое исполнение) - редукторный механизм, предназначенный для функционирования от электродвигателя мощностью 1,5 кВт; рациональные выходные обороты для данного габарита 50 об/мин ... 240 об/мин.
Номинальный крутящий момент - 240 Nm.
Моноблочный корпус максимально устойчиво и длительно сохраняет меж осевые расстояния цилиндрических ступеней привода, в долгосрочной перспективе - это становится важным и существенным фактором.
Сервис-фактор (fs)
Монтажные расположения
Комбинированное исполнение (лапы, фланец)
Применяемые типы масел
Условное обозначение
Каталог M-series
| Обороты на выходном валу | Крутящий момент на выходном валу | Передаточное число | Радиальные нагрузки на выходной вал | Сервис фактор | Тип редуктора | Масса |
| n2 (об/мин-1) | M2 (Нм) | i | Fr (Н) | fs | m (кг) | |
| 39 | 348 | 36,02 | 4631 | 0,8 | MR203-90L/4 NR203-90L/4 | 37 39 |
| 49 | 273 | 28,35 | 4297 | 1,0 | ||
| 57 | 239 | 24,77 | 4235 | 1,1 | ||
| 60 | 224 | 23,23 | 4201 | 1,2 | ||
| 61 | 225 | 23,01 | 4672 | 1,2 | MR202-90L/4 NR202-90L/4 | 36 38 |
| 70 | 197 | 20,10 | 4818 | 1,3 | ||
| 74 | 185 | 18,85 | 4869 | 1,4 | ||
| 87 | 157 | 16,03 | 4953 | 1,6 | ||
| 94 | 146 | 14,86 | 4972 | 1,6 | ||
| 101 | 137 | 13,92 | 4944 | 1,7 | ||
| 115 | 120 | 12,18 | 4703 | 1,9 | ||
| 130 | 106 | 10,81 | 4497 | 2,0 | ||
| 139 | 99 | 10,07 | 4382 | 2,1 | ||
| 167 | 83 | 8,40 | 4099 | 2,4 | ||
| 199 | 69 | 7,04 | 3844 | 2,7 | ||
| 241 | 57 | 5,80 | 3629 | 3,1 |
Вернуться к выбору мощностей
Соосно-цилиндрический мотор-редуктор MR202(3) и NR202(3) можно рассматривать как: полный аналог соосно-цилиндрических мотор-редукторов таких брэндов , как Varvel (Италия) , Motovario (Италия) , STM (Италия) , Transtecno (Италия) , Siti (Италия) , Tos Znojmo (Чехия) , Sew Eurodrive (Германия) , KEB (Германия) , PGR (Турция) и других .
Соосно-цилиндрический мотор-редуктор MR202(3) и NR202(3) можно рассматривать как: технический аналог соосных редукторов таких брэндов , как Bonfiglioli (Италия) , Innovari/Hydromec (Италия) , Watt Drive (Австрия) , Nord Getriebebau DriveSystems (Германия) , Bauer Gearmotors (Германия) , Lenze (Германия)
Если вы хотите купить соосный цилиндрический редуктор MR202, MR203, NR202 и NR203 , вы можете:
Позвонить:
Российская Федерация
+7 (495) 369-04-89
+7 (910) 726-725-4 (МТС) Смоленск
info@tech-privod.com
Республика Беларусь
+375 17 272-04-08 (т/ф) Минск
+375 29 61-787-61 (A1) Минск
+7 (495) 369-04-89
+7 (910) 726-725-4 (МТС) Смоленск
info@tech-privod.com
Республика Беларусь
+375 17 272-04-08 (т/ф) Минск
+375 29 61-787-61 (A1) Минск
