Соосный цилиндрический редуктор MR172, MR173, NR172 и NR173 Номинальная мощность - 1,1 кВт Выходные обороты: 50 об/мин ... 240 об/мин
Номинальная мощность - 1,1 кВт
Выходные обороты: 50 об/мин ... 240 об/мин

Наиболее рационально использовать привод с выходными оборотами 50 об/мин ~ 240 об/мин (скорректированным необходимым значением сервис-фактора). Номинальный крутящий момент 180 Нм.
Экономичный, неприхотливый, долговечный мотор-редуктор: чугунный сверхпрочный корпус и эвольвентное зацепление цилиндрических зубчатых передач.
Гарантия от производителя - 2 года.
Сервис-фактор (fs)
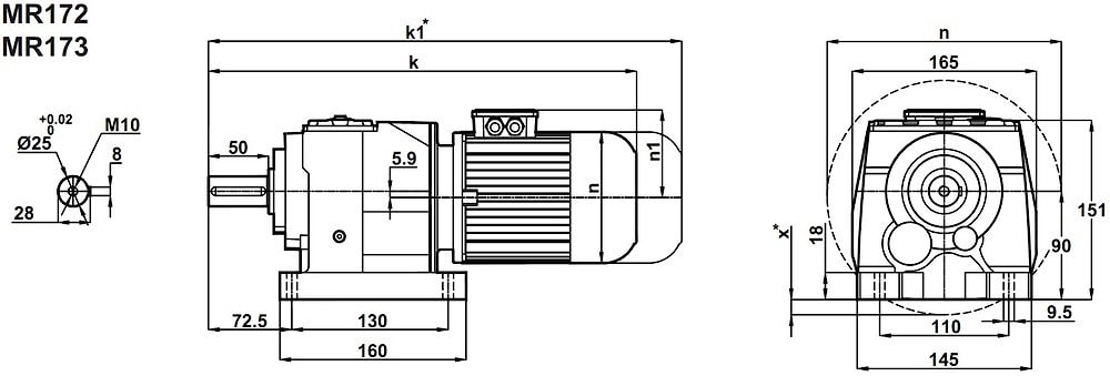
Монтажные расположения
Комбинированное исполнение (лапы, фланец)
Применяемые типы масел
Условное обозначение
Каталог M-series
Обороты на выходном валу | Крутящий момент на выходном валу | Передаточное число | Радиальные нагрузки на выходной вал | Сервис фактор | Тип редуктора | Масса |
n2 (об/мин-1) | M2 (Нм) | i | Fr (Н) | fs | m (кг) | |
39 | 256 | 36,24 | 1103 | 0,8 | MR173-90S/4 NR173-90S/4 | 25 27 |
46 | 214 | 30,26 | 3378 | 0,9 | ||
54 | 185 | 26,1 | 3485 | 1,1 | ||
67 | 150 | 20,92 | 2800 | 1,3 | MR172-90S/4 NR172-90S/4 | 24 26 |
77 | 131 | 18,28 | 2894 | 1,5 | ||
82 | 123 | 17,14 | 2927 | 1,6 | ||
96 | 105 | 14,57 | 2982 | 1,9 | ||
111 | 91 | 12,66 | 3002 | 2,1 | ||
126 | 80 | 11,08 | 3002 | 2,3 | ||
147 | 69 | 9,53 | 2828 | 2,5 | ||
157 | 65 | 8,94 | 2824 | 2,6 | ||
184 | 55 | 7,6 | 2798 | 2,9 | ||
212 | 48 | 6,6 | 2701 | 3,0 | ||
242 | 42 | 5,78 | 2570 | 3,2 |


Вернуться к выбору мощностей
Соосно-цилиндрический мотор-редуктор MR172(3) и NR172(3) можно рассматривать как: полный аналог соосно-цилиндрических мотор-редукторов таких брэндов , как Varvel (Италия) , Motovario (Италия) , STM (Италия) , Transtecno (Италия) , Siti (Италия) , Tos Znojmo (Чехия) , Sew Eurodrive (Германия) , KEB (Германия) , PGR (Турция) и других .
Соосно-цилиндрический мотор-редуктор MR172(3) и NR172(3) можно рассматривать как: технический аналог червячных редукторов таких брэндов , как Bonfiglioli (Италия) , Innovari/Hydromec (Италия) , Watt Drive (Австрия) , Nord Getriebebau DriveSystems (Германия) , Bauer Gearmotors (Германия) , Lenze (Германия) .
Если вы хотите купить соосный цилиндрический редуктор MR172, MR173, NR172 и NR173 , вы можете:
Позвонить:
Российская Федерация
+7 (495) 369-04-89
+7 (910) 726-725-4 (МТС) Смоленск
info@tech-privod.com
Республика Беларусь
+375 17 272-04-08 (т/ф) Минск
+375 29 61-787-61 (A1) Минск
+7 (495) 369-04-89
+7 (910) 726-725-4 (МТС) Смоленск
info@tech-privod.com
Республика Беларусь
+375 17 272-04-08 (т/ф) Минск
+375 29 61-787-61 (A1) Минск