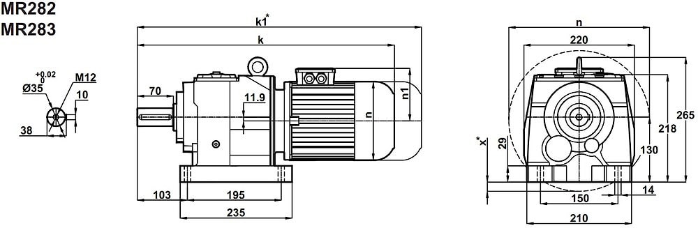
Соосный цилиндрический редуктор MR282, MR283, NR282 и NR283 Номинальная мощность - 1,1 кВт Выходные обороты: 16 об/мин ... 65 об/мин
Номинальная мощность - 1,1 кВт
Выходные обороты: 16 об/мин ... 65 об/мин

Двигатель имеет как четырех полюсную и шести полюсную конфигурацию. Наиболее эффективные обороты для данного габарита 16 об/мин ~ 65 об/мин
Номинальный крутящий момент на выходном валу 600 Nm.
Неприхотливый, высокопрочный трансмиссионный привод с пониженными шумовыми и вибрационными характеристиками и т.д.
Сервис-фактор (fs)
Монтажные расположения
Комбинированное исполнение (лапы, фланец)
Применяемые типы масел
Условное обозначение
Каталог M-series
Обороты на выходном валу | Крутящий момент на выходном валу | Передаточное число | Радиальные нагрузки на выходной вал | Сервис фактор | Тип редуктора | Масса |
n2 (об/мин-1) | M2 (Нм) | i | Fr (Н) | fs | m (кг) | |
14 | 688 | 97,62 | 2447 | 0,9 | MR283-90S/4 NR283-90S/4 | 44 46 |
16 | 604 | 85,60 | 6064 | 1,0 | ||
18 | 534 | 75,68 | 7777 | 1,1 | ||
22 | 450 | 63,65 | 9355 | 1,3 | ||
26 | 383 | 54,12 | 9454 | 1,6 | ||
30 | 329 | 46,37 | 8923 | 1,7 | ||
33 | 298 | 41,96 | 8598 | 1,8 | ||
36 | 281 | 25,23 | 8388 | 2,1 | MR282-90L/6 NR282-90L/6 | 45 47 |
42 | 241 | 21,66 | 7931 | 2,4 | ||
46 | 218 | 30,37 | 7636 | 2,6 | MR282-90S/4 NR282-90S/4 | 43 45 |
55 | 181 | 25,23 | 7139 | 2,9 | ||
65 | 156 | 21,66 | 6758 | 3,2 |


Вернуться к выбору мощностей
Соосно-цилиндрический мотор-редуктор MR282(3) и NR282(3) можно рассматривать как: полный аналог соосно-цилиндрических мотор-редукторов таких брэндов , как Varvel (Италия) , Motovario (Италия) , STM (Италия) , Transtecno (Италия) , Siti (Италия) , Tos Znojmo (Чехия) , Sew Eurodrive (Германия) , KEB (Германия) , PGR (Турция) и других .
Соосно-цилиндрический мотор-редуктор MR282(3) и NR282(3) можно рассматривать как: технический аналог червячных редукторов таких брэндов , как Bonfiglioli (Италия) , Innovari/Hydromec (Италия) , Watt Drive (Австрия) , Nord Getriebebau DriveSystems (Германия) , Bauer Gearmotors (Германия) , Lenze (Германия) .
Если вы хотите купить соосный цилиндрический редуктор MR282, MR283, NR282 и NR283 , вы можете:
Позвонить:
Российская Федерация
+7 (495) 369-04-89
+7 (910) 726-725-4 (МТС) Смоленск
info@tech-privod.com
Республика Беларусь
+375 17 272-04-08 (т/ф) Минск
+375 29 61-787-61 (A1) Минск
+7 (495) 369-04-89
+7 (910) 726-725-4 (МТС) Смоленск
info@tech-privod.com
Республика Беларусь
+375 17 272-04-08 (т/ф) Минск
+375 29 61-787-61 (A1) Минск