Соосный цилиндрический редуктор MR272, MR273, NR272 и NR273 Номинальная мощность - 1,1 кВт Выходные обороты: 25 об/мин ... 75 об/мин
Номинальная мощность - 1,1 кВт
Выходные обороты: 25 об/мин ... 75 об/мин
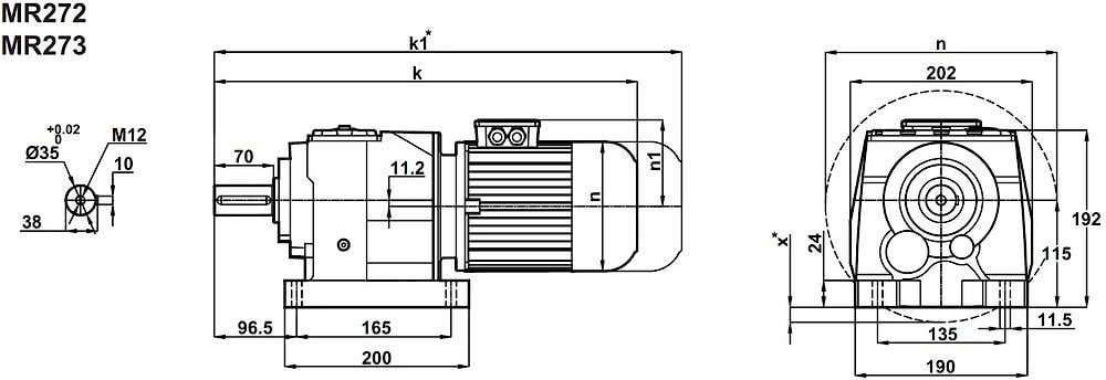
Соосно-цилиндрический мотор-редуктор MR273-90S/4 (исполнение на лапах) NR273-90S/4 (фланцевое исполнение) MR272-90S/4 (исполнение на лапах) NR272-90S/4 (фланцевое исполнение) - цилиндрическая зубчатая трансмиссия, изготовленная, как осевая шестереночная насадка, заключенная в монолитный прочный корпус, для последовательно комплектования с промышленным асинхронным электромотора мощностью 1,1 кВт.рациональные выходные обороты для данного габарита 25 об/мин ~ 75 об/мин (при минимальных требованиях к сервис-фактору). Номинальное крутящее усилия на выходном валу 450 Нм.
Редукторная часть заполнена заводской смазкой.
Сервис-фактор (fs)
Монтажные расположения
Комбинированное исполнение (лапы, фланец)
Применяемые типы масел
Условное обозначение
Каталог M-series
| Обороты на выходном валу | Крутящий момент на выходном валу | Передаточное число | Радиальные нагрузки на выходной вал | Сервис фактор | Тип редуктора | Масса |
| n2 (об/мин-1) | M2 (Нм) | i | Fr (Н) | fs | m (кг) | |
| 17 | 591 | 83,83 | 5679 | 0,8 | MR273-90S/4 NR273-90S/4 | 36 38 |
| 19 | 518 | 73,35 | 5591 | 0,9 | ||
| 23 | 429 | 60,66 | 5591 | 1.0 | ||
| 28 | 358 | 50,59 | 5471 | 1,3 | ||
| 33 | 301 | 42,41 | 5327 | 1,5 | ||
| 38 | 259 | 36,55 | 5191 | 1,7 | ||
| 46 | 216 | 30,48 | 5011 | 2,1 | ||
| 54 | 186 | 25,89 | 6045 | 2,4 | MR272-90S/4 NR272-90S/4 | 36 38 |
| 65 | 154 | 21,43 | 5635 | 2,9 | ||
| 76 | 132 | 18,33 | 5320 | 3,4 |
Вернуться к выбору мощностей
Соосно-цилиндрический мотор-редуктор MR272(3) и NR272(3) можно рассматривать как: полный аналог соосно-цилиндрических мотор-редукторов таких брэндов , как Varvel (Италия) , Motovario (Италия) , STM (Италия) , Transtecno (Италия) , Siti (Италия) , Tos Znojmo (Чехия) , Sew Eurodrive (Германия) , KEB (Германия) , PGR (Турция) и других .
Соосно-цилиндрический мотор-редуктор MR272(3) и NR272(3) можно рассматривать как: технический аналог червячных редукторов таких брэндов , как Bonfiglioli (Италия) , Innovari/Hydromec (Италия) , Watt Drive (Австрия) , Nord Getriebebau DriveSystems (Германия) , Bauer Gearmotors (Германия) , Lenze (Германия) .
Если вы хотите купить соосный цилиндрический редуктор MR272, MR273, NR272 и NR273 , вы можете:
Позвонить:
Российская Федерация
+7 (495) 369-04-89
+7 (910) 726-725-4 (МТС) Смоленск
info@tech-privod.com
Республика Беларусь
+375 17 272-04-08 (т/ф) Минск
+375 29 61-787-61 (A1) Минск
+7 (495) 369-04-89
+7 (910) 726-725-4 (МТС) Смоленск
info@tech-privod.com
Республика Беларусь
+375 17 272-04-08 (т/ф) Минск
+375 29 61-787-61 (A1) Минск
