Цилиндрический редуктор DR282 и DR283 20 об/мин ... 55 об/мин
20 об/мин ... 55 об/мин
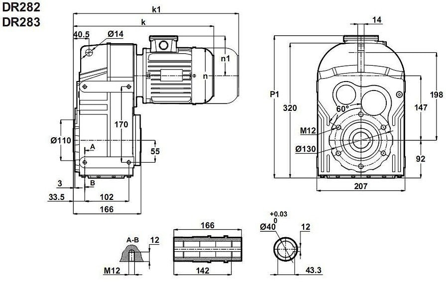
Редукторный механизм DR282-90S/4 и DR283-90S/4 - электропривод с подводимой мощностью 1,1 kw ( или 1,5 НР) , асинхронный обще промышленный двигатель переменного тока ( 220V , 380V ) , 50 Hz , 60 Hz и трансмиссионный узел, изготовленный в виде одно скоростного редукторного агрегата с параллельным выходным валом, скорость оборотов выходного вала 12 об/мин - 56 об/мин , вращающий момент - 200 Nm ~ 600 Nm.Стандартные пространственные расположения мотор-редуктора: М1 , М2 , М3 , М4 , М5 , М6 .
Гарантия - 24 месяца.
Условное обозначение
Каталог D-series
| Обороты на выходном валу | Крутящий момент на выходном валу | Передаточное число | Радиальные нагрузки на выходной вал | Сервис фактор | Тип редуктора | Масса |
| n2 (об/мин-1) | M2 (Нм) | i | Fr (Н) | fs | m (кг) | |
| 12 | 791 | 112,15 | 3598 | 0,8 | DR283-90S/4 | 38 |
| 15 | 677 | 95,92 | 7578 | 0,9 | ||
| 17 | 594 | 84,12 | 9380 | 1,0 | ||
| 19 | 526 | 74,36 | 10552 | 1,1 | ||
| 22 | 443 | 62,55 | 11740 | 1,4 | ||
| 26 | 377 | 53,18 | 12547 | 1,6 | ||
| 31 | 323 | 45,56 | 13131 | 1,9 | ||
| 34 | 293 | 41,23 | 13439 | 2,0 | ||
| 47 | 214 | 29,85 | 14154 | 2,8 | DR282-90S/4 | 35 |
| 56 | 178 | 24,79 | 14450 | 3,4 |

Вернуться к выбору мощностей
Мотор редуктор DR282 и DR283 можно использовать как технический аналог мотор редукторов F312 и F313 , F 312 и F 31 3 , F3 1 2 и F31 3 (выпускаемых Bonfiglioli /Италия).
Если вы хотите купить цилиндрический редуктор DR282 и DR283 , вы можете:
Позвонить:
Российская Федерация
+7 (495) 369-04-89
+7 (910) 726-725-4 (МТС) Смоленск
info@tech-privod.com
Республика Беларусь
+375 17 272-04-08 (т/ф) Минск
+375 29 61-787-61 (A1) Минск
+7 (495) 369-04-89
+7 (910) 726-725-4 (МТС) Смоленск
info@tech-privod.com
Республика Беларусь
+375 17 272-04-08 (т/ф) Минск
+375 29 61-787-61 (A1) Минск
