Цилиндрический редуктор DR573 3,5 об/мин ... 10 об/мин
3,5 об/мин ... 10 об/мин
Трансмиссионная зубчатая механическая передача DR573-90S/4 или DR573-90L/6 - полноценный агрегат для вырабатывания мощнейшего крутящего момента до 2200 Нм, при подводимой мощности 1,1 KW, с передаточными соотношениями: 1:125 , 1:150 , 1:170 , 1:190 , 1:210 , 1: 255.Прочное, чугунное корпусное литье.
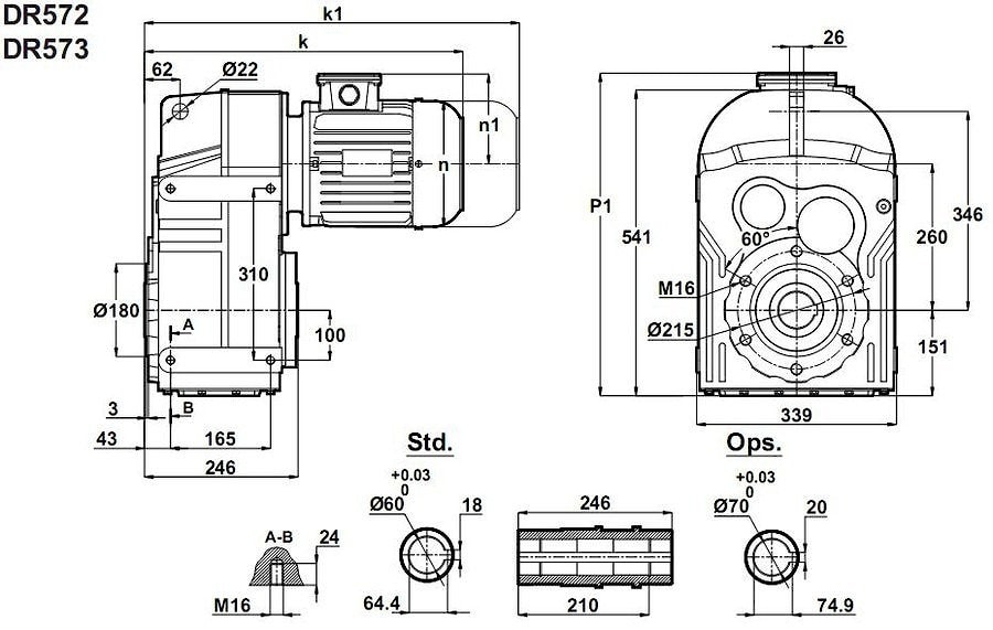
Исполнение мотор редуктора: полый вал, массивный вал, выходной фланец, зажим полого вала, экструдерная приставка.
Монтажные расположения: М1 , М2 , М3 , М4 , М5 , М6.
Антиреверсная муфта, ограничитель крутящего момента.
Условное обозначение
Каталог D-series
| Обороты на выходном валу | Крутящий момент на выходном валу | Передаточное число | Радиальные нагрузки на выходной вал | Сервис фактор | Тип редуктора | Масса |
| n2 (об/мин-1) | M2 (Нм) | i | Fr (Н) | fs | m (кг) | |
| 3,5 | 2791 | 255,83 | 24815 | 1,1 | DR573-90L/6 | 158 |
| 4,3 | 2293 | 209,81 | 29856 | 1,3 | ||
| 4,7 | 2105 | 192,62 | 31545 | 1,4 | ||
| 5,5 | 1799 | 255,83 | 33788 | 1,7 | DR573-90S/4 | 157 |
| 6,7 | 1478 | 209,81 | 35878 | 2,0 | ||
| 7,3 | 1357 | 192,62 | 36672 | 2,2 | ||
| 8,3 | 1189 | 168,60 | 37637 | 2,5 | ||
| 9,4 | 1053 | 149,15 | 38373 | 2,8 | ||
| 11 | 891 | 126,06 | 39199 | 3,4 |

Вернуться к выбору мощностей
Мотор-редуктор DR573 - является полным аналогом мотор-редуктор TNC53 / производства Tos-Znojmo , Чехия ; как технический аналог мотор-редуктор можно рассматривать относительно к моделям MPD125 и MPD125/3 , MPL125 и MPL125/3 / производства Siti , Италия ; S123 / производства Motovario , Италия ;SK5382 /производства Nord , Германия ; F602 и F603 / производства Bonfiglioli , Италия , ZF160B и ZF160C / производства Tramec , Италия .
Редуктор DT573 является аналогом редукторов PD125- , PD125/3 производства Siti / Италия ; ZA160B , ZA160C производства Tramec / Италия .
Если вы хотите купить цилиндрический редуктор DR573 , вы можете:
Позвонить:
Российская Федерация
+7 (495) 369-04-89
+7 (910) 726-725-4 (МТС) Смоленск
info@tech-privod.com
Республика Беларусь
+375 17 272-04-08 (т/ф) Минск
+375 29 61-787-61 (A1) Минск
+7 (495) 369-04-89
+7 (910) 726-725-4 (МТС) Смоленск
info@tech-privod.com
Республика Беларусь
+375 17 272-04-08 (т/ф) Минск
+375 29 61-787-61 (A1) Минск
