Цилиндрический редуктор DR172 и DR173 60 об/мин ... 600 об/мин
60 об/мин ... 600 об/мин
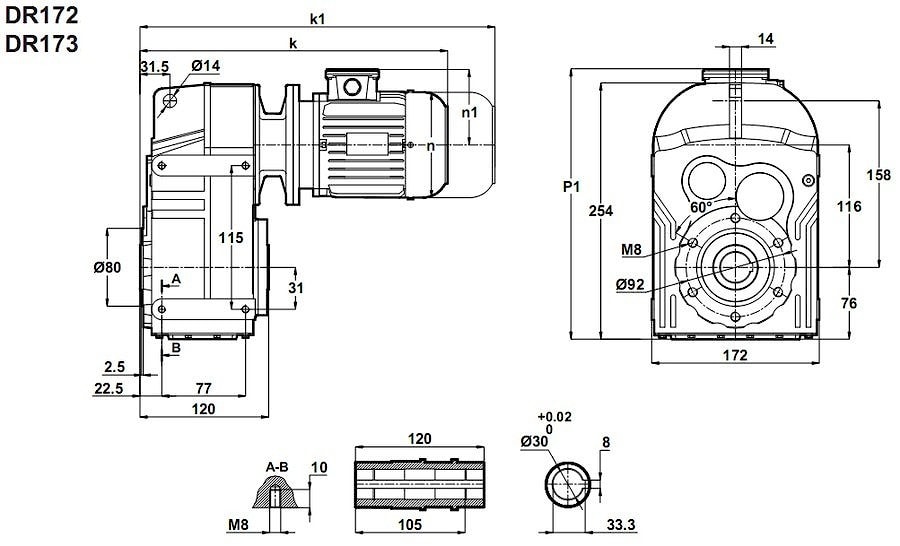
Навесной цилиндрический универсальный и многофункциональный мотор-редуктор с параллельными валамиDR172-80/2b или DR172-90S/4 или DR173-90S/4 - двух ступенчатый и трех ступенчатый шестереночный привод с цельным литым корпусом и агрегатированный асинхронным электрическим двигателем мощностью 1,1 кВт (1,1*3000 , 1,1*1500 , 1*1*1000 , 1,1*750).
Средне и высоко-ходный редуктор: 44 об/мин - 576 об/мин.
Крутящее усилие на конце выходного вала: 100 нм - 200 нм.
Гарантия - 2 года.
Условное обозначение
Каталог D-series
| Обороты на выходном валу | Крутящий момент на выходном валу | Передаточное число | Радиальные нагрузки на выходной вал | Сервис фактор | Тип редуктора | Масса |
| n2 (об/мин-1) | M2 (Нм) | i | Fr (Н) | fs | m (кг) | |
| 44 | 223 | 31,52 | 4061 | 0,9 | DR173-90S/4 | 27 |
| 52 | 193 | 27,18 | 4010 | 1,0 | ||
| 64 | 157 | 21,79 | 3899 | 1,3 | DR172-90S/4 | 24 |
| 74 | 137 | 19,04 | 3816 | 1,5 | ||
| 78 | 129 | 17,86 | 3774 | 1,6 | ||
| 92 | 109 | 15,18 | 3660 | 1,8 | ||
| 106 | 95 | 13,19 | 3554 | 2,1 | ||
| 121 | 83 | 11,54 | 3451 | 2,4 | ||
| 147 | 69 | 9,54 | 3300 | 2,9 | ||
| 181 | 56 | 7,74 | 3094 | 3,2 | ||
| 208 | 49 | 6,72 | 2987 | 3,5 | ||
| 238 | 43 | 5,88 | 2885 | 3,8 | ||
| 288 | 35 | 4,86 | 2741 | 4,1 | ||
| 362 | 28 | 7,74 | 2572 | 5,2 | DR172-80/2b | 22 |
| 417 | 24 | 6,72 | 2471 | 5,6 | ||
| 476 | 21 | 5,88 | 2377 | 6,1 | ||
| 576 | 18 | 4,86 | 2248 | 6,6 |

Вернуться к выбору мощностей
Мотор-редуктор DR172 и DR173 - является полным аналогом мотор-редукторов TNC12 и TNC13 , TNC 12 и TNC 13 , TN C12 и TN C 13 (производства Tos-Znojmo / Чехия) ; как технический аналог мотор-редуктор можно рассматривать маркам м/редукторов MPL63 и MPL63/3 , MPL 63 и MPL 63 3 , M PL 63 и M PL63 3 (производства Siti /Италия) ; моторредукторов S052 и S053 , S 052 и S 05 3 , S 05 2 и S 053 (производства Motovario /Италия) ; редукторов SK1282 и SK1382NB , SK 1282 и SK 1382NB , S K 12 82 и SK 1382 NB (производства Nord /Германия) ; мотор-редукторов F202 и F203 , F 20 2 и F 20 3 , F20 2 и F20 3 (производства Bonfiglioli /Италия). Редуктор DT172 и DT173 является аналогом редукторов PL63 , PL63/3 , PL 63 , PL 63 3 , P L 63 , PL 63-3 (прои зводства Siti /Италия).
Если вы хотите купить цилиндрический редуктор DR172 и DR173 , вы можете:
Позвонить:
Российская Федерация
+7 (495) 369-04-89
+7 (910) 726-725-4 (МТС) Смоленск
info@tech-privod.com
Республика Беларусь
+375 17 272-04-08 (т/ф) Минск
+375 29 61-787-61 (A1) Минск
+7 (495) 369-04-89
+7 (910) 726-725-4 (МТС) Смоленск
info@tech-privod.com
Республика Беларусь
+375 17 272-04-08 (т/ф) Минск
+375 29 61-787-61 (A1) Минск
