Цилиндрический редуктор DR774    1,5 об/мин ... 5,0 об/мин
 1,5 об/мин ... 5,0 об/мин
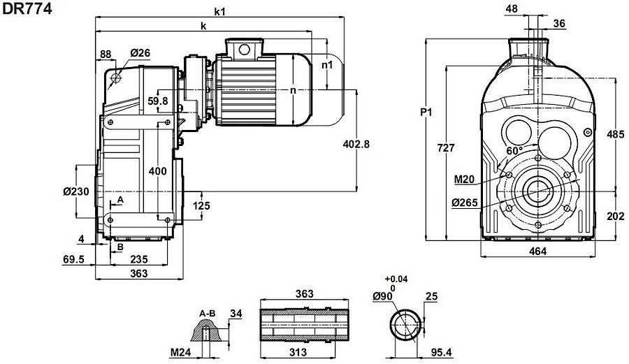
   Многофункциональный цилиндрический мотор-редуктор с параллельным валом DR774-90S/4 и DR774-90L/6 ( торцевой мотор-редуктор, навесной мотор-редуктор, насадной мотор-редуктор, вертикальный мотор-редуктор, мотор-редуктор с полой втулкой и т.д.). Трансмиссия с богатым выбором передаточных чисел: i=320 , i=385 , i=440 , i=490 , i=565 , i=630 . Мощность - 1,1 кВт. Вращающие моменты - 2200 Нм - 6000 Нм.Допустимые радиальные нагрузки: 70000 N.
Меж осевое расстояние - 403 мм.
Гарантия - 12 месяцев.
Условное обозначение
Каталог D-series
| Обороты на выходном валу | Крутящий момент на выходном валу | Передаточное число | Радиальные нагрузки на выходной вал | Сервис фактор | Тип редуктора | Масса | 
| n2 (об/мин-1) | M2 (Нм) | i | Fr (Н) | fs | m (кг) | |
| 1,4 | 6778 | 632,92 | 63309 | 1,2 | DR774-90L/6 | 300 | 
| 1,6 | 6070 | 566,21 | 67245 | 1,3 | ||
| 1,8 | 5242 | 489,64 | 71378 | 1,5 | ||
| 2,2 | 4357 | 632,92 | 75224 | 1,8 | DR774-90S/4 | 301 | 
| 2,5 | 3902 | 566,21 | 77023 | 2,1 | ||
| 2,9 | 3370 | 489,64 | 78982 | 2,4 | ||
| 3,2 | 3016 | 438,10 | 80204 | 2,7 | ||
| 3,6 | 2653 | 384,72 | 81395 | 3,0 | ||
| 4,4 | 2221 | 321,33 | 82868 | 3,6 | 

Вернуться к выбору мощностей
Мотор редуктор DR774 можно использовать как технический аналог к мотор редуктору SK7282 / 22 и SK7382 /32 / выпускаемых NORD , Германия ; мотор-редуктору F804 / производства Bonfiglioli , Италия.
Если вы хотите купить цилиндрический редуктор DR774   , вы можете:
 Позвонить: 
Российская Федерация
+7 (495) 369-04-89
+7 (910) 726-725-4 (МТС) Смоленск
info@tech-privod.com
Республика Беларусь
+375 17 272-04-08 (т/ф) Минск
+375 29 61-787-61 (A1) Минск
+7 (495) 369-04-89
+7 (910) 726-725-4 (МТС) Смоленск
info@tech-privod.com
Республика Беларусь
+375 17 272-04-08 (т/ф) Минск
+375 29 61-787-61 (A1) Минск
