Цилиндрический редуктор DR373 15 об/мин ... 45 об/мин
15 об/мин ... 45 об/мин
Цилиндрический редуктор с параллельными валамиDR373-90S/4 - электромеханический приводной агрегат с различными монтажными исполнения ми: с полой втулкой, с цельным валом, с выходным фланцем, с зажимным устройством, с специальной приставкой для экструдеров (смесителей) и др.
Подводимая мощность - 1,1 KW.
Вращающая мощность на выходе достигает 300 нм - 850 нм.
Выходная скорость вала: 9,0 - 44 оборотов/минуту.
Допустимые радиальные нагрузки - 14 000 н.
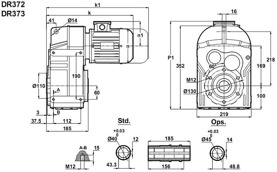
Условное обозначение
Каталог D-series
| Обороты на выходном валу | Крутящий момент на выходном валу | Передаточное число | Радиальные нагрузки на выходной вал | Сервис фактор | Тип редуктора | Масса |
| n2 (об/мин-1) | M2 (Нм) | i | Fr (Н) | fs | m (кг) | |
| 9,0 | 1063 | 151,15 | 6914 | 0,8 | DR373-90S/4 | 76 |
| 12 | 856 | 121,67 | 11407 | 1,0 | ||
| 13 | 752 | 106,69 | 12971 | 1,1 | ||
| 15 | 665 | 94,32 | 14071 | 1,2 | ||
| 18 | 560 | 79,34 | 15226 | 1,5 | ||
| 21 | 477 | 67,45 | 16031 | 1,7 | ||
| 24 | 409 | 57,79 | 16623 | 2,0 | ||
| 27 | 371 | 52,30 | 16936 | 2,2 | ||
| 34 | 294 | 41,42 | 17758 | 2,7 | ||
| 39 | 252 | 35,49 | 18286 | 3,0 | ||
| 44 | 229 | 32,11 | 18572 | 3,2 |

Вернуться к выбору мощностей
Мотор-редуктор DR373 - является полным аналогом мотор-редуктор TNC33 производства Tos-Znojmo , Чехия ; MPD80 и MPD80/3 / производства Siti , Италия ; как технический аналог мотор-редуктор можно рассматривать к моделям MPL100 и MPL100/3 / производства Siti , Италия ; S083 / производства Motovario , Италия ; SK3382 /производства Nord , Германия ; F413 / производства Bonfiglioli , Италия , ZF100B и ZF100C / производства Tramec , Италия .
Редуктор DT373 является аналогом редукторов PL100- , PL100/3 , PD80- , PD80/3 производства Siti / Италия ; ZA100B , ZA100C производства Tramec / Италия .
Если вы хотите купить цилиндрический редуктор DR373 , вы можете:
Позвонить:
Российская Федерация
+7 (495) 369-04-89
+7 (910) 726-725-4 (МТС) Смоленск
info@tech-privod.com
Республика Беларусь
+375 17 272-04-08 (т/ф) Минск
+375 29 61-787-61 (A1) Минск
+7 (495) 369-04-89
+7 (910) 726-725-4 (МТС) Смоленск
info@tech-privod.com
Республика Беларусь
+375 17 272-04-08 (т/ф) Минск
+375 29 61-787-61 (A1) Минск
