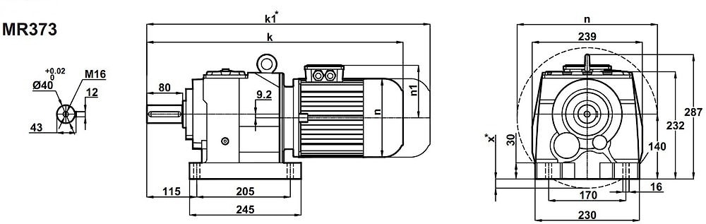
Соосный цилиндрический редуктор MR373, NR373 Номинальная мощность - 0,75 кВт Выходные обороты: 8,1 об/мин ... 30 об/мин
Номинальная мощность - 0,75 кВт
Выходные обороты: 8,1 об/мин ... 30 об/мин

Оптимальные выходные обороты для данного габарита 8,0 об/мин ~ 30 об/мин
Номинальный крутящий момент - до 750 Nm.
Надежный высокоэффективный редуктор, долговечный, неприхотливый.
Узел заправлен заводским трансмиссионным маслом, имеются сервисные горловины для своевременной смены смазки.
Сервис-фактор (fs)
Монтажные расположения
Комбинированное исполнение (лапы, фланец)
Применяемые типы масел
Условное обозначение
Каталог M-series
Обороты на выходном валу | Крутящий момент на выходном валу | Передаточное число | Радиальные нагрузки на выходной вал | Сервис фактор | Тип редуктора | Масса |
n2 (об/мин-1) | M2 (Нм) | i | Fr (Н) | fs | m (кг) | |
6,5 | 1030 | 138,72 | 3944 | 0,8 | MR373-90S/6 NR373-90S/6 | 122 125 |
8,1 | 830 | 111,67 | 9724 | 1,0 | ||
8,9 | 755 | 157,76 | 11031 | 1,1 | MR373-80/4b NR373-80/4b | 115 118 |
10 | 665 | 138,72 | 12312 | 1,2 | ||
13 | 536 | 111,67 | 11754 | 1,5 | ||
14 | 470 | 97,92 | 11405 | 1,7 | ||
16 | 416 | 86,57 | 11075 | 2,0 | ||
19 | 350 | 72,81 | 10608 | 2,3 | ||
23 | 298 | 61,91 | 10172 | 2,7 | ||
26 | 256 | 53,04 | 9761 | 3,2 | ||
29 | 232 | 48,00 | 9499 | 3,5 |


Вернуться к выбору мощностей
Соосно-цилиндрический мотор-редуктор MR373 и NR373 можно рассматривать как: полный аналог соосно-цилиндрических мотор-редукторов таких брэндов , как Varvel (Италия) , Motovario (Италия) , STM (Италия) , Transtecno (Италия) , Siti (Италия) , Tos Znojmo (Чехия) , Sew Eurodrive (Германия) , KEB (Германия) , PGR (Турция) и других .
Соосно-цилиндрический мотор-редуктор MR373 и NR373 можно рассматривать как: технический аналог червячных редукторов таких брэндов , как Bonfiglioli (Италия) , Innovari/Hydromec (Италия) , Watt Drive (Австрия) , Nord Getriebebau DriveSystems (Германия) , Bauer Gearmotors (Германия) , Lenze (Германия) .
Если вы хотите купить соосный цилиндрический редуктор MR373, NR373 , вы можете:
Позвонить:
Российская Федерация
+7 (495) 369-04-89
+7 (910) 726-725-4 (МТС) Смоленск
info@tech-privod.com
Республика Беларусь
+375 17 272-04-08 (т/ф) Минск
+375 29 61-787-61 (A1) Минск
+7 (495) 369-04-89
+7 (910) 726-725-4 (МТС) Смоленск
info@tech-privod.com
Республика Беларусь
+375 17 272-04-08 (т/ф) Минск
+375 29 61-787-61 (A1) Минск