Соосный цилиндрический редуктор MR202, MR203, NR202 и NR203 Номинальная мощность - 0,75 кВт Выходные обороты: 25 об/мин ... 90 об/мин
Номинальная мощность - 0,75 кВт
Выходные обороты: 25 об/мин ... 90 об/мин
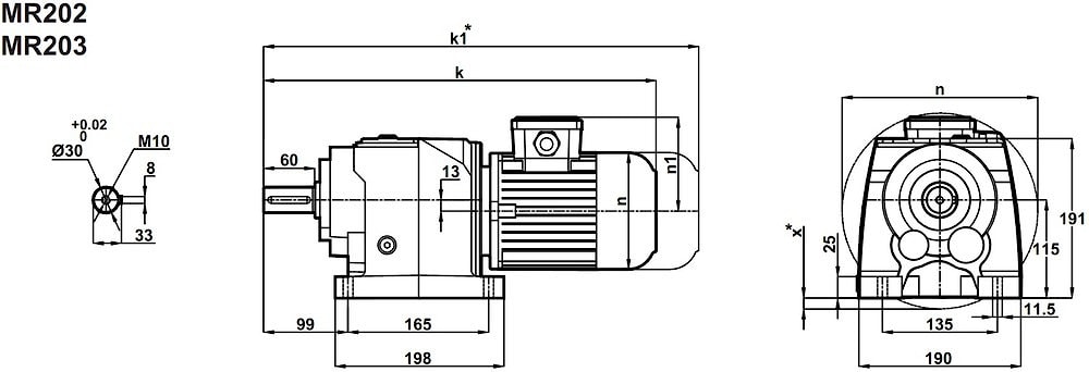
Соосно-цилиндрический мотор-редуктор MR203-80/4b (лапы),NR203-80/4b (фланец), MR202-80/4b (лапы), NR202-80/4b (фланец) представляет собой электродвигатель номинальной мощностью 0,75 кВт и редукторный механизм с оптимальной скоростью вращения выходного вала для данного габарита от 25 об/мин ~ 90 об/мин (откорректированной под необходимый сервис-фактор). . Привод служит для передачи номинального крутящего момента до 220 Nm, предел допустимых радиально осевых нагрузок на выходной вал до 6000 N.Редукторная часть заправлена заводской трансмиссионной смазкой.
Сервис-фактор (fs)
Монтажные расположения
Комбинированное исполнение (лапы, фланец)
Применяемые типы масел
Условное обозначение
Каталог M-series
| Обороты на выходном валу | Крутящий момент на выходном валу | Передаточное число | Радиальные нагрузки на выходной вал | Сервис фактор | Тип редуктора | Масса |
| n2 (об/мин-1) | M2 (Нм) | i | Fr (Н) | fs | m (кг) | |
| 21 | 327 | 68,03 | 6218 | 0,9 | MR203-80/4b NR203-80/4b | 32 34 |
| 24 | 286 | 59,43 | 6076 | 1,0 | ||
| 25 | 268 | 55,74 | 6055 | 1,0 | ||
| 30 | 228 | 47,39 | 5816 | 1,2 | ||
| 32 | 212 | 43,94 | 5725 | 1,3 | ||
| 34 | 199 | 41,16 | 5645 | 1,4 | ||
| 39 | 174 | 36,02 | 5478 | 1,6 | ||
| 49 | 136 | 28,35 | 5069 | 2,1 | ||
| 57 | 119 | 24,77 | 4909 | 2,3 | ||
| 60 | 112 | 23,23 | 4833 | 2,4 | ||
| 61 | 112 | 23,01 | 5729 | 2,5 | MR202-80/4b NR202-80/4b | 31 33 |
| 70 | 98 | 20,10 | 5454 | 2,6 | ||
| 74 | 92 | 18,85 | 5329 | 2,8 | ||
| 87 | 78 | 16,03 | 5026 | 3,1 |
Вернуться к выбору мощностей
Соосно-цилиндрический мотор-редуктор MR202(3) и NR202(3) можно рассматривать как: полный аналог соосно-цилиндрических мотор-редукторов таких брэндов , как Varvel (Италия) , Motovario (Италия) , STM (Италия) , Transtecno (Италия) , Siti (Италия) , Tos Znojmo (Чехия) , Sew Eurodrive (Германия) , KEB (Германия) , PGR (Турция) и других .
Соосно-цилиндрический мотор-редуктор MR202(3) и NR202(3) можно рассматривать как: технический аналог червячных редукторов таких брэндов , как Bonfiglioli (Италия) , Innovari/Hydromec (Италия) , Watt Drive (Австрия) , Nord Getriebebau DriveSystems (Германия) , Bauer Gearmotors (Германия) , Lenze (Германия) .
Если вы хотите купить соосный цилиндрический редуктор MR202, MR203, NR202 и NR203 , вы можете:
Позвонить:
Российская Федерация
+7 (495) 369-04-89
+7 (910) 726-725-4 (МТС) Смоленск
info@tech-privod.com
Республика Беларусь
+375 17 272-04-08 (т/ф) Минск
+375 29 61-787-61 (A1) Минск
+7 (495) 369-04-89
+7 (910) 726-725-4 (МТС) Смоленск
info@tech-privod.com
Республика Беларусь
+375 17 272-04-08 (т/ф) Минск
+375 29 61-787-61 (A1) Минск
