Соосный цилиндрический редуктор MR173 и NR173 Номинальная мощность - 0,18 кВт Выходные обороты: 10 об/мин ... 30 об/мин
Номинальная мощность - 0,18 кВт
Выходные обороты: 10 об/мин ... 30 об/мин

Редуктор предлагается со следующими передаточными числами: i=1/50 , i=1/60 , i=1/70 , i=1/80 , i=1/90 , i=1/100 (для соблюдения оптимального сервис-фактора лучше выбирать передаточное число из следующих).
Привод производится в трех монтажных пополнениях: фланцевое исполнение, исполнение на лапах, комбинированное исполнение.
Гарантия - 2 года.
Сервис-фактор (fs)
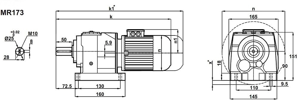
Монтажные расположения
Комбинированное исполнение (лапы, фланец)
Применяемые типы масел
Условное обозначение
Каталог M-series
Обороты на выходном валу | Крутящий момент на выходном валу | Передаточное число | Радиальные нагрузки на выходной вал | Сервис фактор | Тип редуктора | Масса |
n2 (об/мин-1) | M2 (Нм) | i | Fr (Н) | fs | m (кг) | |
9,1 | 176 | 99,21 | 4517 | 1,1 | MR173-71/6a NR173-71/6a | 16 18 |
10 | 156 | 87,60 | 4961 | 1,3 | ||
11 | 146 | 81,82 | 5174 | 1,4 | ||
13 | 123 | 69,19 | 5581 | 1,6 | ||
14 | 113 | 99,21 | 5567 | 1,8 | MR173-63/4b NR173-63/4b | 13 15 |
16 | 100 | 87,60 | 5393 | 2,0 | ||
17 | 93 | 81,82 | 5299 | 2,1 | ||
20 | 79 | 69,16 | 5067 | 2,5 | ||
24 | 66 | 57,76 | 4832 | 3,0 | ||
28 | 57 | 49,81 | 4627 | 3,5 |


Вернуться к выбору мощностей
Соосно-цилиндрический мотор-редуктор MR173 и NR173 можно рассматривать как: полный аналог соосно-цилиндрических мотор-редукторов таких брэндов , как Varvel (Италия) , Motovario (Италия) , STM (Италия) , Transtecno (Италия) , Siti (Италия) , Tos Znojmo (Чехия) , Sew Eurodrive (Германия) , KEB (Германия) , PGR (Турция) и других .
Соосно-цилиндрический мотор-редуктор MR173 и NR173 можно рассматривать как: технический аналог червячных редукторов таких брэндов , как Bonfiglioli (Италия) , Innovari/Hydromec (Италия) , Watt Drive (Австрия) , Nord Getriebebau DriveSystems (Германия) , Bauer Gearmotors (Германия) , Lenze (Германия) .
Если вы хотите купить соосный цилиндрический редуктор MR173 и NR173 , вы можете:
Позвонить:
Российская Федерация
+7 (495) 369-04-89
+7 (910) 726-725-4 (МТС) Смоленск
info@tech-privod.com
Республика Беларусь
+375 17 272-04-08 (т/ф) Минск
+375 29 61-787-61 (A1) Минск
+7 (495) 369-04-89
+7 (910) 726-725-4 (МТС) Смоленск
info@tech-privod.com
Республика Беларусь
+375 17 272-04-08 (т/ф) Минск
+375 29 61-787-61 (A1) Минск