Соосный цилиндрический редуктор MR273 и NR273 Номинальная мощность - 0,18 кВт Выходные обороты: 6,0 об/мин ... 12 об/мин
Номинальная мощность - 0,18 кВт
Выходные обороты: 6,0 об/мин ... 12 об/мин

Наиболее рациональная частота вращения выходного вала: 6,0 об/мин ~ 12 об/мин (в рамках нормативного сервис-фактора).
Привод рекомендуется для использования в увязке с частотно регулирующими контроллерами, в более критических условиях эксплуатации.
Сервис-фактор (fs)
Монтажные расположения
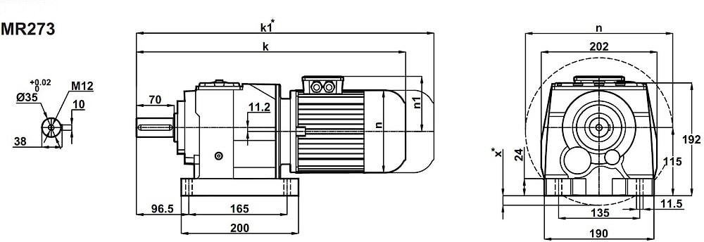
Комбинированное исполнение (лапы, фланец)
Применяемые типы масел
Условное обозначение
Каталог M-series
Обороты на выходном валу | Крутящий момент на выходном валу | Передаточное число | Радиальные нагрузки на выходной вал | Сервис фактор | Тип редуктора | Масса |
n2 (об/мин-1) | M2 (Нм) | i | Fr (Н) | fs | m (кг) | |
6,5 | 246 | 138,55 | 7700 | 1,8 | MR273-71/6a NR273-71/6a | 30 32 |
7,4 | 215 | 121,03 | 7800 | 2,1 | ||
7,9 | 202 | 113,52 | 7900 | 2,2 | ||
9,3 | 172 | 96,52 | 7950 | 2,6 | ||
10 | 158 | 138,55 | 7950 | 2,8 | MR273-63/4b NR273-63/4b | 28 30 |
11 | 138 | 121,03 | 7650 | 3,3 | ||
12 | 130 | 113,52 | 7499 | 3,5 |


Вернуться к выбору мощностей
Соосно-цилиндрический мотор-редуктор MR273 и NR273 можно рассматривать как: полный аналог соосно-цилиндрических мотор-редукторов таких брэндов , как Varvel (Италия) , Motovario (Италия) , STM (Италия) , Transtecno (Италия) , Siti (Италия) , Tos Znojmo (Чехия) , Sew Eurodrive (Германия) , KEB (Германия) , PGR (Турция) и других .
Соосно-цилиндрический мотор-редуктор MR273 и NR273 можно рассматривать как: технический аналог червячных редукторов таких брэндов , как Bonfiglioli (Италия) , Innovari/Hydromec (Италия) , Watt Drive (Австрия) , Nord Getriebebau DriveSystems (Германия) , Bauer Gearmotors (Германия) , Lenze (Германия) .
Если вы хотите купить соосный цилиндрический редуктор MR273 и NR273 , вы можете:
Позвонить:
Российская Федерация
+7 (495) 369-04-89
+7 (910) 726-725-4 (МТС) Смоленск
info@tech-privod.com
Республика Беларусь
+375 17 272-04-08 (т/ф) Минск
+375 29 61-787-61 (A1) Минск
+7 (495) 369-04-89
+7 (910) 726-725-4 (МТС) Смоленск
info@tech-privod.com
Республика Беларусь
+375 17 272-04-08 (т/ф) Минск
+375 29 61-787-61 (A1) Минск