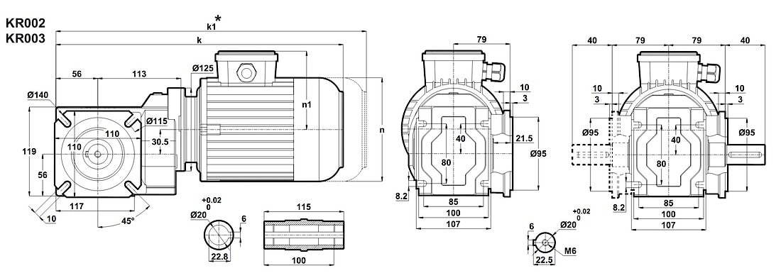
Конический редуктор KR002 70 об/мин ... 375 об/мин
70 об/мин ... 375 об/мин
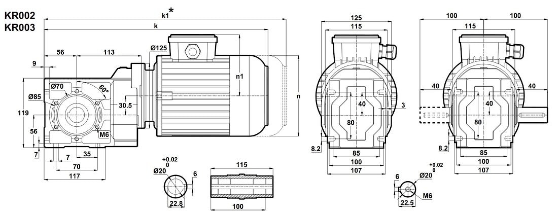
Конические мотор-редукторы KR002 и KR003Условное обозначение
Каталог K-series
| Обороты на выходном валу | Крутящий момент на выходном валу | Передаточное число | Радиальные нагрузки на выходной вал | Сервис фактор | Тип редуктора | Масса |
| n2 (об/мин-1) | M2 (Нм) | i | Fr (Н) | fs | m (кг) | |
| 70 | 96 | 19,88 | 3348 | 0,8 | KR002-80/4b | 14 |
| 87 | 78 | 16,18 | 3557 | 1,0 | ||
| 95 | 71 | 14,73 | 3491 | 1,0 | ||
| 106 | 64 | 13,26 | 3414 | 1,2 | ||
| 126 | 54 | 11,09 | 3275 | 1,4 | ||
| 149 | 46 | 9,4 | 3142 | 1,5 | ||
| 174 | 39 | 8,04 | 3015 | 1,7 | ||
| 188 | 36 | 7,46 | 2954 | 1,8 | ||
| 211 | 32 | 13,26 | 2861 | 1,9 | KR002-80/2a | 13 |
| 253 | 27 | 11,09 | 2717 | 2,2 | ||
| 298 | 23 | 9,4 | 2588 | 2,4 | ||
| 348 | 20 | 8,04 | 2471 | 2,8 | ||
| 375 | 18 | 7,46 | 2415 | 3,0 |

Вернуться к выбору мощностей
Если вы хотите купить конический редуктор KR002 , вы можете:
Позвонить:
Российская Федерация
+7 (495) 369-04-89
+7 (910) 726-725-4 (МТС) Смоленск
info@tech-privod.com
Республика Беларусь
+375 17 272-04-08 (т/ф) Минск
+375 29 61-787-61 (A1) Минск
+7 (495) 369-04-89
+7 (910) 726-725-4 (МТС) Смоленск
info@tech-privod.com
Республика Беларусь
+375 17 272-04-08 (т/ф) Минск
+375 29 61-787-61 (A1) Минск
