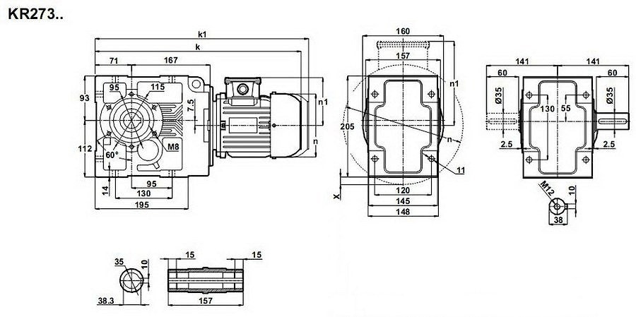
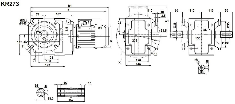
Конические редукторы KR273 15 об/мин... 400 об/мин
15 об/мин... 400 об/мин
Негабаритная коническая трансмиссия, призванная для преобразования угловой скорости, получаемой от электродвигателя мощностью 0,75 кВт, в механический крутящий момент на выходном валу до 450 Нм, и параллельного пере направления под углом в 90 градусов самого передаваемого усилия к оси отбора мощности, - предлагается мотор-редуктор KR273-80/2a, KR273-80/4b и KR273-90S/6.Широкий диапазон количества оборотов для подачи в 1,0 л.с.: 12 - 404 оборотов в минуту.
Допустимые радиальные нагрузки на приводные валы: 10000N.
Условное обозначение
Каталог K-series
| Обороты на выходном валу | Крутящий момент на выходном валу | Передаточное число | Радиальные нагрузки на выходной вал | Сервис фактор | Тип редуктора | Масса |
| n2 (об/мин-1) | M2 (Нм) | i | Fr (Н) | fs | m (кг) | |
| 11 | 625 | 83,48 | 10445 | 0,7 | KR273-90S/6 | 40 |
| 12 | 546 | 72,92 | 10235 | 0,8 | ||
| 14 | 465 | 96,68 | 10642 | 1,0 | KR273-80/4b | 36,5 |
| 17 | 401 | 83,48 | 10445 | 1,1 | ||
| 19 | 351 | 72,92 | 10235 | 1,3 | ||
| 20 | 329 | 68,4 | 10127 | 1,4 | ||
| 24 | 280 | 58,15 | 9835 | 1,6 | ||
| 28 | 243 | 50,51 | 9564 | 1,9 | ||
| 32 | 213 | 44,2 | 9297 | 2,1 | ||
| 38 | 176 | 36,55 | 8906 | 2,6 | ||
| 46 | 147 | 30,48 | 8525 | 3,1 | ||
| 55 | 123 | 25,55 | 8154 | 3,5 | ||
| 61 | 111 | 23,08 | 7941 | 3,7 | ||
| 73 | 92 | 19,08 | 7547 | 4,2 | ||
| 88 | 77 | 15,92 | 7178 | 4,8 | ||
| 105 | 64 | 13,34 | 6829 | 5,5 | ||
| 117 | 58 | 12 | 6554 | 4,3 | ||
| 141 | 48 | 9,92 | 6208 | 5 | ||
| 169 | 40 | 8,28 | 5889 | 5,8 | ||
| 202 | 33 | 6,94 | 5589 | 6,6 | ||
| 210 | 32 | 13,34 | 6829 | 9,4 | KR273-80/2a | 36 |
| 233 | 29 | 12 | 6554 | 7,6 | ||
| 282 | 24 | 9,92 | 6208 | 8,8 | ||
| 338 | 20 | 8,28 | 5889 | 10,1 | ||
| 404 | 17 | 6,94 | 5589 | 11,4 |


Вернуться к выбору мощностей
Мотор-редуктор KR273 - является полным аналогом мотор-редуктора КТМ33 и МВН63 (производства Tos-Znoimo (Чешская Республика) и Siti (Италия) , анагогами ( с приближенными размерностями ) мотор-редукторов ТС90В , ТF90В (производитель -Tramec (Италия)) , мотор-редукторов А 35 2 и А 35 3 , А 30 2 и А 30 3 от Bonfiglioli (Италия), B063 , BA72 , BA73 (производства Motovario (Италия), техническими заменителями мотор-редукторов SK92772 , SK92772 VF , SK92772 AX , SK9012.1 , SK9012.1 VF , SK9012.1 AX , SK9016.1 , SK9016.1 VF , SK9016.1 AX(производства NORD (Германия)).
Редуктор КТ273 можно использовать как аналог редуктора ВН63 производства Siti (Италия), и аналог привода ТА90В , производимого Tramec (Италия)
Если вы хотите купить конические редукторы KR273 , вы можете:
Позвонить:
Российская Федерация
+7 (495) 369-04-89
+7 (910) 726-725-4 (МТС) Смоленск
info@tech-privod.com
Республика Беларусь
+375 17 272-04-08 (т/ф) Минск
+375 29 61-787-61 (A1) Минск
+7 (495) 369-04-89
+7 (910) 726-725-4 (МТС) Смоленск
info@tech-privod.com
Республика Беларусь
+375 17 272-04-08 (т/ф) Минск
+375 29 61-787-61 (A1) Минск
