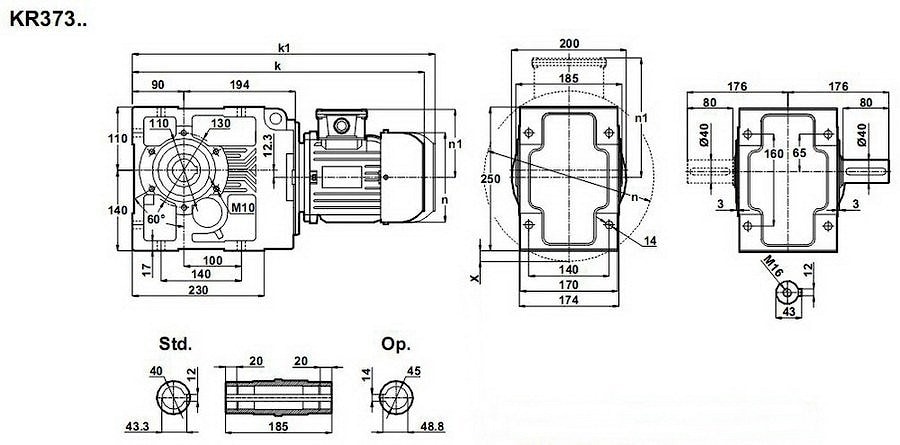
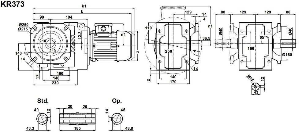
Конические редукторы KR373 8,0 об/мин... 20 об/мин
8,0 об/мин... 20 об/мин
Обще промышленный асинхронный электрический двигатель 0,75кВт/1500 и 0,75кВт/1000 совместно с коническим цилиндрическим редукторным механизмом для средне скоростных оборотов выходного вала в минуту выпускается мотор-редуктор KR373-80/4b KR373-90S/6 , с выходными оборотами: 8,1 - 23 оборотов в минуту.Механическая зубчатая передача также комплектуются моторами 0,75кВт/750 и 0,75кВт/3000 для достижения индивидуальных особенностей использования долгосрочного коническо-цилиндрического привода.
Условное обозначение
Каталог K-series
| Обороты на выходном валу | Крутящий момент на выходном валу | Передаточное число | Радиальные нагрузки на выходной вал | Сервис фактор | Тип редуктора | Масса |
| n2 (об/мин-1) | M2 (Нм) | i | Fr (Н) | fs | m (кг) | |
| 8,1 | 827 | 110,61 | 10281 | 1,0 | KR373-90S/6 | 58 |
| 10 | 685 | 91,54 | 16200 | 1,2 | ||
| 11 | 612 | 127,3 | 12698 | 1,3 | KR373-80/4b | 54 |
| 13 | 532 | 110,61 | 13408 | 1,5 | ||
| 15 | 440 | 91,54 | 14123 | 1,9 | ||
| 18 | 377 | 78,29 | 14604 | 2,2 | ||
| 20 | 330 | 68,65 | 14914 | 2,5 | ||
| 23 | 292 | 60,69 | 15157 | 2,8 |


Вернуться к выбору мощностей
Мотор-редуктор KR373 - является полным аналогом мотор-редуктора КТМ43 и МВН80 (производства Tos-Znoimo (Чешская Республика) и Siti (Италия) , анагогами, с приближенными размерностями, мотор-редукторов ТС112В , ТF112В (производитель -Tramec (Италия)) , мотор-редукторов А 41 2 и А 41 3 от Bonfiglioli (Италия), тенхническими заменителями мотор-редукторов SK9022.1 , SK9022.1 , SK9022.1 AZ (производства NORD (Германия)), В083 (от Motovario).
Редуктор КТ373 можно использовать как аналогичный (приближенный к присоеденительным размерам) редуктору КЦ1-200 российского производства , привода ТА90В (производимого Tramec (Италия)), технический аналог редукторам ВН80 (произведенных под маркой Siti (Италия)).
Если вы хотите купить конические редукторы KR373 , вы можете:
Позвонить:
Российская Федерация
+7 (495) 369-04-89
+7 (910) 726-725-4 (МТС) Смоленск
info@tech-privod.com
Республика Беларусь
+375 17 272-04-08 (т/ф) Минск
+375 29 61-787-61 (A1) Минск
+7 (495) 369-04-89
+7 (910) 726-725-4 (МТС) Смоленск
info@tech-privod.com
Республика Беларусь
+375 17 272-04-08 (т/ф) Минск
+375 29 61-787-61 (A1) Минск
