Конические редукторы KR473 6,0 об/мин... 14 об/мин
6,0 об/мин... 14 об/мин
Конический редуктор - редукторный механизм с ведомым цилиндрическими звеньями отбора мощности и коническим звеном подвода мощности пересекаются под прямым углом.Трехступенчатый коническо-цилиндрический мотор-редуктор KR473-80/4b KR473-90S/6 предлагается с электромотором в шести- полюсном и четырех- полюсном исполнении мощностью 0,75кВ (0,75/1000 и 0,75/1500).
Выходные обороты 5,9 об/мин - 13 об/мин.
Крутящий момент на валу 500 Нм - 1200 Нм.
Радиальные нагрузки 20000 Н.
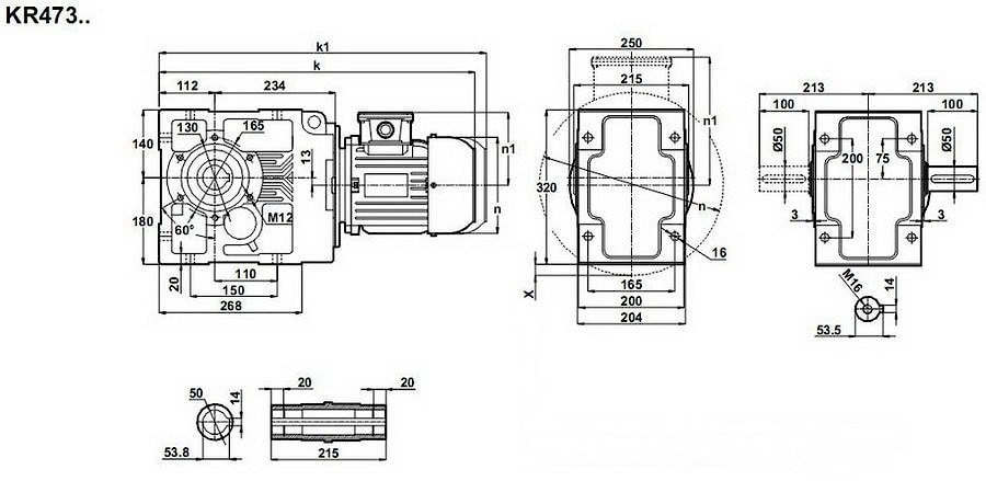
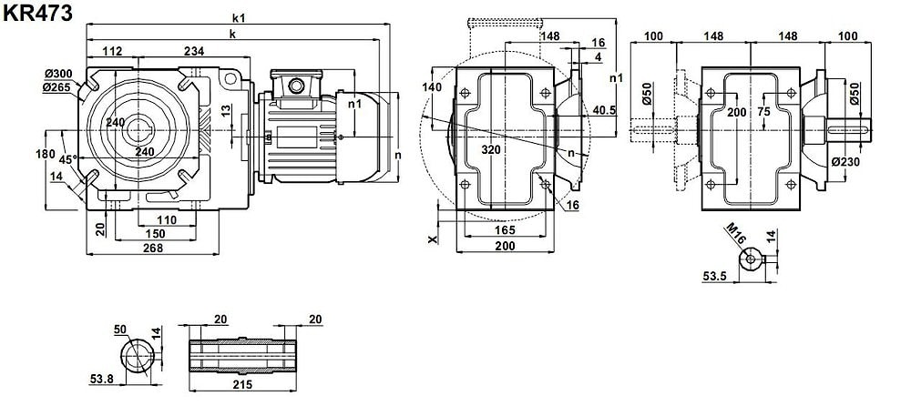
Условное обозначение
Каталог K-series
| Обороты на выходном валу | Крутящий момент на выходном валу | Передаточное число | Радиальные нагрузки на выходной вал | Сервис фактор | Тип редуктора | Масса |
| n2 (об/мин-1) | M2 (Нм) | i | Fr (Н) | fs | m (кг) | |
| 5,9 | 1221 | 153,47 | 18423 | 1,3 | KR473-90S/6 | 93 |
| 6,6 | 1082 | 135,98 | 19420 | 1,4 | ||
| 8,1 | 881 | 110,65 | 20694 | 1,8 | ||
| 9,1 | 785 | 153,47 | 21230 | 2,0 | KR473-80/4b | 89 |
| 10 | 696 | 135,98 | 21709 | 2,2 | ||
| 13 | 566 | 110,65 | 22352 | 2,7 | ||
| 14 | 500 | 97,79 | 22658 | 3,1 |


Вернуться к выбору мощностей
Мотор-редуктор KR473 - полный аналог мотор-редуктора B103 (от Motovario (Италия)) КТМ53 (Tos-Znojmo (Чехия) МВН100 (Siti (Италия) мотор-редукторов SK9032.1 , SK9032.1 VF , SK9032/1 AZ (NORD (Германия), можно рассматривать как технический аналог мотор-редукторов марок RMI150, RMI150FL , WMI150 (выпускаемых STM (Италия) , MRT150A , MRT150A-FT , MRT150-FF (производство Tos Znojmo (Чехия) , MI150 и MI150-F (произведенных Siti (Италия), MRS150 , MRT150 , SRS150 , SRT150 , 7МЧ-М-150 (производства Varvel (Италия)/Приводная техника (Россия)), мотор-редукторов VF150, А502 и А503 (Bonfiglioli (Италия)).
Редуктор КТ473 можно использовать как технический аналог редуктору КЦ1-250 (российского производства) , привода ВН100 ( произведенных под маркой Siti (Италия)).
Если вы хотите купить конические редукторы KR473 , вы можете:
Позвонить:
Российская Федерация
+7 (495) 369-04-89
+7 (910) 726-725-4 (МТС) Смоленск
info@tech-privod.com
Республика Беларусь
+375 17 272-04-08 (т/ф) Минск
+375 29 61-787-61 (A1) Минск
+7 (495) 369-04-89
+7 (910) 726-725-4 (МТС) Смоленск
info@tech-privod.com
Республика Беларусь
+375 17 272-04-08 (т/ф) Минск
+375 29 61-787-61 (A1) Минск
