Конический редуктор KR202 и KR203 19 об/мин ... 80 об/мин
19 об/мин ... 80 об/мин
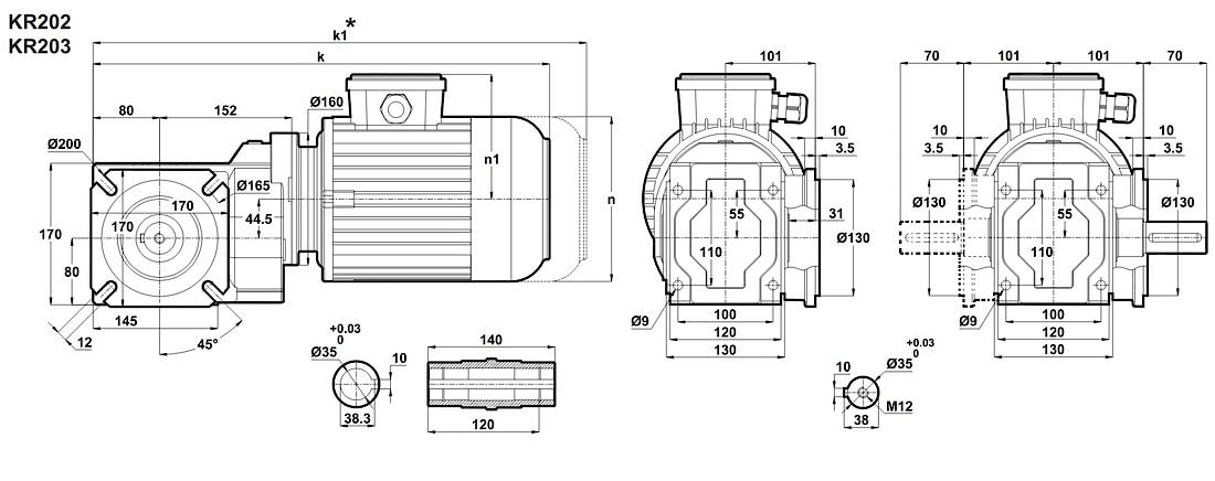
Конический мотор редуктор KR202 и KR203Условное обозначение
Каталог K-series
| Обороты на выходном валу | Крутящий момент на выходном валу | Передаточное число | Радиальные нагрузки на выходной вал | Сервис фактор | Тип редуктора | Масса |
| n2 (об/мин-1) | M2 (Нм) | i | Fr (Н) | fs | m (кг) | |
| 19 | 345 | 72,37 | 4860 | 0,8 | KR203-80/4b | 21 |
| 22 | 303 | 63,33 | 4904 | 0,9 | ||
| 27 | 251 | 52,37 | 5876 | 1,1 | ||
| 32 | 209 | 43,67 | 5790 | 1,3 | ||
| 38 | 176 | 36,61 | 5665 | 1,6 | ||
| 44 | 151 | 31,55 | 5537 | 1,9 | ||
| 53 | 126 | 26,31 | 5357 | 2,1 | ||
| 59 | 115 | 23,79 | 5301 | 2,4 | KR202-80/4b | 20 |
| 69 | 98 | 20,23 | 5109 | 2,9 | ||
| 80 | 85 | 17,47 | 4933 | 3,2 |

Вернуться к выбору мощностей
Если вы хотите купить конический редуктор KR202 и KR203 , вы можете:
Позвонить:
Российская Федерация
+7 (495) 369-04-89
+7 (910) 726-725-4 (МТС) Смоленск
info@tech-privod.com
Республика Беларусь
+375 17 272-04-08 (т/ф) Минск
+375 29 61-787-61 (A1) Минск
+7 (495) 369-04-89
+7 (910) 726-725-4 (МТС) Смоленск
info@tech-privod.com
Республика Беларусь
+375 17 272-04-08 (т/ф) Минск
+375 29 61-787-61 (A1) Минск
