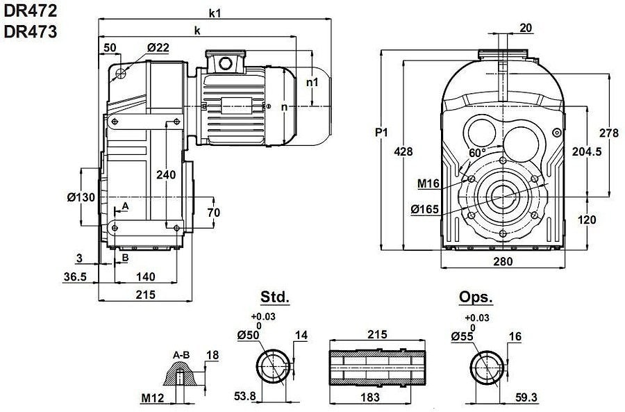
Цилиндрический редуктор DR472 и DR473 60 об/мин ... 600 об/мин
60 об/мин ... 600 об/мин
Широко применяемый привод в разрезе номинальной мощности - 7,5 кВт - цилиндрический мотор-редуктор с параллельными валами DR472-132S/2b , DR472-132М/4 , DR473-132M/4.Мотор: 7,5/3000 , 7,5/1500 , 7,5/1000 , 7,5/750.
Передаваемые усилия: 500 Nm - 1200 Nm.
Радиальные нагрузки на приводные валы: 19000 N.
Ряд передаточных отношений: i=1:4.5 , i=1: 5.2 , i=1: 6.2 , i=1: 6.7 , i=1: 7.5 , i=1: 9.0 , i=1: 12 , i=1: 13.3 i=1: 15 , i=1: 17 , i=1: 19 , i=1: 20,7 , i=1: 24,5 , i=1: 28,5 .
Условное обозначение
Каталог D-series
| Обороты на выходном валу | Крутящий момент на выходном валу | Передаточное число | Радиальные нагрузки на выходной вал | Сервис фактор | Тип редуктора | Масса |
| n2 (об/мин-1) | M2 (Нм) | i | Fr (Н) | fs | m (кг) | |
| 49 | 1391 | 28,45 | 22801 | 0,8 | DR473-132M/4 | 145 |
| 57 | 1212 | 24,54 | 20733 | 1,3 | DR472-132M/4 | 135 |
| 67 | 1025 | 20,74 | 22391 | 1,5 | ||
| 73 | 944 | 19,11 | 23045 | 1,6 | ||
| 82 | 841 | 17,01 | 23837 | 1,8 | ||
| 93 | 744 | 15,02 | 23509 | 2,1 | ||
| 105 | 662 | 13,35 | 22884 | 2,3 | ||
| 113 | 614 | 12,40 | 22491 | 2,5 | DR472-132М/4 | 135 |
| 134 | 519 | 10,48 | 21600 | 3,0 | ||
| 157 | 443 | 8,93 | 20758 | 3,3 | ||
| 186 | 374 | 7,54 | 19716 | 3,2 | ||
| 209 | 333 | 6,71 | 19139 | 3,4 | ||
| 225 | 309 | 6,23 | 18781 | 3,5 | ||
| 266 | 261 | 5,26 | 17979 | 3,8 | ||
| 312 | 223 | 4,48 | 17231 | 4,1 | ||
| 371 | 187 | 7,54 | 16452 | 5,2 | DR472-132S/2b | 130 |
| 418 | 166 | 6,71 | 15934 | 5,5 | ||
| 450 | 154 | 6,23 | 15615 | 5,7 | ||
| 532 | 131 | 5,26 | 14906 | 6,2 | ||
| 625 | 111 | 4,48 | 14252 | 6,7 |

Вернуться к выбору мощностей
Мотор-редуктор DR472 и DR473 - является полным аналогом мотор-редуктор TNC42 и TNC43 / производства Tos-Znojmo , Чехия ; как технический аналог мотор-редуктор можно рассматривать к моделям MPD100 и MPD100/3 / производства Siti , Италия ; S102 и S103 / производства Motovario , Италия ; SK4282 и SK4382 /производства Nord , Германия ; F512 и F513 / производства Bonfiglioli , Италия , ZF125B и ZF125C / производства Tramec , Италия .
Редуктор DT472 и DT473 является аналогом редукторов PL100- , PL100/3 производства Siti / Италия ; ZA125B , ZA125C производства Tramec / Италия .
Если вы хотите купить цилиндрический редуктор DR472 и DR473 , вы можете:
Позвонить:
Российская Федерация
+7 (495) 369-04-89
+7 (910) 726-725-4 (МТС) Смоленск
info@tech-privod.com
Республика Беларусь
+375 17 272-04-08 (т/ф) Минск
+375 29 61-787-61 (A1) Минск
+7 (495) 369-04-89
+7 (910) 726-725-4 (МТС) Смоленск
info@tech-privod.com
Республика Беларусь
+375 17 272-04-08 (т/ф) Минск
+375 29 61-787-61 (A1) Минск
