Цилиндрический редуктор DR873 7,0 об/мин ... 20 об/мин
7,0 об/мин ... 20 об/мин
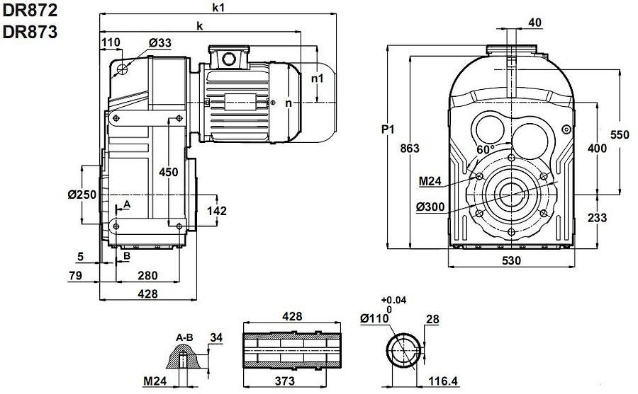
Модели цилиндрического мотор-редуктора с параллельным валом (плоские , торцевые , насадные , вертикальные , редуктора с полым валом и прочее) DR873-132M/4 и DR873-160M/6.Мотор-редуктор с индивидуальным исполнением предназначен для передачи крутящего усилия 4000 Nm ~ 10000 Nm.
Используемые электродвигатели: 7,5кВт/3000об/мин , 7,5кВт/1500 об/мин, 7,5кВт/1000 об/мин, 7,5кВт/750 об/мин.
Скорость выходного вала: 7,8 об/мин ~ 17 об/мин.
Гарантия - 24 месяца.
Условное обозначение
Каталог D-series
| Обороты на выходном валу | Крутящий момент на выходном валу | Передаточное число | Радиальные нагрузки на выходной вал | Сервис фактор | Тип редуктора | Масса |
| n2 (об/мин-1) | M2 (Нм) | i | Fr (Н) | fs | m (кг) | |
| 7,0 | 9616 | 128,20 | 92617 | 1,4 | DR873-160M/6 | 520 |
| 7,8 | 8637 | 115,03 | 96487 | 1,5 | ||
| 8,9 | 7579 | 101,03 | 100191 | 1,7 | ||
| 11 | 6206 | 128,20 | 104531 | 2,1 | DR873-132M/4 | 520 |
| 12 | 5575 | 115,03 | 106362 | 2,3 | ||
| 14 | 4892 | 101,03 | 108231 | 2,7 | ||
| 16 | 4266 | 87,95 | 109853 | 3,0 | ||
| 18 | 3758 | 77,36 | 111106 | 3,5 |

Вернуться к выбору мощностей
Мотор редуктор DR873 можно использовать как технический аналог к мотор редуктору SK8382/ выпускаемых NORD, Германия; мотор-редуктору F904/ производства Bonfiglioli , Италия.
Если вы хотите купить цилиндрический редуктор DR873 , вы можете:
Позвонить:
Российская Федерация
+7 (495) 369-04-89
+7 (910) 726-725-4 (МТС) Смоленск
info@tech-privod.com
Республика Беларусь
+375 17 272-04-08 (т/ф) Минск
+375 29 61-787-61 (A1) Минск
+7 (495) 369-04-89
+7 (910) 726-725-4 (МТС) Смоленск
info@tech-privod.com
Республика Беларусь
+375 17 272-04-08 (т/ф) Минск
+375 29 61-787-61 (A1) Минск
