Цилиндрический редуктор DR572 и DR573 25 об/мин ... 100 об/мин
25 об/мин ... 100 об/мин
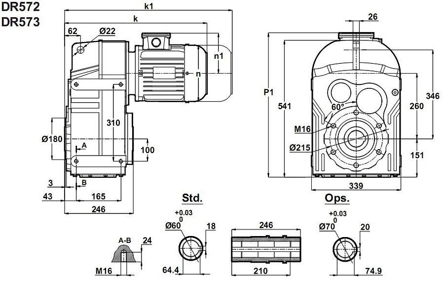
Универсальный промышленный привод DR572-132M/4 и DR573-132M/4 - мотор-редуктор с параллельными осями (торцевой мотор-редуктор, мотор-редуктор насадного типа, вертикальные цилиндрические мотор-редуктор, мотор-редуктор с полой втулкой и т.д.)Электрический мотор - номинальной мощностью 7,5 KW
Доводимое усилие до приводных устройств: 1000 Nm - 3000 Nm.
Скоростные характеристики: 20 об/мин - 103 об/мин.
Монтажные расположения: М1 , М2 , М3 , М4 , М5 , М6.
Условное обозначение
Каталог D-series
| Обороты на выходном валу | Крутящий момент на выходном валу | Передаточное число | Радиальные нагрузки на выходной вал | Сервис фактор | Тип редуктора | Масса |
| n2 (об/мин-1) | M2 (Нм) | i | Fr (Н) | fs | m (кг) | |
| 20 | 3334 | 68,64 | 17016 | 0,9 | DR573-132M/4 | 197 |
| 23 | 2972 | 61,12 | 22453 | 1,0 | ||
| 28 | 2440 | 50,13 | 28519 | 1,2 | ||
| 32 | 2157 | 44,27 | 30998 | 1,4 | ||
| 36 | 1920 | 39,35 | 33545 | 1,5 | ||
| 42 | 1627 | 33,28 | 36514 | 1,7 | ||
| 49 | 1426 | 28,87 | 36260 | 2,1 | DR572-132M/4 | 190 |
| 58 | 1187 | 24,02 | 37613 | 2,5 | ||
| 65 | 1058 | 21,40 | 38353 | 2,8 | ||
| 77 | 901 | 18,23 | 39159 | 3,3 | ||
| 89 | 775 | 15,67 | 39755 | 3,9 | ||
| 103 | 674 | 13,60 | 38552 | 4,3 |

Вернуться к выбору мощностей
Мотор-редуктор DR572 и DR573 - является полным аналогом мотор-редуктор TNC52 и TNC53 / производства Tos-Znojmo , Чехия ; как технический аналог мотор-редуктор можно рассматривать относительно к моделям MPD125 и MPD125/3 , MPL125 и MPL125/3 / производства Siti , Италия ; S122 и S123 / производства Motovario , Италия ; SK5282 и SK5382 /производства Nord , Германия ; F602 и F603 / производства Bonfiglioli , Италия , ZF160B и ZF160C / производства Tramec , Италия .
Редуктор DT572 и DT573 является аналогом редукторов PD125- , PD125/3 производства Siti / Италия ; ZA160B , ZA160C производства Tramec / Италия .
Если вы хотите купить цилиндрический редуктор DR572 и DR573 , вы можете:
Позвонить:
Российская Федерация
+7 (495) 369-04-89
+7 (910) 726-725-4 (МТС) Смоленск
info@tech-privod.com
Республика Беларусь
+375 17 272-04-08 (т/ф) Минск
+375 29 61-787-61 (A1) Минск
+7 (495) 369-04-89
+7 (910) 726-725-4 (МТС) Смоленск
info@tech-privod.com
Республика Беларусь
+375 17 272-04-08 (т/ф) Минск
+375 29 61-787-61 (A1) Минск
