Цилиндрический редуктор DR773 9,0 об/мин ... 35 об/мин
9,0 об/мин ... 35 об/мин
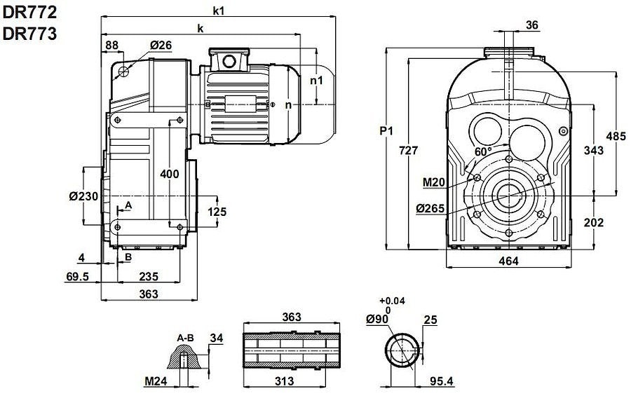
Средне скоростная трансмиссионная зубчатая шестереночная машина DR773-160M/6 и DR773-132M/4 - цилиндрический привод с параллельными передаточными осями, моторизированный двигательной установкой мощностью 7,5 кВт, с развиваемым крутящим усилием: 2500 - 8000 ньютонов/метр.Номинальные трансмиссионные числа на выбор: i=70 , i= 80, i= 90 , i= 105 , i=120 , i= 140 , i= 160 , i=190.
Редукторы поставляются заправлены смазкой, соответствующую задаваемым температурным режимам эксплуатации, монтажного исполнения и размещения.
Условное обозначение
Каталог D-series
| Обороты на выходном валу | Крутящий момент на выходном валу | Передаточное число | Радиальные нагрузки на выходной вал | Сервис фактор | Тип редуктора | Масса |
| n2 (об/мин-1) | M2 (Нм) | i | Fr (Н) | fs | m (кг) | |
| 7,4 | 9182 | 190,20 | 45942 | 0,9 | DR773-132M/4 | 340 |
| 8,8 | 7642 | 158,23 | 58065 | 1,0 | ||
| 9,9 | 6844 | 141,55 | 63036 | 1,2 | ||
| 11 | 5914 | 122,41 | 68085 | 1,4 | ||
| 13 | 5129 | 105,99 | 71953 | 1,6 | ||
| 15 | 4492 | 92,70 | 74720 | 1,8 | ||
| 17 | 3964 | 81,72 | 76828 | 2,0 | ||
| 19 | 3521 | 72,50 | 78484 | 2,3 | ||
| 22 | 3164 | 41,85 | 79768 | 2,5 | DR773-160M/6 | 381 |
| 24 | 2810 | 37,12 | 80953 | 2,8 | ||
| 27 | 2508 | 33,10 | 81904 | 3,2 | ||
| 28 | 2417 | 31,92 | 82182 | 3,3 | ||
| 33 | 2097 | 27,65 | 79526 | 3,8 |

Вернуться к выбору мощностей
Мотор-редуктор DR773 - как технический аналог мотор-редуктор можно рассматривать относительно к моделям MPD160 и MPD160/3/ производства Siti, Италия; SK7382 /производства Nord , Германия; F803 / производства Bonfiglioli, Италия, ZF200B и ZF200C / производства Tramec , Италия .
Редуктор DT773 является аналогом редукторов PD160-, PD160/3- производства Siti / Италия; ZA200B, ZA200C производства Tramec/ Италия .
Если вы хотите купить цилиндрический редуктор DR773 , вы можете:
Позвонить:
Российская Федерация
+7 (495) 369-04-89
+7 (910) 726-725-4 (МТС) Смоленск
info@tech-privod.com
Республика Беларусь
+375 17 272-04-08 (т/ф) Минск
+375 29 61-787-61 (A1) Минск
+7 (495) 369-04-89
+7 (910) 726-725-4 (МТС) Смоленск
info@tech-privod.com
Республика Беларусь
+375 17 272-04-08 (т/ф) Минск
+375 29 61-787-61 (A1) Минск
