Цилиндрический редуктор DR672 и DR673 15 об/мин ... 60 об/мин
15 об/мин ... 60 об/мин
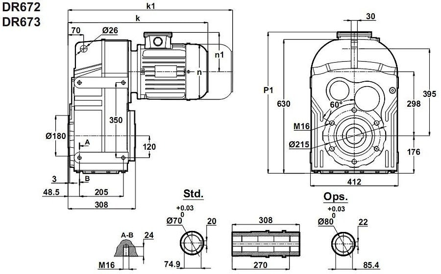
Цилиндрический мотор-редуктор DR673-132M/4 и DR672-132M/4 с параллельными валом (так называемый "плоский") с подключенным асинхронным электродвигателем мощностью - 7,5 кВт (7,5/3000 , 7,5/1500 , 7,5/1000 , 7,5/750)Скорость вращений выходного вала: 13 об/мин - 60 об/мин.
Передаваемый момент - 1300 нм ~ 4400 нм.
Допустимые радиальные нагрузки на исполнительный вал: 35000 Н.
Исполнения: полый вал, цельный вал, выходной вал, реакционный кронштейн, экструдерная приставка и др.
Условное обозначение
Каталог D-series
| Обороты на выходном валу | Крутящий момент на выходном валу | Передаточное число | Радиальные нагрузки на выходной вал | Сервис фактор | Тип редуктора | Масса |
| n2 (об/мин-1) | M2 (Нм) | i | Fr (Н) | fs | m (кг) | |
| 13 | 5127 | 106,08 | 18011 | 0,8 | DR673-132M/4 | 250 |
| 15 | 4414 | 91,19 | 28265 | 1,0 | ||
| 18 | 3836 | 79,14 | 34006 | 1,1 | ||
| 20 | 3358 | 69,18 | 37863 | 1,3 | ||
| 23 | 2956 | 60,82 | 40687 | 1,5 | ||
| 24 | 2882 | 59,34 | 41161 | 1,5 | ||
| 27 | 2482 | 51,01 | 43584 | 1,7 | ||
| 32 | 2157 | 44,27 | 45351 | 2,0 | ||
| 36 | 1889 | 38,70 | 46690 | 2,3 | ||
| 41 | 1662 | 34,02 | 47801 | 2,6 | ||
| 54 | 1290 | 26,11 | 49424 | 3,3 | ||
| 60 | 1155 | 23,36 | 49970 | 3,7 | ||
| 54 | 1290 | 26,11 | 49424 | 3,3 | DR672-132M/4 | 240 |
| 60 | 1155 | 23,36 | 49970 | 3,7 |

Вернуться к выбору мощностей
Мотор-редуктор DR672 и DR673 - как технический аналог мотор-редуктор можно рассматривать относительно к моделям MPD160 и MPD160/3 , MPL160 и MPL160/3 / производства Siti , Италия ; SK6282 и SK6382 /производства Nord , Германия ; F702 и F703 / производства Bonfiglioli , Италия , ZF180B и ZF180C / производства Tramec , Италия .
Редуктор DT672 и DT673 является аналогом редукторов ZA160B , ZA160C производства Tramec / Италия .
Если вы хотите купить цилиндрический редуктор DR672 и DR673 , вы можете:
Позвонить:
Российская Федерация
+7 (495) 369-04-89
+7 (910) 726-725-4 (МТС) Смоленск
info@tech-privod.com
Республика Беларусь
+375 17 272-04-08 (т/ф) Минск
+375 29 61-787-61 (A1) Минск
+7 (495) 369-04-89
+7 (910) 726-725-4 (МТС) Смоленск
info@tech-privod.com
Республика Беларусь
+375 17 272-04-08 (т/ф) Минск
+375 29 61-787-61 (A1) Минск
